电脑桌面
添加小米粒文库到电脑桌面
安装后可以在桌面快捷访问

设备管理台帐VIP专享VIP免费

设备管理台帐_第1页
1/24
设备管理台帐_第2页
2/24
设备管理台帐_第3页
3/24
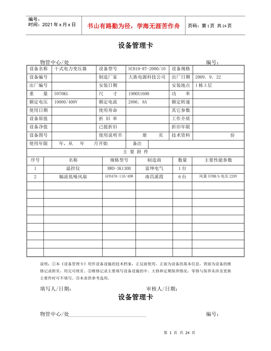
第1页共24页编号:时间:2021年x月x日书山有路勤为径,学海无涯苦作舟页码:第1页共24页设备管理卡物管中心/处_____________________________编号:设备名称干式电力变压器设备型号SCB10-RT-2000/10设备规格设备编号制造厂家大族电源科技公司出厂日期2009.9.22出厂编号安装日期安装地点1栋3层重量5970KG尺寸1900X1600功率额定电压10000/400V额定电流2886.8A额定转速使用日期使用寿命其它参数设备原值折旧率工作介质设备净值已提折旧折旧年限设备图号使用说明书册页技术资料份使用年限年,从年月开始备注主要附件序号名称规格型号制造商数量主要性能参数1温控仪BWD-3K130B富绅电气1台2幅流低噪风扇GFD470-110/40W南昌溪霞6台风量570M/h电压220V说明:①本《设备管理卡》用作设备设施的技术档案,正反面使用。正面为设备的基本信息,背面为设备的维修记录附页,用完可续页。②维修记录主要填写设备设施的中、大修和定期保养情况,零修与保养未涉及更换主要件时可不填写。③本表供参考选用。填写人/日期:审核人/日期:设备管理卡物管中心/处_____________________________编号:第2页共24页第1页共24页编号:时间:2021年x月x日书山有路勤为径,学海无涯苦作舟页码:第2页共24页设备名称高压开关柜设备型号UniSwitch设备规格200911563设备编号制造厂家光辉电气出厂日期2009.11出厂编号安装日期安装地点1栋3层重量尺寸功率额定电压12KV额定电流630A额定转速使用日期使用寿命5000次其它参数Pe:12KVIe:630A设备原值折旧率工作介质设备净值已提折旧折旧年限设备图号使用说明书册页技术资料份使用年限年,从年月开始备注主要附件序号名称规格型号制造商数量主要性能参数1负荷开关SFG-6304台2避雷器HY5WZ-17/456支防暴脱离型3高压带电显示器GSN-10T新会电气4组4说明:①本《设备管理卡》用作设备设施的技术档案,正反面使用。正面为设备的基本信息,背面为设备的维修记录附页,用完可续页。②维修记录主要填写设备设施的中、大修和定期保养情况,零修与保养未涉及更换主要件时可不填写。③本表供参考选用。填写人/日期:审核人/日期:设备管理卡物管中心/处_____________________________编号:设备名称干式电力变压器设备型号SCB10-RT-1250/10设备规格设备编号制造厂家大族电源科技公司出厂日期2009.10.10出厂编号安装日期安装地点1栋3层第3页共24页第2页共24页编号:时间:2021年x月x日书山有路勤为径,学海无涯苦作舟页码:第3页共24页重量3740KG尺寸1700X1460功率额定电压10000/400V额定电流1804.2A额定转速使用日期使用寿命其它参数设备原值折旧率工作介质设备净值已提折旧折旧年限设备图号使用说明书册页技术资料份使用年限年,从年月开始备注主要附件序号名称规格型号制造商数量主要性能参数1温控仪BWD-3K130B富绅电气1台2幅流低噪风扇GFD470-110/40W南昌溪霞6台风量570M/h电压220V3联络柜(空气断路器)ETU25BWLII西门子电气1台MT20H1/2000A电压表72T1-V4个0-400V电流表12个电流互感器ALH-0.6612个1.0级万能转换开关LW5-16/500V1个TM704/5万能转换开关LW5-16/500V2个YH3/3万能转换开关LW5-16/500V1个TD510/4万能转换开关LW5-16/500V1个TH457/3万能转换开关LW5-16/500V3个DO081/1说明:①本《设备管理卡》用作设备设施的技术档案,正反面使用。正面为设备的基本信息,背面为设备的维修记录附页,用完可续页。②维修记录主要填写设备设施的中、大修和定期保养情况,零修与保养未涉及更换主要件时可不填写。③本表供参考选用。填写人/日期:审核人/日期:设备管理卡物管中心/处_____________________________编号:设备名称电容补偿柜/2000设备型号设备规格设备编号制造厂家出厂日期出厂编号安装日期安装地点1栋3层重量尺寸功率额定电压额定电流额定转速使用日期使用寿命其它参数第4页共24页第3页共24页编号:时间:2021年x月x日书山有路勤为径,学海无涯苦作舟页码:第4页共24页设备原值折旧率工作介质设备净值已提折旧折旧年限设备图号使用说明书册页技术资料份使用年限年,从年月开始备注主要附件序号名称规格型号制造商数量主要性能参数1电容X7C108个2接触器LC1-DWK1212个1...

1、当您付费下载文档后,您只拥有了使用权限,并不意味着购买了版权,文档只能用于自身使用,不得用于其他商业用途(如 [转卖]进行直接盈利或[编辑后售卖]进行间接盈利)。
2、本站所有内容均由合作方或网友上传,本站不对文档的完整性、权威性及其观点立场正确性做任何保证或承诺!文档内容仅供研究参考,付费前请自行鉴别。
3、如文档内容存在违规,或者侵犯商业秘密、侵犯著作权等,请点击“违规举报”。

碎片内容

设备管理台帐

确认删除?
VIP
微信客服
  • 扫码咨询
会员Q群
  • 会员专属群点击这里加入QQ群
客服邮箱
回到顶部