电脑桌面
添加小米粒文库到电脑桌面
安装后可以在桌面快捷访问

油墨厂安全评价报告VIP专享VIP免费

油墨厂安全评价报告_第1页
1/67
油墨厂安全评价报告_第2页
2/67
油墨厂安全评价报告_第3页
3/67
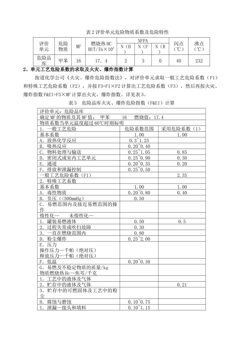
本评价有以下不足,没有对危险源进行具体的火灾爆炸指数分析法计算并进行总结。单元火灾、爆炸危险指数法分析评价一、道化学公司的“火灾、爆炸危险指数评价法”道化学公司的“火灾、爆炸危险指数评价法”(第七版)是针对工艺过程中的物质、设备、数量、工艺参数、泄漏、贮运等火灾、爆炸及毒性的危险性、有害性,通过逐步推算的方法,求出其火灾、爆炸等潜在危险及其等级的一种方法。该法首先确定单元固有的火灾、爆炸指数(F&EI)及危险等级,详见表1。表1F&EI危险等级F&EI1~6061~9697~127128~158>159危险等级最轻较轻中等很大非常大然后,再通过安全措施补偿的办法,以降低单元的危险程度,确定是否达到可接受程度;并进一步确定单元危险区域的平面分布和影响程度,据此,定量计算单元危险系数和基本及实际最大可能财产损失,以表征单元危险性的风险程度。具体评价步骤见图1。图1“道化法”(第七版)评价程序二、评价单元的确定1、评价单元的确定根据建设项目工程装置的工艺条件,工艺单元中的危险物料及其数量,评价方法中确定评价单元的原则,选择危险品仓库当甲苯存放量为最大量5吨作为评价单元评价。2、评价单元基本情况物质:甲苯物质量:5吨温度:常温压力:常压三、评价单元危险系数的求取及火灾、爆炸指数计算1、评价单元危险物质的物质系数确定选取工艺单元确定物质系数(MF)计算一般工艺危险系数(F1)计算特殊工艺危险系数(F2)确定工艺单元危险系数(F3=F1×F2)计算安全措施补偿系数(C=C1×C2×C3)确定火灾、爆炸指数(F&EI=F3×MF)确定暴露面积确定暴露区域内财产的更换价值确定基本最大可能财产损失MPPD确定危险系数确定实际最大可能财产损失MPPD确定基本最大可能工作日损失MPDO确定停产损失BI表2评价单元危险物质系数及危险特性评价单元危险物质MF燃烧热HCBUT/Ib×103NFPA闪点(℃)沸点(℃)N(H)N(F)N(R)危险品库甲苯1617.4230402322、单元工艺危险系数的求取及火灾、爆炸指数计算按道化学公司《火灾、爆炸危险指数法》,对评价单元求取一般工艺危险系数(F1)和特殊工艺危险系数(F2),并按F3=F1×F2计算出工艺危险系数(F3),然后再按火灾、爆炸指数F&EI=F3×MF计算出火灾、爆炸指数。详见表3。表3危险品库火灾、爆炸危险指数(F&EI)计算评价单元:危险品库确定MF的物质及其MF值:甲苯16燃烧值:17.4物质系数当单元温度超过60℃时则标明1.一般工艺危险危险系数范围采用危险系数(1)基本系数1.001.00A.放热化学反应0.3~1.25B.吸热反应0.20~0.40C.物料处理与输送0.25~1.050.85D.密闭式或室内工艺单元0.25~0.900.30E.通道0.20~0.350.20F.排放和泄漏控制0.25~0.50一般工艺危险系数(F1)2.352.特殊工艺系数基本系数1.001.00A.毒性物质0.20~0.800.40B.负压(<500mmHg)0.50C.易燃范围内及接近易燃范围的操作惰性化—未惰性化—1.罐装易燃液体0.500.52.过程失常或吹扫故障0.303.一直在燃烧范围内0.80D.粉尘爆炸0.25~2.00E.压力操作压力—千帕(绝对压)释放压力—千帕(绝对压)F.低温0.20~0.30G.易燃及不稳定物质的质量/kg物质燃烧热Hc—焦耳/千克1.工艺中的液体及气体2.贮存中的液体及气体0.213.贮存中的可燃固体及工艺中的粉尘H.腐蚀与磨蚀0.10~0.75I.泄漏—接头和填料0.10~1.15J.使用明火设备K.热油热交换系统0.15~1.5L.转动设备0.50特殊工艺危险系数F22.11工艺单元危险系数F34.96火灾、爆炸危险指数F&EI79危险等级较轻3、单元安全措施补偿系数的计算生产装置根据有关标准、规范和生产经验,采取了一定安全措施,这些措施可以一定程度地预防事故的发生,降低事故发生频率,减少事故造成的损失,进一步降低单元的危险性。因此,需要用这些安全措施对评价单元给予一定的补偿,进一步进行补偿评价。安全措施可分为以下三类,他们的补偿系数分别用来表示:C1—工艺控制C2—物质隔离C3—防火范围根据道化学公司《火灾、爆炸危险指数评价法》,对评价单元采取的安全措施选取补偿系数C1、C2、C3并按式C=C1×C2×C3求出单元的补偿系数,见表4。表4危险品库安全措施补偿系数计算评价单元:危险品库项目补偿系数范围采用补...

1、当您付费下载文档后,您只拥有了使用权限,并不意味着购买了版权,文档只能用于自身使用,不得用于其他商业用途(如 [转卖]进行直接盈利或[编辑后售卖]进行间接盈利)。
2、本站所有内容均由合作方或网友上传,本站不对文档的完整性、权威性及其观点立场正确性做任何保证或承诺!文档内容仅供研究参考,付费前请自行鉴别。
3、如文档内容存在违规,或者侵犯商业秘密、侵犯著作权等,请点击“违规举报”。

碎片内容

油墨厂安全评价报告

确认删除?
VIP
微信客服
  • 扫码咨询
会员Q群
  • 会员专属群点击这里加入QQ群
客服邮箱
回到顶部