电脑桌面
添加小米粒文库到电脑桌面
安装后可以在桌面快捷访问

NBVK-WI-PR023现场临建三通一平施工作业指引VIP专享VIP免费

NBVK-WI-PR023现场临建三通一平施工作业指引_第1页
1/5
NBVK-WI-PR023现场临建三通一平施工作业指引_第2页
2/5
NBVK-WI-PR023现场临建三通一平施工作业指引_第3页
3/5
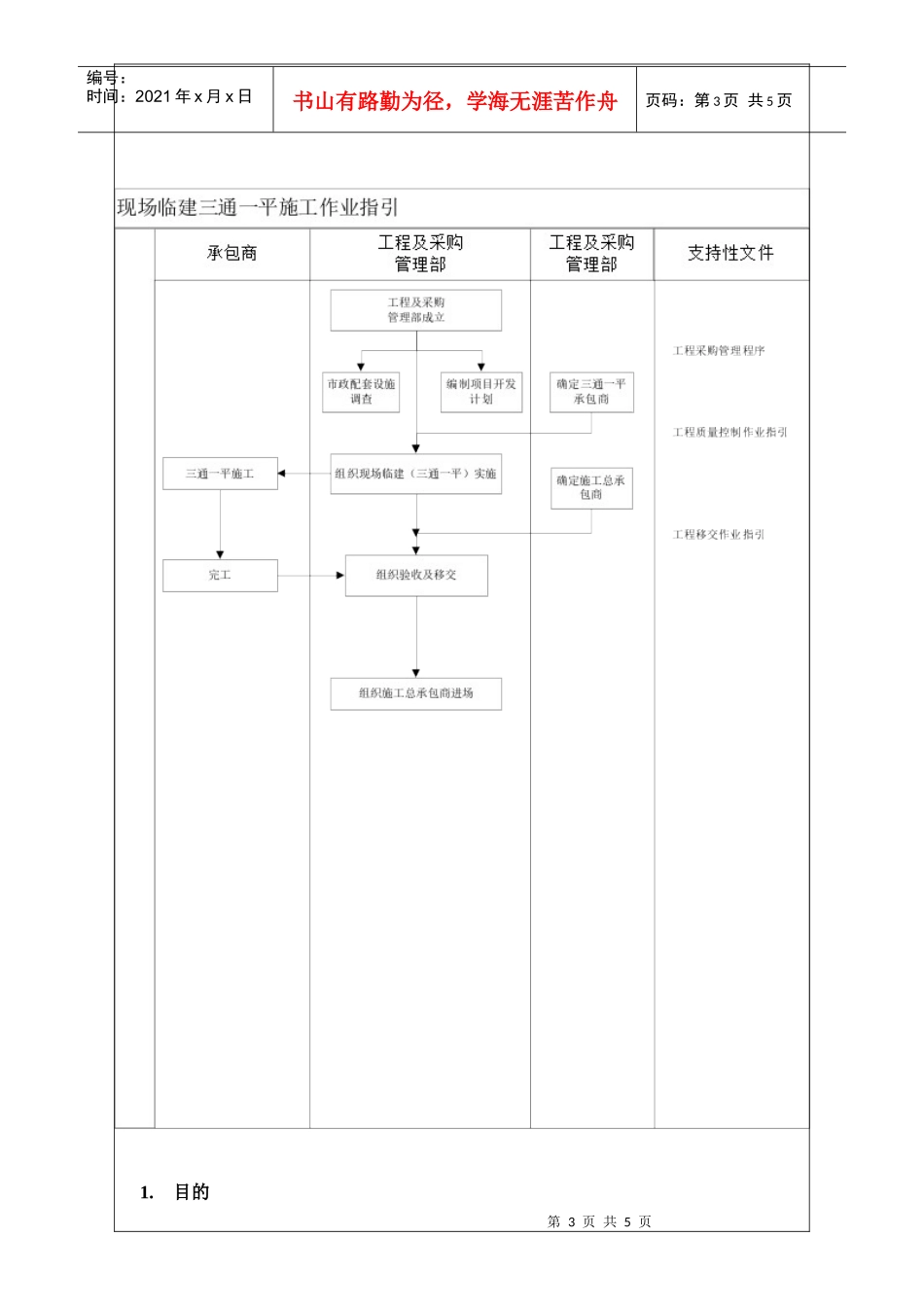
现场临建三通一平施工作业指引编号:NBVK/WI/PR023版号:A/0页码:第1页共4页现场临建三通一平施工作业指引编制日期审核日期批准日期流程要素流程目标:流程时间要求流程监控点数目流程主要责任岗位工程及采购管理部流程涉及职位数目修订记录日期修订状态修改内容修改人审核人批准人现场临建三通一平施工作业指引编号:NBVK/WI/PR023版号:A/0页码:第2页共4页第3页共5页编号:时间:2021年x月x日书山有路勤为径,学海无涯苦作舟页码:第3页共5页1.目的第4页共5页第3页共5页编号:时间:2021年x月x日书山有路勤为径,学海无涯苦作舟页码:第4页共5页使项目开工准备工作得到最合理的安排。2.适用范围适用于本公司开发的所有项目在开工准备工作上的管理和控制。3.术语和定义3.1.三通一平:通水、通电、通路及场地平整。3.2.承包商:三通一平工程承包单位。3.3.总承包商:主体工程土建及安装工程总承包单位;4.职责4.1.工程及采购管理部4.1.1.负责三通一平工程的操作和协调;4.1.2.负责三通一平工程的工期、进度控制管理;4.1.3.负责三通一平工程的质量控制管理;4.1.4.负责三通一平工程的建造成本控制管理;4.1.5.组织三通一平工程的验收和办理移交;4.1.6.负责三通一平承包商的招投标及合约签署;4.1.7.负责工程施工总承包商的招投标及合约签署;4.2.承包商4.2.1.按照合同、设计图纸及规范要求完成施工任务;4.2.2.确保工程进度、质量符合合同要求;4.2.3.完成三通一平工程验收及移交。4.4.总承包商4.4.1.参与三通一平工程的验收并办理接收。5.工作程序5.1.工程及采购管理部成立5.1.1.工程及采购管理部一经成立,应着手根据项目主要节点完成计划表结合本项目的实际情况编制项目《工程管理指导书》。5.1.2.组织专业人员调查项目周边的市政配套设施,为后续设计及施工提供相关依据。5.2.三通一平第4页共5页第5页共5页编号:时间:2021年x月x日书山有路勤为径,学海无涯苦作舟页码:第5页共5页5.2.1.工程及采购管理部负责确定项目场地三通一平工程承包商。5.2.2.工程及采购管理部审核承包商施工组织设计,确定三通一平施工方案。5.2.3.工程及采购管理部组织三通一平工程承包商施工。5.2.4.工程及采购管理部组织三通一平完工验收,并向总承包商办理移交。6.相关记录

1、当您付费下载文档后,您只拥有了使用权限,并不意味着购买了版权,文档只能用于自身使用,不得用于其他商业用途(如 [转卖]进行直接盈利或[编辑后售卖]进行间接盈利)。
2、本站所有内容均由合作方或网友上传,本站不对文档的完整性、权威性及其观点立场正确性做任何保证或承诺!文档内容仅供研究参考,付费前请自行鉴别。
3、如文档内容存在违规,或者侵犯商业秘密、侵犯著作权等,请点击“违规举报”。

碎片内容

NBVK-WI-PR023现场临建三通一平施工作业指引

确认删除?
VIP
微信客服
  • 扫码咨询
会员Q群
  • 会员专属群点击这里加入QQ群
客服邮箱
回到顶部