电脑桌面
添加小米粒文库到电脑桌面
安装后可以在桌面快捷访问

安全生产标准化自评考核、打分项目清单VIP免费

安全生产标准化自评考核、打分项目清单_第1页
1/66
安全生产标准化自评考核、打分项目清单_第2页
2/66
安全生产标准化自评考核、打分项目清单_第3页
3/66
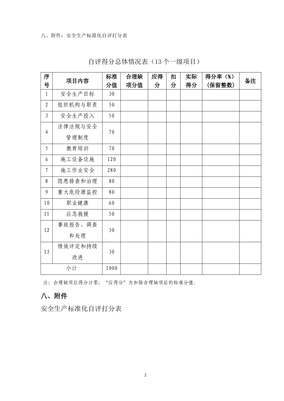
水利安全生产标准化自评报告自评等级:单位名称:年月日1目录一、项目简介(一)项目概况(二)组织管理机构图(三)安全生产标准化组织结构图二、安全生产管理状况(一)安全生产标准化建设过程(二)安全管理绩效三、安全生产达标基本条件符合性情况四、自主评定工作开展情况(一)自评组织机构(二)自评计划和方案(三)自评小组评审人员组成及分工(四)评审内容(五)评审程序(六)评审方式(七)自评实施及整改五、安全生产标准化自评打分表5.1安全生产目标5.2组织机构与职责5.3安全生产投入5.4法律法规与安全管理制度5.5.教育培训5.6施工设备管理5.7施工作业安全5.8隐患排查和治理5.9重大危险源监控5.10职业健康5.11应急救援5.12事故报告、调查和处理5.13绩效评定和持续改进六、发现的主要问题、整改计划和措施、整改完成情况七、自主评定结果(一)基本条件符合情况(二)自评审得分情况(三)自评审结论1八、附件:安全生产标准化自评打分表自评得分总体情况表(13个一级项目)序号项目内容标准分值合理缺项分值应得分扣分实际得分得分率(%)(保留整数)备注1安全生产目标302组织机构与职责503安全生产投入504法律法规与安全管理制度705教育培训706施工设备设施1207施工作业安全2808隐患排查和治理809重大危险源监控8010职业健康6011应急救援5012事故报告、调查和处理3013绩效评定和持续改进30小计1000注:合理缺项应得分计零;“应得分”为扣除合理缺项后的标准分值。八、附件安全生产标准化自评打分表2第3页共67页编号:时间:2021年x月x日书山有路勤为径,学海无涯苦作舟页码:第3页共67页1.安全生产目标(30分)二级评审项目三级评审项目标准分值评审方法及评分标准自评/评审描述实际得分1.1目标制定(6分)1.1.1安全生产目标管理制度应明确目标的制定、分解、实施、考核等内容。3查制度文本。无该项制度,或未以正式文件颁发,不得分;缺少制定、分解、实施、绩效考核等内容,每项扣1分;未能明确相应责任,每项扣1分。示例:查哈拉吐鲁克项目下发《关于印发安全生产管理办法的通知》(葛哈安质环〔2015〕3号)文件,附件1《安全生产目标管理制度》,明确安全生产管理目标由项目部安质环部门制定,将各级安全目标进行了分解,明确了经理室、技术部、施工部、各班组及安质环部门的目标分解与考核指标,对各环节的内容和相应的责任部门及相应的职责等内容进行了分解与细化,明确的主要工作内容与保证措施。存在问题及扣分情况:无。31.1.2制定包括人员伤亡、机械设备安全、交通安全、火灾事故及职业病等控制目标,安全生产隐患治理目标,以及安全生产管理目标等安全生产总目标和年度目标。3查中长期安全工作规划和年度安全工作计划等相关文件。无安全生产总目标或年度目标,或未以文件发布,不得分;各类事故控制目标、安全生产隐患治理目标,以及安全生产管理目标缺项,每项扣1分。示例:查乌东德项目部《关于印发安全文明生产总体规划的通知》(葛乌东德安环〔2015〕5号)、《关于印发2015年安全文明生产规划的通知》(葛乌东德安环〔2015〕6号)文件,确定了安全生产总体目标和2015年度安全生产目标,对2015年度安全生产目标进行分解,提出保证措施,均以文件发布。查喀群项目部制定《2015年度安全生产工作计划》(葛喀安环〔2015〕03号),2015年2月1日由项目经理李建新批准发布实施。制定了包括人员伤亡、机械设备安全、交通安全、火灾事故及职业病等9项控制目标。存在问题及扣分情况:无。31.2目1.2.1按所属基层单位和部门3查安全目标分解等相关文件。3第4页共67页第3页共67页编号:时间:2021年x月x日书山有路勤为径,学海无涯苦作舟页码:第4页共67页二级评审项目三级评审项目标准分值评审方法及评分标准自评/评审描述实际得分标落实(8分)在安全生产中的职能,分解年度安全生产目标。年度安全生产目标未分解,不得分。1.2.2逐级签订安全生产目标责任书,制定并落实安全目标保证措施。5查安全生产目标责任书等相关文件。未签订安全生产目标责任书,每少一个单位或部门扣2分;未制定安全目标保证措施,每个单位扣1分。51.3目标监控与考核(16分)1.3.1对安全生...

1、当您付费下载文档后,您只拥有了使用权限,并不意味着购买了版权,文档只能用于自身使用,不得用于其他商业用途(如 [转卖]进行直接盈利或[编辑后售卖]进行间接盈利)。
2、本站所有内容均由合作方或网友上传,本站不对文档的完整性、权威性及其观点立场正确性做任何保证或承诺!文档内容仅供研究参考,付费前请自行鉴别。
3、如文档内容存在违规,或者侵犯商业秘密、侵犯著作权等,请点击“违规举报”。

碎片内容

安全生产标准化自评考核、打分项目清单

您可能关注的文档

确认删除?
VIP
微信客服
  • 扫码咨询
会员Q群
  • 会员专属群点击这里加入QQ群
客服邮箱
回到顶部