电脑桌面
添加小米粒文库到电脑桌面
安装后可以在桌面快捷访问

某生产企业设备维修工绩效考核表VIP免费

某生产企业设备维修工绩效考核表_第1页
1/5
某生产企业设备维修工绩效考核表_第2页
2/5
某生产企业设备维修工绩效考核表_第3页
3/5
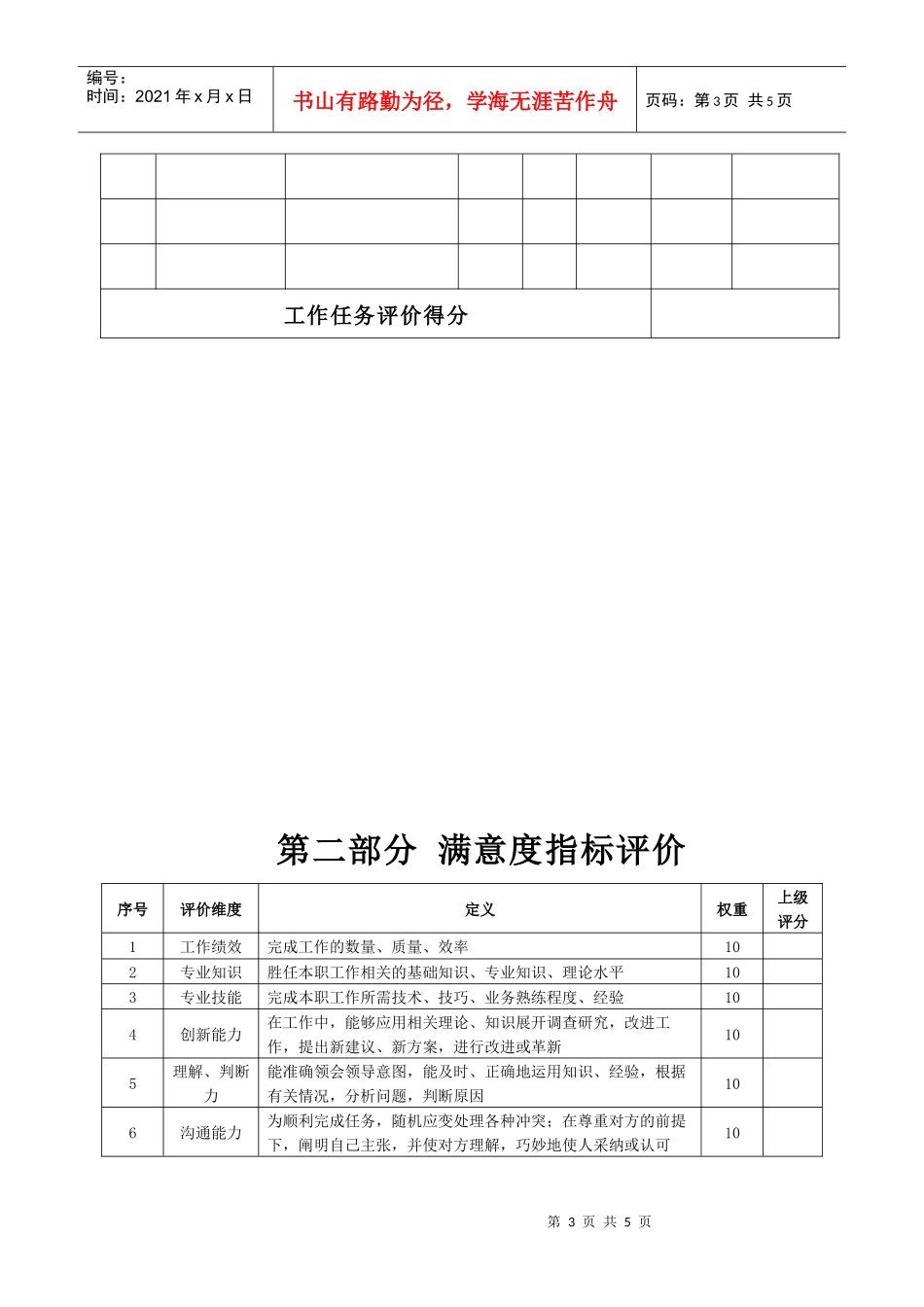
第1页共5页编号:时间:2021年x月x日书山有路勤为径,学海无涯苦作舟页码:第1页共5页**有限公司考核表部门:姓名:职务:填表时间:第一部分工作任务完成评价第2页共5页第1页共5页编号:时间:2021年x月x日书山有路勤为径,学海无涯苦作舟页码:第2页共5页序号考核项目定义衡量标准权重完成状况考评得分备注管理制度及工作流程的执行1.违反公司管理制度及工作流程,扣1分/次;2.违反公司管理制度及工作流程,且给公司造成损失,直接责任扣5分及以上,间接责任扣2~5分工装制作按要求制作公司所需的部分工装,若延误扣2~5分/日非标产品的加工1.非标产品加工不及时扣2~5分/日2.非标产品加工不合格扣2~5分/次设备维修及时因设备维修不及时造成延误生产依损失大小扣5~10分/次设备维修达标设备维修未达标的扣除5~10分/次三级保养制度执行情况未按设备保养制度开展设备保养工作,扣5~10分/次上级交办的其它工作没有及时完成或上级对完成情况不满意扣1~5分/次内部客户满意度因工作原因被公司同事或客户投诉,经查实,视情节轻重,扣2~5分/次合理化建议凡提出合理化建议被采纳在部门中实施的可酌情加2~5分/次,在公司实施的加5~10分/次第3页共5页第2页共5页编号:时间:2021年x月x日书山有路勤为径,学海无涯苦作舟页码:第3页共5页工作任务评价得分第二部分满意度指标评价序号评价维度定义权重上级评分1工作绩效完成工作的数量、质量、效率102专业知识胜任本职工作相关的基础知识、专业知识、理论水平103专业技能完成本职工作所需技术、技巧、业务熟练程度、经验104创新能力在工作中,能够应用相关理论、知识展开调查研究,改进工作,提出新建议、新方案,进行改进或革新105理解、判断力能准确领会领导意图,能及时、正确地运用知识、经验,根据有关情况,分析问题,判断原因106沟通能力为顺利完成任务,随机应变处理各种冲突;在尊重对方的前提下,阐明自己主张,并使对方理解,巧妙地使人采纳或认可10第4页共5页第3页共5页编号:时间:2021年x月x日书山有路勤为径,学海无涯苦作舟页码:第4页共5页7学习与发展能力热爱本职工作,具有明晰的发展目标,不断进取,努力学习业务技术知识和相关技能108公司认可度对企业文化、企业理念、组织管理、领导风格等组织行为的认同、参与、拥护及热爱的程度109积极性和责任感无需具体命令和批示,都能保持明确的工作目标和旺盛的工作热情,不拿工作做筹码与公司和领导斤斤计较和消极怠工1010协作性团队意识强,服从工作安排,为群体的合作精神作贡献,无独行独往、自作主张、和为私利排斥公司行为的情况10评分合计100第三部分综合评价年度业绩考核得分工作任务完成评价得分上级满意度考核得分综合考核得分=(工作任务完成评价得分×60%+上级满意度考核得分×40%)任职资格确认或建议:□胜任□基本胜任□不能胜任,建议换岗□其他:部门领导:年月日分管领导:年月日总经理:年月日第5页共5页第4页共5页编号:时间:2021年x月x日书山有路勤为径,学海无涯苦作舟页码:第5页共5页

1、当您付费下载文档后,您只拥有了使用权限,并不意味着购买了版权,文档只能用于自身使用,不得用于其他商业用途(如 [转卖]进行直接盈利或[编辑后售卖]进行间接盈利)。
2、本站所有内容均由合作方或网友上传,本站不对文档的完整性、权威性及其观点立场正确性做任何保证或承诺!文档内容仅供研究参考,付费前请自行鉴别。
3、如文档内容存在违规,或者侵犯商业秘密、侵犯著作权等,请点击“违规举报”。

碎片内容

某生产企业设备维修工绩效考核表

确认删除?
VIP
微信客服
  • 扫码咨询
会员Q群
  • 会员专属群点击这里加入QQ群
客服邮箱
回到顶部