电脑桌面
添加小米粒文库到电脑桌面
安装后可以在桌面快捷访问

仪器生产企业生产主管副总经理职位说明书VIP专享VIP免费

仪器生产企业生产主管副总经理职位说明书_第1页
1/3
仪器生产企业生产主管副总经理职位说明书_第2页
2/3
仪器生产企业生产主管副总经理职位说明书_第3页
3/3
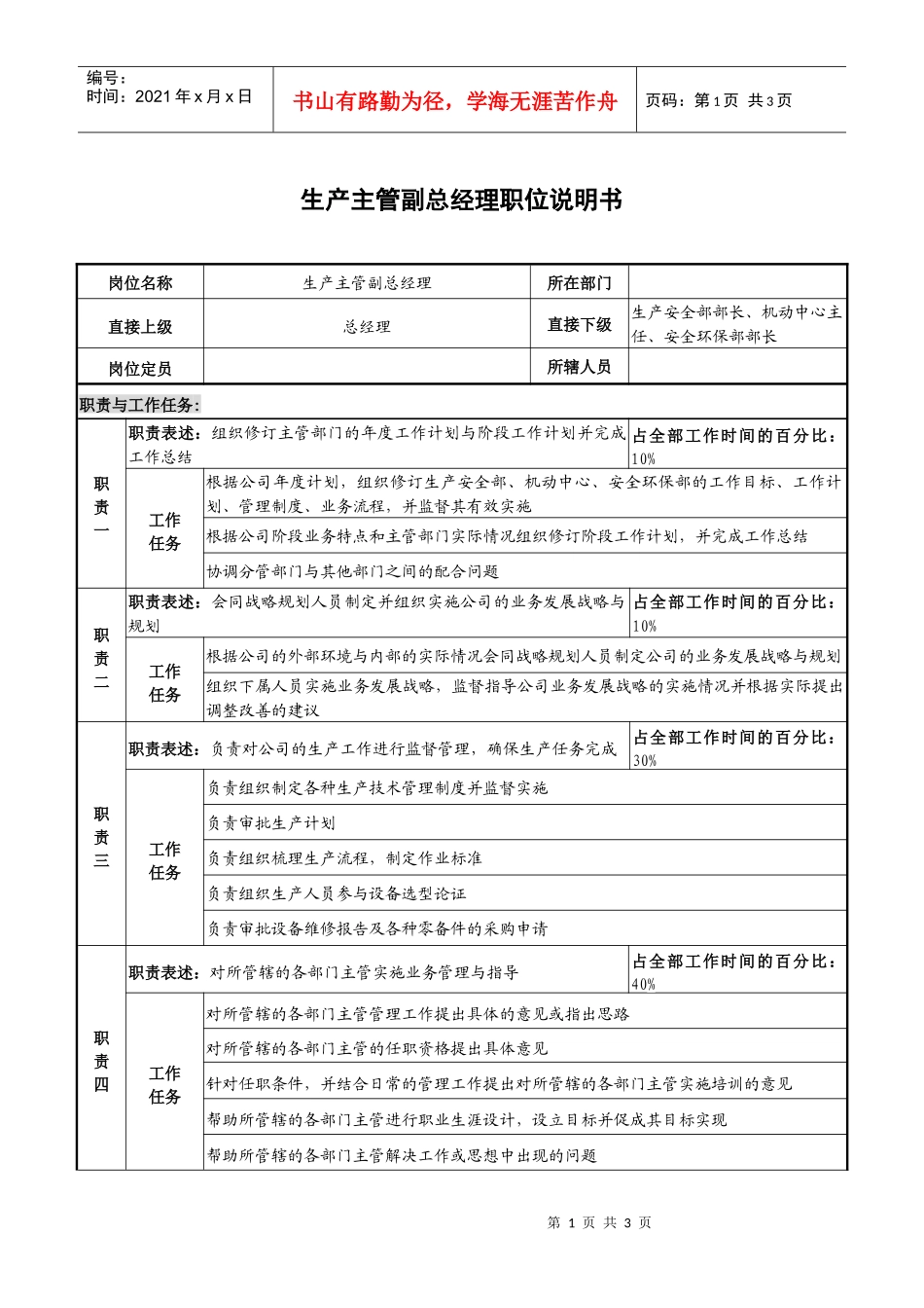
第1页共3页编号:时间:2021年x月x日书山有路勤为径,学海无涯苦作舟页码:第1页共3页生产主管副总经理职位说明书岗位名称生产主管副总经理所在部门直接上级总经理直接下级生产安全部部长、机动中心主任、安全环保部部长岗位定员所辖人员职责与工作任务:职责一职责表述:组织修订主管部门的年度工作计划与阶段工作计划并完成工作总结占全部工作时间的百分比:10%工作任务根据公司年度计划,组织修订生产安全部、机动中心、安全环保部的工作目标、工作计划、管理制度、业务流程,并监督其有效实施根据公司阶段业务特点和主管部门实际情况组织修订阶段工作计划,并完成工作总结协调分管部门与其他部门之间的配合问题职责二职责表述:会同战略规划人员制定并组织实施公司的业务发展战略与规划占全部工作时间的百分比:10%工作任务根据公司的外部环境与内部的实际情况会同战略规划人员制定公司的业务发展战略与规划组织下属人员实施业务发展战略,监督指导公司业务发展战略的实施情况并根据实际提出调整改善的建议职责三职责表述:负责对公司的生产工作进行监督管理,确保生产任务完成占全部工作时间的百分比:30%工作任务负责组织制定各种生产技术管理制度并监督实施负责审批生产计划负责组织梳理生产流程,制定作业标准负责组织生产人员参与设备选型论证负责审批设备维修报告及各种零备件的采购申请职责四职责表述:对所管辖的各部门主管实施业务管理与指导占全部工作时间的百分比:40%工作任务对所管辖的各部门主管管理工作提出具体的意见或指出思路对所管辖的各部门主管的任职资格提出具体意见针对任职条件,并结合日常的管理工作提出对所管辖的各部门主管实施培训的意见帮助所管辖的各部门主管进行职业生涯设计,设立目标并促成其目标实现帮助所管辖的各部门主管解决工作或思想中出现的问题第2页共3页第1页共3页编号:时间:2021年x月x日书山有路勤为径,学海无涯苦作舟页码:第2页共3页职责五职责表述:完成总经理交办的其它工作占全部工作时间的百分比:10%二、权力:权限1对公司的资源调配(人员、设备)有建议和部分实施权权限2对设备维修方案及零配件采购有中间审批权权限3对设备选型的建议权权限4对所属员工的工作有管理权、考核权及任免建议权权限5对所辖人员晋职、晋级有建议权和中间审批权权限6对所辖人员有提请奖惩权,对生产人员奖金二次分配有审批权权限7对下属员工的工作纠纷有裁决权权限8公司重大决策及管理制度的表决权权限9在授权范围内对公司的资金支出有审批权三、工作协作关系:内部协调关系其它副总经理、中层、基层员工外部协调关系集团、设备生产及维修商、同行等四、任职资格:教育水平硕士及以上专业管理、机械、光电专业及相关专业培训培训内容培训方式与时间企业生产运作管理培训、中高层管理人员管理技能培训等经验6年以上相关业务岗位工作经验,4年以上中层管理岗位工作经验专业知识、技能企业生产运作管理、计算机、机械制造、光机电一体化、经济学、心理学、行为学、法律及外语等方面的知识管理知识、技能熟悉企业管理知识,具有较强的领导能力、判断与决策能力、人际能力、沟通能力、影响力、计划与执行能力五、工作条件及其它使用工具设备计算机、一般办公设备(电话、手机、传真机、打印机、Internet/Intranet网络)、交通设备工作环境独立办公室工作时间特征无正常节假日,按需要出差第3页共3页第2页共3页编号:时间:2021年x月x日书山有路勤为径,学海无涯苦作舟页码:第3页共3页六、关键绩效指标:1、年度生产工作目标完成情况;2、生产决策的合理性;3、产品质量提高情况;4、重大责任事故发生率;5、年度生产制造成本控制情况。

1、当您付费下载文档后,您只拥有了使用权限,并不意味着购买了版权,文档只能用于自身使用,不得用于其他商业用途(如 [转卖]进行直接盈利或[编辑后售卖]进行间接盈利)。
2、本站所有内容均由合作方或网友上传,本站不对文档的完整性、权威性及其观点立场正确性做任何保证或承诺!文档内容仅供研究参考,付费前请自行鉴别。
3、如文档内容存在违规,或者侵犯商业秘密、侵犯著作权等,请点击“违规举报”。

碎片内容

仪器生产企业生产主管副总经理职位说明书

中小学教育精品资料+ 关注
实名认证
内容提供者

中小学教育资料,优质文档创作者

确认删除?
VIP
微信客服
  • 扫码咨询
会员Q群
  • 会员专属群点击这里加入QQ群
客服邮箱
回到顶部