电脑桌面
添加小米粒文库到电脑桌面
安装后可以在桌面快捷访问

SG建筑工程隐蔽检验记录VIP专享VIP免费

SG建筑工程隐蔽检验记录_第1页
1/75
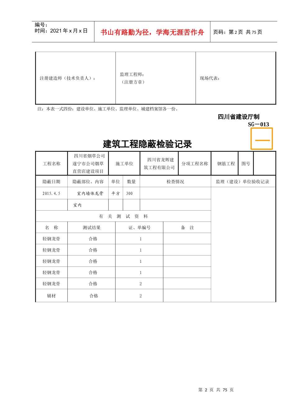
SG建筑工程隐蔽检验记录_第2页
2/75
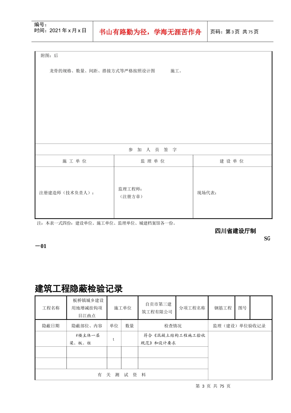
SG建筑工程隐蔽检验记录_第3页
3/75
第1页共75页编号:时间:2021年x月x日书山有路勤为径,学海无涯苦作舟页码:第1页共75页SG-013建筑工程隐蔽检验记录工程名称四川省烟草公司遂宁市公司烟草直营店建设项目施工单位四川嘉业建筑工程有限公司分项工程名称墙体工程图号A隐蔽日期隐蔽部位、内容单位数量检查情况监理(建设)单位验收记录2015.5.15室内墙体龙骨平方3002015.5.15墙体密度板,纸面石膏板平方3002015.5.15墙体打光灯珠平方300有关测试资料名称测试结果证、单编号备注轻钢龙骨合格1,2辅材合格1,2密度板合格4纸面石膏板合格4打光灯珠合格4以上材料,的规格、数量、间距、搭接方式等严格按照设计图施工。附图:后参加人员签字施工单位监理单位建设单位第2页共75页第1页共75页编号:时间:2021年x月x日书山有路勤为径,学海无涯苦作舟页码:第2页共75页注册建造师(技术负责人):监理工程师:(注册方章)现场代表:注:本表一式四份:建设单位、施工单位、监理单位、城建档案馆各一份。四川省建设厅制SG-013建筑工程隐蔽检验记录工程名称四川省烟草公司遂宁市公司烟草直营店建设项目施工单位四川省龙辉建筑工程有限公司分项工程名称钢筋工程图号隐蔽日期隐蔽部位、内容单位数量检查情况监理(建设)单位验收记录2015.4.5室内墙体龙骨平方300室内有关测试资料名称测试结果证、单编号备注轻钢龙骨合格1轻钢龙骨合格1轻钢龙骨合格1轻钢龙骨合格1轻钢龙骨合格2辅材合格2第3页共75页第2页共75页编号:时间:2021年x月x日书山有路勤为径,学海无涯苦作舟页码:第3页共75页附图:后龙骨的规格、数量、间距、搭接方式等严格按照设计图施工。参加人员签字施工单位监理单位建设单位注册建造师(技术负责人):监理工程师:(注册方章)现场代表:注:本表一式四份:建设单位、施工单位、监理单位、城建档案馆各一份。四川省建设厅制SG-01建筑工程隐蔽检验记录工程名称板桥镇城乡建设用地增减挂钩项目江凼点施工单位自贡市第三建筑工程有限公司分项工程名称钢筋工程图号隐蔽日期隐蔽部位、内容单位数量检查情况监理(建设)单位验收记录#楼主体一层梁、板、柱t符合《混凝土结构工程施工验收规范》和设计要求有关测试资料第4页共75页第3页共75页编号:时间:2021年x月x日书山有路勤为径,学海无涯苦作舟页码:第4页共75页名称测试结果证、单编号备注附图:钢筋的规格、数量、间距、搭接方式等严格按照设计图施工。参加人员签字施工单位监理单位建设单位注册建造师(技术负责人):监理工程师:(注册方章)现场代表:注:本表一式四份:建设单位、施工单位、监理单位、城建档案馆各一份。四川省建设厅制SG-013建筑工程隐蔽检验记录工程名称板桥镇千秋村综合体农民集中安置房施工单位四川省龙辉建筑工程有限公司分项工程名称钢筋工程图号隐蔽日期隐蔽部位、内容单位数量检查情况监理(建设)单位验收记录第5页共75页第4页共75页编号:时间:2021年x月x日书山有路勤为径,学海无涯苦作舟页码:第5页共75页#楼主体二层梁、板、柱t符合《混凝土结构工程施工验收规范》和设计要求有关测试资料名称测试结果证、单编号备注附图:钢筋的规格、数量、间距、搭接方式等严格按照设计图施工。参加人员签字施工单位监理单位建设单位注册建造师(技术负责人):监理工程师:(注册方章)现场代表:注:本表一式四份:建设单位、施工单位、监理单位、城建档案馆各一份。四川省建设厅制SG-013第6页共75页第5页共75页编号:时间:2021年x月x日书山有路勤为径,学海无涯苦作舟页码:第6页共75页建筑工程隐蔽检验记录工程名称板桥镇城乡建设用地增减挂钩项目江凼点施工单位自贡市第三建筑工程有限公司分项工程名称钢筋工程图号隐蔽日期隐蔽部位、内容单位数量检查情况监理(建设)单位验收记录1#楼主体三层梁、板、柱t符合《混凝土结构工程施工验收规范》和设计要求有关测试资料名称测试结果证、单编号备注附图:钢筋的规格、数量、间距、搭接方式等严格按照设计图施工。参加人员签字施工单位监理单位建设单位第7页共75页第6页共75页编号:时间:2021年x月x日书山有路勤为径,学海无涯苦作舟页码:第7页共75页注册建造师(技术负责人)...

1、当您付费下载文档后,您只拥有了使用权限,并不意味着购买了版权,文档只能用于自身使用,不得用于其他商业用途(如 [转卖]进行直接盈利或[编辑后售卖]进行间接盈利)。
2、本站所有内容均由合作方或网友上传,本站不对文档的完整性、权威性及其观点立场正确性做任何保证或承诺!文档内容仅供研究参考,付费前请自行鉴别。
3、如文档内容存在违规,或者侵犯商业秘密、侵犯著作权等,请点击“违规举报”。

碎片内容

SG建筑工程隐蔽检验记录

确认删除?
VIP
微信客服
  • 扫码咨询
会员Q群
  • 会员专属群点击这里加入QQ群
客服邮箱
回到顶部