电脑桌面
添加小米粒文库到电脑桌面
安装后可以在桌面快捷访问

钢筋施工技术交底11VIP免费

钢筋施工技术交底11_第1页
1/7
钢筋施工技术交底11_第2页
2/7
钢筋施工技术交底11_第3页
3/7
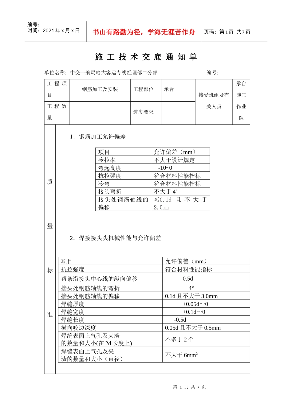
第1页共7页编号:时间:2021年x月x日书山有路勤为径,学海无涯苦作舟页码:第1页共7页施工技术交底通知单单位名称:中交一航局哈大客运专线经理部二分部编号:工程项目钢筋加工及安装工程部位承台接受班组及有关人员承台施工作业队工程数量进度要求质量标准1.钢筋加工允许偏差项目允许偏差(mm)冷拉率不大于设计规定弯起高度-10~0抗拉强度符合材料性能指标冷弯符合材料性能指标接头弯折不大于4º接头处钢筋轴线的偏移≤0.1d且不大于2.0mm2.焊接接头头机械性能与允许偏差项目允许偏差(mm)抗拉强度符合材料性能指标帮条沿接头中心线的纵向偏移0.5d接头处钢筋轴线的弯折4°接头处钢筋轴线的偏移0.1d且不大于3.0mm焊缝厚度+0.05d~0焊缝宽度+0.1d~0焊缝长度-0.5d横向咬边深度0.05d且不大于0.5mm焊缝表面上气孔及夹渣的数量和大小(在2d长度上)不多于2个焊缝表面上气孔及夹渣的数量和大小(直径)不大于6mm2第2页共7页第1页共7页编号:时间:2021年x月x日书山有路勤为径,学海无涯苦作舟页码:第2页共7页3.钢筋成型允许偏差项目允许偏差(mm)钢筋制作受力钢筋全长±10弯起钢筋的弯折位置20箍筋内净尺寸±3钢筋安装(受力、分布、箍筋)钢筋间距±20弯起点位置(加工偏差±20mm)包括在内30钢筋保护层厚度+10,-5预埋件中心位置51、钢筋制作(1)、钢筋进场后应验证(质量合格证明或试验报告单)和外观检查。在同牌号、同炉罐号、同规格、同交货状态的钢筋每60t任取2根,在其上各截取1组试样,每组试样各制2根试件,送实验室分别做屈服强度、抗拉强度、伸长率、和冷弯实验。合格后方可进行制作加工。(2)、钢筋在加工场地下料、弯制成型,再倒运至现场进行绑扎安装,在倒运过程中不得变形。(3)、钢筋加工前表面的油渍、漆污、水泥浆和能用锤敲击能剥落的浮皮、铁锈等均应清除干净。钢筋应平直,无局部弯曲。加工后的钢筋表面不应有削弱钢筋截面的伤痕。(4)、钢筋加工时要严格按照图纸下料加工。2、钢筋连接(1)、同一截面内一根钢筋不能有2个接头。(两焊接接头在钢筋直径的35倍范围且不小于500mm以内为“同一截面”)(2)、在钢筋密列的结构内,当钢筋间净间距小于其直径的1.5倍或30mm(竖向)和45mm(横向)时,不得使用搭接接头。(3)、冬期钢筋的闪光对焊宜在室内进行,焊接时的环境气温不宜低于0℃,钢筋应提前运入车间,焊毕后的钢筋应待完全冷却后才能运往第3页共7页第2页共7页编号:时间:2021年x月x日书山有路勤为径,学海无涯苦作舟页码:第3页共7页施工程序及操作要点室外。冬期电弧焊接时,应有防雪、防风及保温措施,并应选用韧性较好的焊条。焊接的接头严禁立即接触冰雪。(4)、焊接地线应与主筋接触良好,不得因接触不良而烧伤主筋。(5)、焊接时,应在搭接钢筋的一端引弧,并应在搭接钢筋端头上收弧,弧坑应填满。(6)、焊缝的尺寸要满足下列要求:①焊缝的长度:Ⅱ级钢筋:单面焊≥10d双面焊≥5d②焊缝的宽度:≥0.7d并不得小于8mm③焊缝的高度:≥0.3d并不得小于4mm3、钢筋安装(1)、安装底层钢筋网前,应将深入承台部分的钢筋笼用箍筋绑扎好。(2)、安装钢筋时,钢筋的位置和混凝土保护层的厚度要符合设计要求。在多排钢筋之间,必要时可垫入短钢筋头或其他适当的钢垫,但短钢筋头或钢垫不得伸入混凝土保护层内。(3)、钢筋混凝土保护层垫块采用细石混凝土垫块支垫,其强度和密实度应高于C30。垫块形状最好为锥形,以有利于钢筋定位。垫块应相互错开,分散布置,垫块数量保证4个/m2,并不得横贯保护层的全部截面。(4)、在钢筋的交叉点处,采用20#铁丝按逐点改变扎丝方向(8字形)交错扎结。扎丝头不得深入到保护层内。(5)、绑扎钢筋时,承台底层钢筋网在越过桩顶处不得截断,当与桩钢筋冲突时可适当移动深入承台内的钢筋笼钢筋。(6)、钢筋绑扎接头应符合下列规定:绑扎接头的搭接长度(由两段钩端部切线算起)应符合下表规定。在钢筋搭接部分的中心及两端共三处,应采用铁丝绑扎结实。序号钢筋级别受拉区受压区1Ⅰ级钢筋30d+半圆形弯钩30d第4页共7页第3页共7页编号:时间:2021年x月x日书山有路勤为径,学海无涯苦作舟页码:第4页共7页2Ⅱ...

1、当您付费下载文档后,您只拥有了使用权限,并不意味着购买了版权,文档只能用于自身使用,不得用于其他商业用途(如 [转卖]进行直接盈利或[编辑后售卖]进行间接盈利)。
2、本站所有内容均由合作方或网友上传,本站不对文档的完整性、权威性及其观点立场正确性做任何保证或承诺!文档内容仅供研究参考,付费前请自行鉴别。
3、如文档内容存在违规,或者侵犯商业秘密、侵犯著作权等,请点击“违规举报”。

碎片内容

钢筋施工技术交底11

确认删除?
VIP
微信客服
  • 扫码咨询
会员Q群
  • 会员专属群点击这里加入QQ群
客服邮箱
回到顶部