电脑桌面
添加小米粒文库到电脑桌面
安装后可以在桌面快捷访问

生产部-产品质量成本计算表VIP免费

生产部-产品质量成本计算表_第1页
1/1
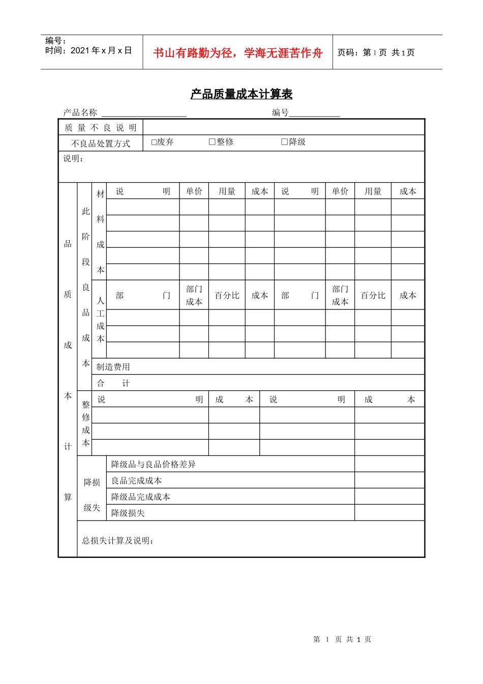
第1页共1页编号:时间:2021年x月x日书山有路勤为径,学海无涯苦作舟页码:第1页共1页产品质量成本计算表产品名称编号质量不良说明不良品处置方式□废弃□整修□降级说明:品质成本计算此阶段良品成本材料成本说明单价用量成本说明单价用量成本人工成本部门部门成本百分比成本部门部门成本百分比成本制造费用合计整修成本说明成本说明成本降损级失降级品与良品价格差异良品完成成本降级品完成成本降级损失总损失计算及说明:

1、当您付费下载文档后,您只拥有了使用权限,并不意味着购买了版权,文档只能用于自身使用,不得用于其他商业用途(如 [转卖]进行直接盈利或[编辑后售卖]进行间接盈利)。
2、本站所有内容均由合作方或网友上传,本站不对文档的完整性、权威性及其观点立场正确性做任何保证或承诺!文档内容仅供研究参考,付费前请自行鉴别。
3、如文档内容存在违规,或者侵犯商业秘密、侵犯著作权等,请点击“违规举报”。

碎片内容

生产部-产品质量成本计算表

确认删除?
VIP
微信客服
  • 扫码咨询
会员Q群
  • 会员专属群点击这里加入QQ群
客服邮箱
回到顶部