电脑桌面
添加小米粒文库到电脑桌面
安装后可以在桌面快捷访问

4、安全生产责任制考核表VIP专享VIP免费

4、安全生产责任制考核表_第1页
1/9
4、安全生产责任制考核表_第2页
2/9
4、安全生产责任制考核表_第3页
3/9
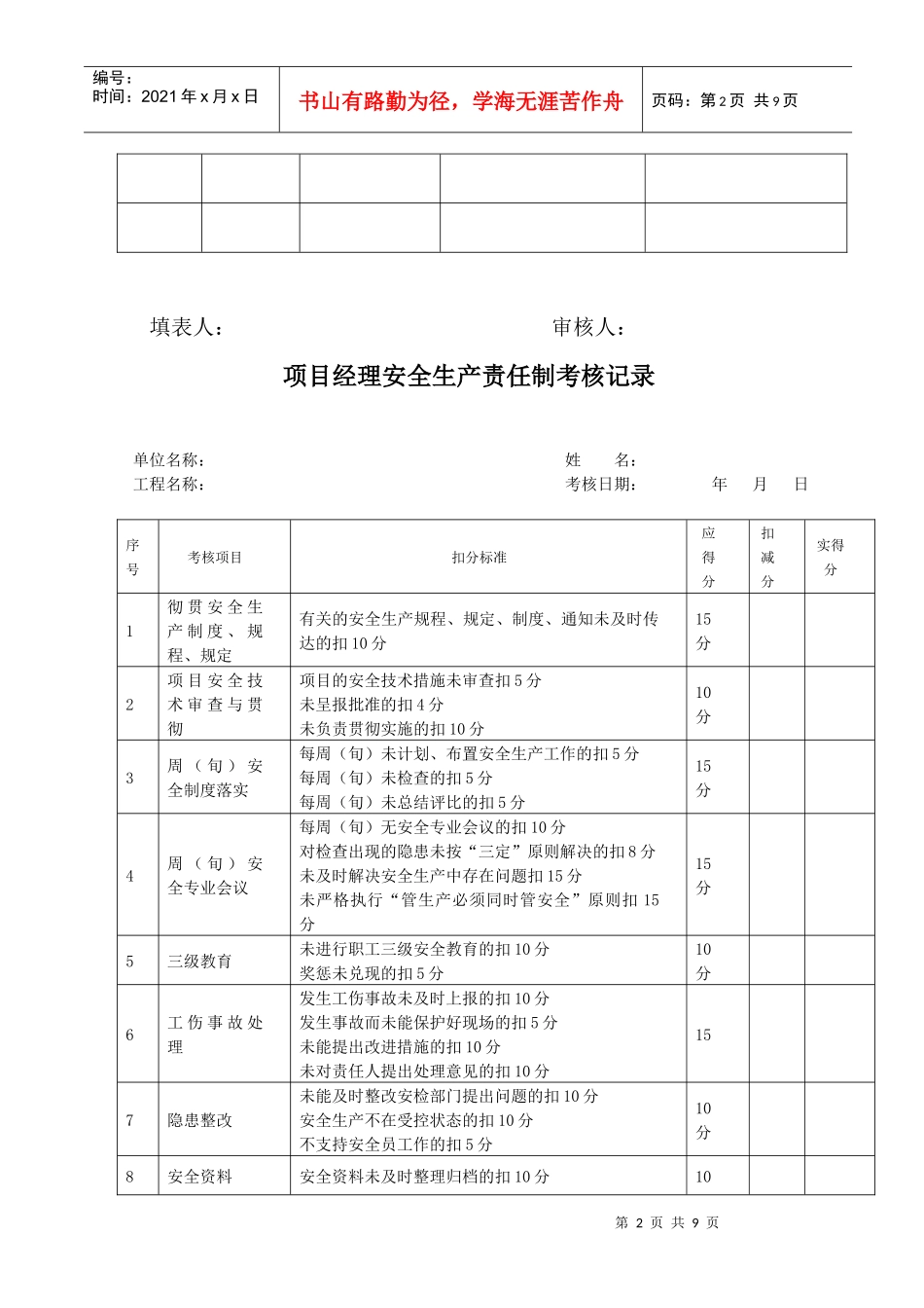
第1页共9页编号:时间:2021年x月x日书山有路勤为径,学海无涯苦作舟页码:第1页共9页项目管理人员安全生产责任制考核记录汇总表工程名称:考核日期:序号姓名职务考核结果备注第2页共9页第1页共9页编号:时间:2021年x月x日书山有路勤为径,学海无涯苦作舟页码:第2页共9页填表人:审核人:项目经理安全生产责任制考核记录单位名称:姓名:工程名称:考核日期:年月日序号考核项目扣分标准应得分扣减分实得分1彻贯安全生产制度、规程、规定有关的安全生产规程、规定、制度、通知未及时传达的扣10分15分2项目安全技术审查与贯彻项目的安全技术措施未审查扣5分未呈报批准的扣4分未负责贯彻实施的扣10分10分3周(旬)安全制度落实每周(旬)未计划、布置安全生产工作的扣5分每周(旬)未检查的扣5分每周(旬)未总结评比的扣5分15分4周(旬)安全专业会议每周(旬)无安全专业会议的扣10分对检查出现的隐患未按“三定”原则解决的扣8分未及时解决安全生产中存在问题扣15分未严格执行“管生产必须同时管安全”原则扣15分15分5三级教育未进行职工三级安全教育的扣10分奖惩未兑现的扣5分10分6工伤事故处理发生工伤事故未及时上报的扣10分发生事故而未能保护好现场的扣5分未能提出改进措施的扣10分未对责任人提出处理意见的扣10分157隐患整改未能及时整改安检部门提出问题的扣10分安全生产不在受控状态的扣10分不支持安全员工作的扣5分10分8安全资料安全资料未及时整理归档的扣10分10第3页共9页第2页共9页编号:时间:2021年x月x日书山有路勤为径,学海无涯苦作舟页码:第3页共9页分考核项目合计100分考核结果处理意见被考核人签字考核签字项目技术负责人安全生产责任制考核记录单位名称:姓名:工程名称:考核日期:年月日序号考核项目扣分标准应得分扣减分实得分1贯彻安全生产方针、规定、制度未能协助项目经理贯彻安全生产方针的扣20分对项目的安全技术负直接责任未执行的扣20分202编制方案与安全技术措施未组织工程施工组织设计编制的扣10分未向项目技术员、工长及有关人员进行施工方案交底的扣10分未编制冬雨季安全技术措施的扣10分未编制专项施工方案的扣10分未监督检查的扣5分203事故调查分析未参加事故调查分析的扣10分未制定防范措施的扣20分204安全设施的验收未案施工方案组织重要安全设施验收的扣20分20考核项目合计100第4页共9页第3页共9页编号:时间:2021年x月x日书山有路勤为径,学海无涯苦作舟页码:第4页共9页考核结果处理意见被考核人签字考核签字项目施工员安全生产责任制考核记录单位名称:姓名:工程名称:考核日期:年月日序号考核项目扣分标准应得分扣减分实得分1贯彻安全生产制度规程、规定上级有关的安全生产规程、规定、制度未落实的扣10分落实不及时的扣5分组织生产违章指挥的扣10分102安全技术交底未组织实施安全技术措施的扣10分未向班组进行书面安全交底的扣10分未监督班组实施的扣5分153安全保护装置验收未对主管的工作中的安全设施进行验收的扣10分验收不合格使用的扣15分154违章处理违章指挥的扣10分不经常检查施工现场安全设施的扣5分发现隐患不及时消除的扣10分155安全教育未参加新工人三级安全教育的扣15分未坚持班组班前安全教育的扣5分156工伤事故处理发生工伤事故未及时上报的扣10分发生事故而未能保护好现场的扣5分107执行方案未执行施工组织设计、施工方案的扣10分108安全隐患发现的安全隐患未及时整改的扣10分10第5页共9页第4页共9页编号:时间:2021年x月x日书山有路勤为径,学海无涯苦作舟页码:第5页共9页考核项目合计100考核结果处理意见被考核人签字考核签字项目安全员安全生产责任制考核记录单位名称:姓名:工程名称:考核日期:年月日序号考核项目扣分标准应得分扣减分实得分1业务知识对有关安全法规、业务知识不熟悉的扣20分202贯彻执行安全生产规章、制度未认真贯彻国家的安全生产政策、有关条例、各项规章制度的扣10分103都督、指导、检查未监督实施各项安全措施安全交底的扣10分未制止违章指挥违章作业的扣10分未指导检查班组班前、班后安全活动的扣10分未及时总结、推广、交流安全生产经验的扣10分304安全设施验收未参加各种安全...

1、当您付费下载文档后,您只拥有了使用权限,并不意味着购买了版权,文档只能用于自身使用,不得用于其他商业用途(如 [转卖]进行直接盈利或[编辑后售卖]进行间接盈利)。
2、本站所有内容均由合作方或网友上传,本站不对文档的完整性、权威性及其观点立场正确性做任何保证或承诺!文档内容仅供研究参考,付费前请自行鉴别。
3、如文档内容存在违规,或者侵犯商业秘密、侵犯著作权等,请点击“违规举报”。

碎片内容

4、安全生产责任制考核表

确认删除?
VIP
微信客服
  • 扫码咨询
会员Q群
  • 会员专属群点击这里加入QQ群
客服邮箱
回到顶部