电脑桌面
添加小米粒文库到电脑桌面
安装后可以在桌面快捷访问

XXXX年10月安全工作月报VIP免费

XXXX年10月安全工作月报_第1页
1/22
XXXX年10月安全工作月报_第2页
2/22
XXXX年10月安全工作月报_第3页
3/22
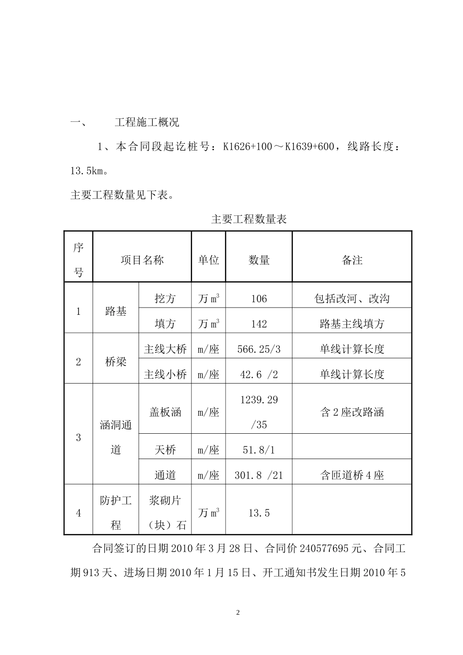
安全工作报告四川武通路桥工程局遵义至毕节高速公路第六合同段项目经理部二0一0年十月二十八日1一、工程施工概况1、本合同段起讫桩号:K1626+100~K1639+600,线路长度:13.5km。主要工程数量见下表。主要工程数量表序号项目名称单位数量备注1路基挖方万m3106包括改河、改沟填方万m3142路基主线填方2桥梁主线大桥m/座566.25/3单线计算长度主线小桥m/座42.6/2单线计算长度3涵洞通道盖板涵m/座1239.29/35含2座改路涵天桥m/座51.8/1通道m/座301.8/21含匝道桥4座4防护工程浆砌片(块)石万m313.5合同签订的日期2010年3月28日、合同价240577695元、合同工期913天、进场日期2010年1月15日、开工通知书发生日期2010年52月5日、实际开工日期2010年5月5日。2、合同价调整:合同价格没有调整,合同金额240577695元。3、本月工程实施情况:本月工程实施按照生产计划稳步前进,质量自检体系运行正常,质量、安全、文明施工措施基本到位,重要工程、控制性工程实施基本按计划进行。二、当月风险源、风险点罗列及控制预防措施三、本月存在主要安全问题、隐患及处理情况见下表3隐患排查登记表合同段:62010年10月序号地点或桩号隐患类型治理情况或治理措施、计划备注1K1631+500小桥基坑垮塌根据斜坡坑壁的方法施工,严格按照设计图纸及规范的要求进行放坡,基坑施工时不可延续时间过长,自基坑开挖至基础完成,应抓紧连续不断施工。2K1630+900~K1631+010左侧挡墙安全隐患部分人员未带安全帽,项目部技术人员当场进行安全教育,并严重警告后再参加作业。3456填报:日期:监理:日期:4四、施工现场安全管理状况本月无民事纠纷、无合同纠纷、无环保纠纷及投诉、无保畅纠纷及投诉、无工伤死亡事故发生、无重伤事故发生、无重大交通事故和火灾事故发生、无重大机械设备事故、无重大环境污染事故、轻伤负伤率控制在了10‰以内。基本实现了本月安全管理目标。1)、进场后对工程项目施工进行建章立制,制定安全生产管理制度,拟定施工安全操作规程规定,并将制度及规程规定上墙。2)、对各工区和施工队进行安全技术交底,安全生产管理制度和施工安全操作规程规定以文件的形式印发到施工队。3)、深入班组组织工人学习安全生产管理制度和施工安全操作规程规定,对全体施工人员进行安全生产思想教育,提高施工人员的安全意识。4)、对爆破材料实行物质保管、台帐登记、钥匙、密码等综合管理,以防爆破物质的流失。安排专人进行爆破,确保施工安全。5)、定期或不定期地对各工地进行检查,对爆破材料的使用管理,5工地高危边坡施工存在的不安全因素,发现安全隐患及时整改,将事故制止在萌芽状态,杜绝安全事故的发生。6)、对重型机械、运输车辆施工操作进行安全技术交底,要求严格按照相关操作规程规定进行施工作业,杜绝事故的发生。7)、在施工地段设立各种安全警示牌,示意过往车辆及行人安全行驶。8)、及时清理因施工造成的便道堵塞及障碍,保证便道畅通。9)、在施工现场布置了安全宣传标语、环保水保宣传横幅、宣传标志和警示标示。投入总价值二万余元。在主要工作面配备了卫生环保人员,专门打扫作业面的环境卫生和生活垃圾的处理。无重大环境污染,未发现职业病人员。10)、施工用电管理施工用电是我项目部长抓不懈的安全工作。项目部不断加强施工用电安全管理。生活用电达到安全用电规范要求。按照相关的国家标准和要求,每月都对施工现场和生活区的用电进行一次安全用电检查,对不符合规定的电线、配电箱、机电设备和灯具进行更换。严格执行施工电安全管理规定的处罚制度,确保了安全用电。11)、办公室日常事务处理6在搞好施工现场的安全管理工作的同时,项目部内部日常事务有条不紊的开展。对进出入施工区运输车辆携物证的签发和报批日常文件、报表;工区内车辆专用通行证的办理和管理都均及时上报。12)、安全保证体系的建立和完善通过我们的不懈努力,安全生产责任制体系和各种安全管理的规章制度不断建立健全趋于完善。从一般职工再到生产一线的班组长。每一个部门,甚至每一个人,安全生产的职责、义务统统建立健全,使大家更加明白安全管理不是哪一个部门的事情,更不是那一个人的事情,...

1、当您付费下载文档后,您只拥有了使用权限,并不意味着购买了版权,文档只能用于自身使用,不得用于其他商业用途(如 [转卖]进行直接盈利或[编辑后售卖]进行间接盈利)。
2、本站所有内容均由合作方或网友上传,本站不对文档的完整性、权威性及其观点立场正确性做任何保证或承诺!文档内容仅供研究参考,付费前请自行鉴别。
3、如文档内容存在违规,或者侵犯商业秘密、侵犯著作权等,请点击“违规举报”。

碎片内容

XXXX年10月安全工作月报

确认删除?
VIP
微信客服
  • 扫码咨询
会员Q群
  • 会员专属群点击这里加入QQ群
客服邮箱
回到顶部