电脑桌面
添加小米粒文库到电脑桌面
安装后可以在桌面快捷访问

安全生产标准化考评表[最新)VIP免费

安全生产标准化考评表[最新)_第1页
1/33
安全生产标准化考评表[最新)_第2页
2/33
安全生产标准化考评表[最新)_第3页
3/33
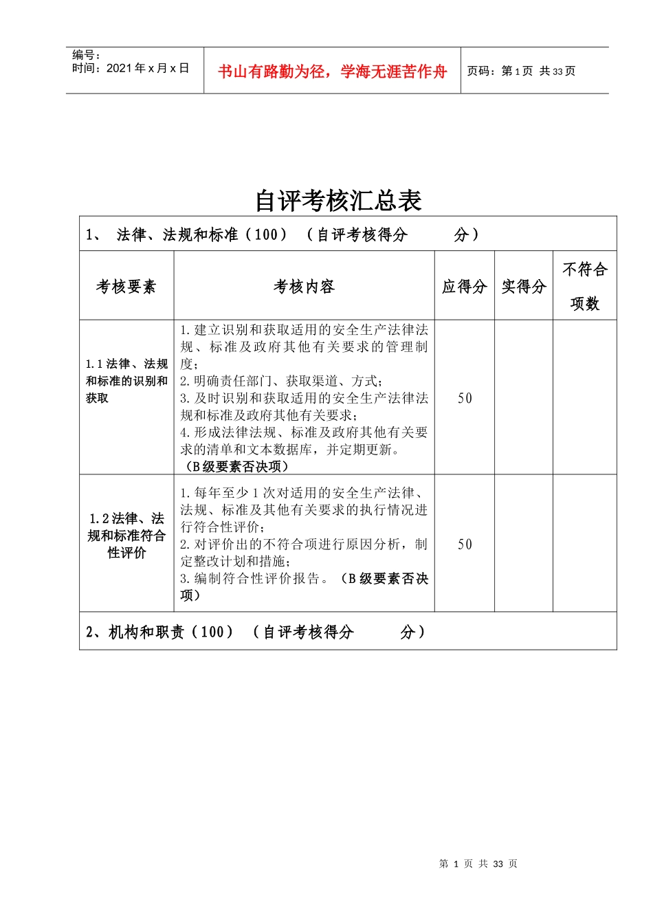
第1页共33页编号:时间:2021年x月x日书山有路勤为径,学海无涯苦作舟页码:第1页共33页自评考核汇总表1、法律、法规和标准(100)(自评考核得分分)考核要素考核内容应得分实得分不符合项数1.1法律、法规和标准的识别和获取1.建立识别和获取适用的安全生产法律法规、标准及政府其他有关要求的管理制度;2.明确责任部门、获取渠道、方式;3.及时识别和获取适用的安全生产法律法规和标准及政府其他有关要求;4.形成法律法规、标准及政府其他有关要求的清单和文本数据库,并定期更新。(B级要素否决项)501.2法律、法规和标准符合性评价1.每年至少1次对适用的安全生产法律、法规、标准及其他有关要求的执行情况进行符合性评价;2.对评价出的不符合项进行原因分析,制定整改计划和措施;3.编制符合性评价报告。(B级要素否决项)502、机构和职责(100)(自评考核得分分)第2页共33页第1页共33页编号:时间:2021年x月x日书山有路勤为径,学海无涯苦作舟页码:第2页共33页2.1方针目标第一项:1.主要负责人组织制定符合本企业实际的、文件化的安全生产方针;2.主要负责人组织制定符合企业实际的、文件化的年度安全生产目标;3.安全生产目标应满足:(1)形成文件,并得到所有从业人员的贯彻和实施;(2)符合或严于相关法律法规的要求;(3)与企业的职业安全健康风险相适应;(4)根据安全生产目标制定量化的安全生产工作指标;(5)应以公众易于获得的方式发布安全生产目标。(B级要素否决项)20第二项:1.将企业年度安全目标分解到各级组织(包括各个管理部门、车间、班组),签订安全生产目标责任书;2.定期考核安全生产目标完成情况;3.企业及各级组织应制定切实可行的年度安全生产工作计划。2.2负责人第一项:1.明确企业主要负责人是安全生产第一责任人;2.主要负责人对本单位的危险化学品安全管理工作全面负责,落实安全生产基础与基层工作。20第二项:1.主要负责人组织开展安全生产标准化建设;2.制定安全生产标准化实施方案,明确实施时间、计划、责任部门和责任人;3.制定安全文化建设计划或方案;二级企业应初步形成安全文化体系(A级要素否决项)第三项:1.安全承诺的内容应明确、公开、文件化;2.主要负责人应确保安全生产标准化所需的资金、人员、时间、设备设施等资源。第3页共33页第2页共33页编号:时间:2021年x月x日书山有路勤为径,学海无涯苦作舟页码:第3页共33页第四项:主要负责人定期组织召开安委会会议,或定期听取安全生产工作情况汇报,了解安全生产状况,解决安全生产问题。第五项:1.落实领导干部带班制度;2.主要负责人要对领导干部带班负全责。(B级要素否决项)2.3职责第一项:制定安委会和各管理部门及基层单位的安全职责。30第二项:1.明确主要负责人安全职责,对《安全生产法》规定的主要负责人安全职责进行细化;2.明确各级管理人员的安全职责,做到“一岗一责”;3.明确从业人员安全职责,做到“一岗一责”。1.未建立安全生产责任制,扣100分(A级要素否决项);2.主要负责人对其安全职责不清楚,扣30分(B级要素否决项)。第三项:1.建立安全生产责任制考核机制;2.对企业负责人、各级管理部门、管理人员及从业人员安全生产责任制进行定期考核,予以奖惩。二级企业建立了健全的安全生产责任制和安全生产规章制度体系,并能够持续改进。不符合,扣100分(A级要素否决项)。第4页共33页第3页共33页编号:时间:2021年x月x日书山有路勤为径,学海无涯苦作舟页码:第4页共33页2.4组织机构第一项:1.设置安委会;2.设置安全管理机构或配备专职安全管理人员。安全生产管理机构要具备相对独立职能。专职安全生产管理人员应不少于企业员工总数的2%(不足50人的企业至少配备1人),要具备化工或安全管理相关专业中专以上学历,有从事化工生产相关工作2年以上经历;(A级要素否决项)3.按规定配备注册安全工程师,且至少有一名具有3年化工安全生产经历;或委托安全生产中介机构选派注册安全工程师提供安全生产管理服务。20第二项:1.根据生产经营规模设置相应管理部门;2.生产、储存剧毒化学品、易制毒危险化学品的单位,应当设置治安保卫机构,配备专职治安...

1、当您付费下载文档后,您只拥有了使用权限,并不意味着购买了版权,文档只能用于自身使用,不得用于其他商业用途(如 [转卖]进行直接盈利或[编辑后售卖]进行间接盈利)。
2、本站所有内容均由合作方或网友上传,本站不对文档的完整性、权威性及其观点立场正确性做任何保证或承诺!文档内容仅供研究参考,付费前请自行鉴别。
3、如文档内容存在违规,或者侵犯商业秘密、侵犯著作权等,请点击“违规举报”。

碎片内容

安全生产标准化考评表[最新)

中小学教育精品资料+ 关注
实名认证
内容提供者

中小学教育资料,优质文档创作者

确认删除?
VIP
微信客服
  • 扫码咨询
会员Q群
  • 会员专属群点击这里加入QQ群
客服邮箱
回到顶部