电脑桌面
添加小米粒文库到电脑桌面
安装后可以在桌面快捷访问

控制电缆国网技术规范专用部分(完成)VIP免费

控制电缆国网技术规范专用部分(完成)_第1页
1/9
控制电缆国网技术规范专用部分(完成)_第2页
2/9
控制电缆国网技术规范专用部分(完成)_第3页
3/9
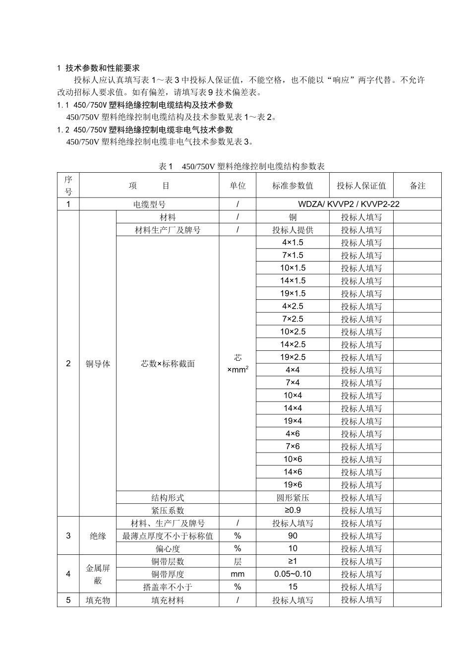
招标文件X450/750V塑料绝缘控制电缆专用技术规范xxxxx电力公司20XX年X月目次1技术参数和性能要求..................................................................11.1450/750V塑料绝缘控制电缆结构及技术参数......................................11.2450/750V塑料绝缘控制电缆非电气技术参数......................................12项目需求部分........................................................................32.1货物需求及供货范围一览表......................................................32.2必备的备品备件、专用工具和仪器仪表需求表......................................42.3投标人应提供的有关资料........................................................42.4工程概况......................................................................42.5使用条件......................................................................52.6项目单位技术差异表............................................................53投标人响应部分.......................................................................63.1技术偏差......................................................................63.2投标产品的销售及运行业绩表....................................................63.3主要原材料产地表..............................................................63.4推荐的备品备件、专用工具和仪器仪表供货表......................................61技术参数和性能要求投标人应认真填写表1~表3中投标人保证值,不能空格,也不能以“响应”两字代替。不允许改动招标人要求值。如有偏差,请填写表9技术偏差表。1.1450/750V塑料绝缘控制电缆结构及技术参数450/750V塑料绝缘控制电缆结构及技术参数见表1~表2。1.2450/750V塑料绝缘控制电缆非电气技术参数450/750V塑料绝缘控制电缆非电气技术参数见表3。表1450/750V塑料绝缘控制电缆结构参数表序号项目单位标准参数值投标人保证值备注1电缆型号/WDZA/KVVP2/KVVP2-222铜导体材料/铜投标人填写材料生产厂及牌号/投标人提供投标人填写芯数×标称截面芯×mm24×1.5投标人填写7×1.5投标人填写10×1.5投标人填写14×1.5投标人填写19×1.5投标人填写4×2.5投标人填写7×2.5投标人填写10×2.5投标人填写14×2.5投标人填写19×2.5投标人填写4×4投标人填写7×4投标人填写10×4投标人填写14×4投标人填写19×4投标人填写4×6投标人填写7×6投标人填写10×6投标人填写14×6投标人填写19×6投标人填写结构形式圆形紧压投标人填写紧压系数≥0.9投标人填写3绝缘材料、生产厂及牌号/投标人填写投标人填写最薄点厚度不小于标称值%90投标人填写偏心度%10投标人填写4金属屏蔽铜带层数层≥1投标人填写铜带厚度mm0.05~0.10投标人填写搭盖率不小于%15投标人填写5填充物填充材料/投标人填写投标人填写第2页共9页编号:时间:2021年x月x日书山有路勤为径,学海无涯苦作舟页码:第2页共9页6隔离套隔离材料/投标人填写投标人填写7内衬层材料/投标人填写投标人填写厚度%80投标人填写9铠装层材料/镀锌钢带投标人填写采用铠装电缆时填写钢带层数层双层投标人填写采用铠装电缆时填写10外护套材料/PVC投标人填写材料生产厂及牌号/投标人提供投标人填写颜色/黑色/红色投标人填写最薄点厚度不小于标称值%80投标人填写采用铠装电缆时填写最薄点厚度不小于标称值%85投标人填写采用非铠装电缆时填写表2450/750V塑料绝缘控制电缆技术参数表序号项目单位标准参数值投标人保证值备注1电缆型号KVVP2/KVVP2-22电缆截面220℃时铜导体最大直流电阻Ω/km12.1投标人填写4×1.512.1投标人填写7×1.512.1投标人填写10×1.512.1投标人填写14×1.512.1投标人填写19×1.57.41投标人填写4×2.57.41投标人填写7×2.57.41投标人填写10×2.57.41投标人填写14×2.57.41投标人填写19×2.54.61投标人填写4×44.61投标人填写7×44.61投标人填写10×44.61投标人填写14×44.61投标人填写19×43.08投标人填写4×63.08投标人填写7×63.08...

1、当您付费下载文档后,您只拥有了使用权限,并不意味着购买了版权,文档只能用于自身使用,不得用于其他商业用途(如 [转卖]进行直接盈利或[编辑后售卖]进行间接盈利)。
2、本站所有内容均由合作方或网友上传,本站不对文档的完整性、权威性及其观点立场正确性做任何保证或承诺!文档内容仅供研究参考,付费前请自行鉴别。
3、如文档内容存在违规,或者侵犯商业秘密、侵犯著作权等,请点击“违规举报”。

碎片内容

控制电缆国网技术规范专用部分(完成)

中小学文库+ 关注
实名认证
内容提供者

精品资料应用尽有

确认删除?
VIP
微信客服
  • 扫码咨询
会员Q群
  • 会员专属群点击这里加入QQ群
客服邮箱
回到顶部