电脑桌面
添加小米粒文库到电脑桌面
安装后可以在桌面快捷访问

湖南省安全技术防范系统VIP免费

湖南省安全技术防范系统_第1页
1/18
湖南省安全技术防范系统_第2页
2/18
湖南省安全技术防范系统_第3页
3/18
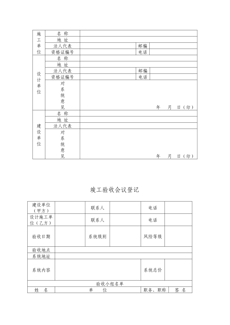
编号湖南省安全技术防范系统竣工验收申报登记表技防系统名称设计单位施工单位湖南省公安厅技防管理工作办公室制说明:1、本表第一页由施工单位、设计单位和建设单位填写2、本表第2—10页由为验收组验收时验收组填写施工单位名称地址法人代表邮编资格证编号电话设计单位名称地址法人代表邮编资格证编号电话对系统意见年月日(印)建设单位名称地址法人代表对系统意见年月日(印)竣工验收会议登记建设单位(甲方)联系人电话设计施工单位(乙方)联系人电话验收日期系统级别风险等级验收地点系统地址系统内容系统总价验收小组名单姓名单位职务、职称签名验收报告表填表说明一、设备安装质量检查部分1、在检查结果栏,按实际情况在相应空格内打“√”(左列打“√”,视为合格,中列打“√”,视为基本合格;右列打“√”,视为不合格)。2、检查结果统计:KS(合格率)=[合格数+基本合格数×0.6]/项目检查数(项目检查数如无要求或实际缺项未检查的,不计在内)。3、检查结论:Ks(合格率)≥0.8,判于通过;0.8>Ks≥0.6,判为基本通过;Ks<0.6,判为不通过,必要时作简要说明。二、技术验收部分1、在检查结果栏,按实际情况在相应空格内打“√”(左列打“√”,视为合格,中列打“√”,视为基本合格;右列打“√”,视为不合格)。2、检查结果统计:Kj(合格率)=[合格数+基本合格数×0.6]/项目检查数(项目检查数如无要求或实际缺项未检查的,不计在内)。3、检查结论:Kj(合格率)≥0.8,判于通过;0.8>Kj≥0.6,判为基本通过;Kj<0.6,判为不通过,必要时作简要说明。带“★”的为重点项目,检查结果只要有一项不合格,即判为不通过。三、资料审查部分1、在审查结果栏,按实际情况在相应的空格内打“√”(左列打“√”视为合格;中列打“√”视为基本合格;右列打“√”,视为不合格)。2、对三级安全防范系统,序号第3、4、10项内容可简或略。3、审查结果统计:检查结果统计:KZ(合格率)=[合格数+基本合格数×0.6]/项目检查数(项目审查数如不作要求或实际缺项未检查的,不计在内)。4、检查结论:Kz(合格率)≥0.8,判于通过;0.8>Kz≥0.6,判为基本通过;Kz<0.6,即判为不通过。四、验收结论汇总部分:1、在无重点项目不合格的条件下,Ks、Kj、Kz均≥0.8,判为通过。2、在无重点项目不合格的条件下,Ks、Kj、Kz均≥0.6,但达不到Ks、Kj、Kz均≥0.8,判为基本通过。3、Ks、Kj、Kz中有一项小于0.6的或者重点项目检查结果不合格的,判为不通过。4、验收结论一律填写“通过”或“基本通过”或“不通过”。设备安装质量检查项目要求方法检查结果抽查百分数前端设备1、安装位置(方向)合理、有效现场抽查观察正确基本正确不正确5%-10%(10台以下至少验收3台)2、安装质量(工艺)牢固、整洁、美观、规范现场抽查观察良好基本良好不好3、线缆连接视频电缆一线到位,接插件可靠,电源线与信号线、控制线分开,走向顺直,无扭绞复核、抽查或对照图纸资料符合要求基本符合要求不符合4、通电工作正常现场通电检查正常基本正常不正常100%5、操作台、机架安装平衡、合理现场观察体会合理基本合理不合理100%6、控制设备安装操作方便、安全现场观察体会合理基本合理不合理7、开关、按钮灵活、安全现场观察询问良好基本良好不好8、机柜、设备接地符合GB50057等电位接地要求现场观察询问符合基本符合不符合9、接地电阻符合GB50198规定复核弱电系统接地电阻测试数据现场观察合格不合格10、机架电缆线扎及标识整齐、有明显编号、标识现场观察整齐、有标识基本整齐有标识不整齐或无标识11、电源引入线缆标识引入线端标识明显、牢靠现场观察有,牢靠基本符合要求不符合要求12、通电工作正常现场通电正常基本正常不正常检查结果统计:Ks(合格率)安装质量检查结论施工验收组人员签名:验收日期:技术验收序号检查项目检查要求与方法检查结果合格基本合格不合格基本要求1系统主要技术性能系统的主要功能和主要技术指标满足设计任务书要求,符合有关标准和政府管理部门有关规定2设备配置产品的名称、型号、数量及安装部位与正式设计方案相符3主要技防产品、设备的质量保证系统选用的技...

1、当您付费下载文档后,您只拥有了使用权限,并不意味着购买了版权,文档只能用于自身使用,不得用于其他商业用途(如 [转卖]进行直接盈利或[编辑后售卖]进行间接盈利)。
2、本站所有内容均由合作方或网友上传,本站不对文档的完整性、权威性及其观点立场正确性做任何保证或承诺!文档内容仅供研究参考,付费前请自行鉴别。
3、如文档内容存在违规,或者侵犯商业秘密、侵犯著作权等,请点击“违规举报”。

碎片内容

湖南省安全技术防范系统

确认删除?
VIP
微信客服
  • 扫码咨询
会员Q群
  • 会员专属群点击这里加入QQ群
客服邮箱
回到顶部