电脑桌面
添加小米粒文库到电脑桌面
安装后可以在桌面快捷访问

表1典型生产资料批发企业经营情况统计年报表VIP免费

表1典型生产资料批发企业经营情况统计年报表_第1页
1/11
表1典型生产资料批发企业经营情况统计年报表_第2页
2/11
表1典型生产资料批发企业经营情况统计年报表_第3页
3/11
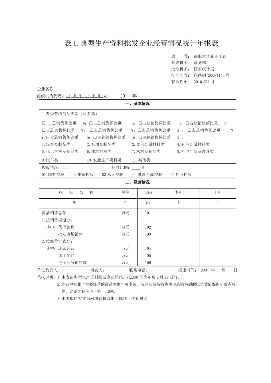
表1.典型生产资料批发企业经营情况统计年报表企业名称:组织机构代码:□□□□□□□□-□20年一、基本情况主要经营的商品类别(可多选):□占总销售额比重%;□占总销售额比重%;□占总销售额比重%;□占总销售额比重%;□占总销售额比重%;□占总销售额比重%;□占总销售额比重%;□占总销售额比重%;□占总销售额比重%;□占总销售额比重%;□占总销售额比重%。1.煤炭及制品类2.石油及制品类3.黑色金属材料类4.有色金属材料类5.化工材料及制品类6.建筑材料类7.木材及制品类8.机电产品及设备类9.汽车类10.农业生产资料类11.其他类控股情况:□□控股比例:%01国有控股02集体控股03私人控股04港澳台商控股05外商控股二、经营情况指标名称单位代码本年上年甲乙丙12商品销售总额1.按销售渠道分:其中:代理销售批发市场销售2.按经营方式分:其中:连锁经营加工配送电子商务销售额万元万元万元万元万元万元101102103104105106单位负责人:填表人:联系电话:报出时间:200年月日填报说明:1.本表由典型生产资料批发企业填报,报送时间为年后2月28日前。2.本表中企业“主要经营的商品类别”可多选,所经营商品销售额占总销售额的比重数值保留小数点后一位,比重之和应小于等于100%。3.本表报送方式为网络直报或电子邮件、传真报送。表号:商服生资企业1表制表机关:商务部批准机关:国家统计局批准文号:国统制[2008]140号有效期至:2010年1月表2.典型零售企业经营情况统计季报表(百货店、超市、便利店、专业店、专卖店)企业名称:组织机构代码:□□□□□□□□-□2009年季度一、基本情况所属集团:成立时间:总部所在地:联系电话:登记注册类型:□□□110国有企业140联营企业170私营企业200港澳台商投资企业120集体企业150有限责任公司190其他内资企业300外商投资企业130股份合作企业160股份有限公司400个体工商户控股情况:□□控股比例:%01国有控股02集体控股03私人控股04港澳台商控股05外商控股经营方式:□□01连锁02非连锁零售业态:□□11百货店21超市(含大型超市、仓储会员店)31便利店41家电专业店42家居专业店43体育用品专业店44药品专业店45其他专业店51服装专卖店52食品专卖店53其他专卖店信息化建设情况:在用计算机数量台;信息系统建设投入万元;收银机数量台自有品牌商品情况:单品数量个;涉及商品种类类;年销售额占销售总额比%物流配送情况:自有配送中心数量个;自有配送中心面积万平方米;配送车辆辆年末营业面积:平方米;年末从业人数:人;厂家促销人员数人营业成本:万元,其中房租(自有物业为折旧费用)万元;水电费万元;工资万元社会集团销售占销售总额比:%持卡销售占销售总额比:%网络销售占销售总额比:%会员销售占销售总额比:%二、经营情况项目单位代码本期去年同期甲乙丙12表号:商服批零企业1表制表机关:商务部批准机关:国家统计局批准文号:国统制[2008]140号有效期至:2010年1月门店数其中:直营店总数商品销售总额其中:直营店销售额费用总额应交税金可比店铺销售增幅个个万元万元万元万元%101102103104105106107单位负责人:统计负责人:填表人:报送日期:200年月日填报说明:1.本表由典型零售企业报送,其中:百货店由具有法人资格的企业填报,超市、便利店、专业店、专卖店由企业总部或连锁总店填报。同一集团经营多种业态,每种业态分别填报。2.本表第一部分为年报,报送时间为年后2月28日前,第二部分为季报,报送时间为季后15日前。报送方式为网络直报、电子邮件或传真。表3.典型商业企业集团、购物中心情况统计年报表(一)单位名称:组织机构代码:□□□□□□□□-□2008年度表号:商服企业集团1表制表机关:商务部批准机关:国家统计局批准文号:国统制[2008]140号有效期至:2010年1月单位负责人:统计负责人:填表人:报出时间:20年月日填表说明:1、本表由典型商业企业集团和典型购物中心企业填报;典型商业企业集团由集团总部汇总后上报。2、本表为年度数据(即本年度内1月1日——12月31日发生的全年经营数据),报送时间为年后2月28日前;3、报送方式为网络报送或电子邮件、传真。典型商业企业集团零售业成员企...

1、当您付费下载文档后,您只拥有了使用权限,并不意味着购买了版权,文档只能用于自身使用,不得用于其他商业用途(如 [转卖]进行直接盈利或[编辑后售卖]进行间接盈利)。
2、本站所有内容均由合作方或网友上传,本站不对文档的完整性、权威性及其观点立场正确性做任何保证或承诺!文档内容仅供研究参考,付费前请自行鉴别。
3、如文档内容存在违规,或者侵犯商业秘密、侵犯著作权等,请点击“违规举报”。

碎片内容

表1典型生产资料批发企业经营情况统计年报表

确认删除?
VIP
微信客服
  • 扫码咨询
会员Q群
  • 会员专属群点击这里加入QQ群
客服邮箱
回到顶部