电脑桌面
添加小米粒文库到电脑桌面
安装后可以在桌面快捷访问

消防设备安装表(一)VIP免费

消防设备安装表(一)_第1页
1/5
消防设备安装表(一)_第2页
2/5
消防设备安装表(一)_第3页
3/5
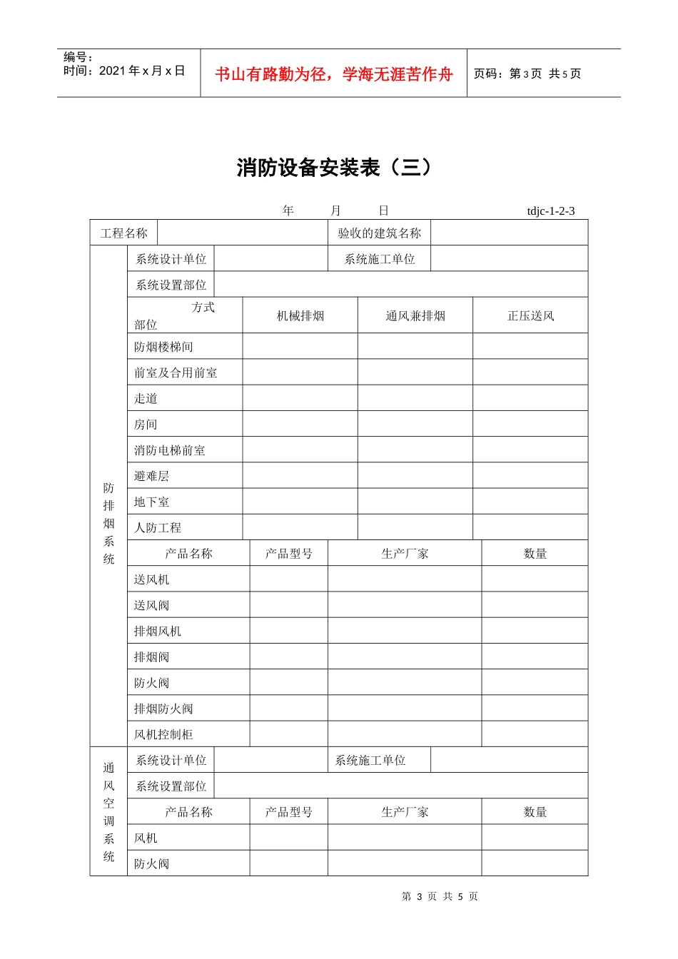
第1页共5页编号:时间:2021年x月x日书山有路勤为径,学海无涯苦作舟页码:第1页共5页消防设备安装表(一)年月日tdjc-1-2-1工程名称验收的建筑名称火灾报警系统系统设计单位系统施工单位产品名称产品型号生产厂家数量集中控制器区域控制器楼层显示盘感烟探测器感温探测器红外线探测器感温电缆空气管式空气采样手动按钮模块声光报警器火灾事故广播系统系统设计单位系统施工单位产品名称产品型号生产厂家数量扩音机备用扩音机扬声器分配盘消防通讯系统设计单位系统施工单位产品名称产品型号生产厂家数量内线电话电话插孔外线电话消防控制室系统设计单位系统施工单位产品名称产品型号生产厂家数量控制室位置控制室面积耐火等级出入口数量应有控制功能数实有控制功能数缺何种控制功能第2页共5页第1页共5页编号:时间:2021年x月x日书山有路勤为径,学海无涯苦作舟页码:第2页共5页消防设备安装表(二)年月日tdjc-1-2-2工程名称验收的建筑名称喷洒灭火系统系统设计单位系统施工单位系统类型1.自动喷水灭火系统2.水喷雾灭火系统3.泡沫灭火系统系统种类湿式干式预作用干、湿两用雨淋系统系统设置部位产品名称产品型号生产厂家数量喷洒头水流指示器报警阀压力开关喷洒水泵稳压泵气压水罐水泵接合器电控柜/箱室内消火栓系统系统设计单位系统施工单位产品名称产品型号生产厂家数量消火栓箱室内消火栓消防水带消防水枪接口消防水泵水泵接合器气压水罐稳压泵电控柜/箱第3页共5页第2页共5页编号:时间:2021年x月x日书山有路勤为径,学海无涯苦作舟页码:第3页共5页消防设备安装表(三)年月日tdjc-1-2-3工程名称验收的建筑名称防排烟系统系统设计单位系统施工单位系统设置部位方式部位机械排烟通风兼排烟正压送风防烟楼梯间前室及合用前室走道房间消防电梯前室避难层地下室人防工程产品名称产品型号生产厂家数量送风机送风阀排烟风机排烟阀防火阀排烟防火阀风机控制柜通风空调系统系统设计单位系统施工单位系统设置部位产品名称产品型号生产厂家数量风机防火阀第4页共5页第3页共5页编号:时间:2021年x月x日书山有路勤为径,学海无涯苦作舟页码:第4页共5页消防设备安装表(四)年月日tdjc-1-2-4工程名称验收的建筑名称气体自动灭火系统系统设计单位系统施工单位系统形式1.全淹没系统2.局部应用系统1.有管网2.无管网系统类型储罐(储量/瓶)系统设置部位产品名称产品型号生产厂家数量灭火剂储存容器启动钢瓶分配阀压力开关喷头集中报警器钢瓶分配阀感烟探测器感温探测器紧急启动按钮紧急截止按钮联动模块声光报警盒放气指示灯电磁阀安全疏散系产品名称产品型号生产厂家数量疏散指示灯应急照明灯防火门第5页共5页第4页共5页编号:时间:2021年x月x日书山有路勤为径,学海无涯苦作舟页码:第5页共5页统防火卷帘消防电梯

1、当您付费下载文档后,您只拥有了使用权限,并不意味着购买了版权,文档只能用于自身使用,不得用于其他商业用途(如 [转卖]进行直接盈利或[编辑后售卖]进行间接盈利)。
2、本站所有内容均由合作方或网友上传,本站不对文档的完整性、权威性及其观点立场正确性做任何保证或承诺!文档内容仅供研究参考,付费前请自行鉴别。
3、如文档内容存在违规,或者侵犯商业秘密、侵犯著作权等,请点击“违规举报”。

碎片内容

消防设备安装表(一)

确认删除?
VIP
微信客服
  • 扫码咨询
会员Q群
  • 会员专属群点击这里加入QQ群
客服邮箱
回到顶部