电脑桌面
添加小米粒文库到电脑桌面
安装后可以在桌面快捷访问

某公司项目生产场站安全生产标准化考评检查表VIP免费

某公司项目生产场站安全生产标准化考评检查表_第1页
1/45
某公司项目生产场站安全生产标准化考评检查表_第2页
2/45
某公司项目生产场站安全生产标准化考评检查表_第3页
3/45
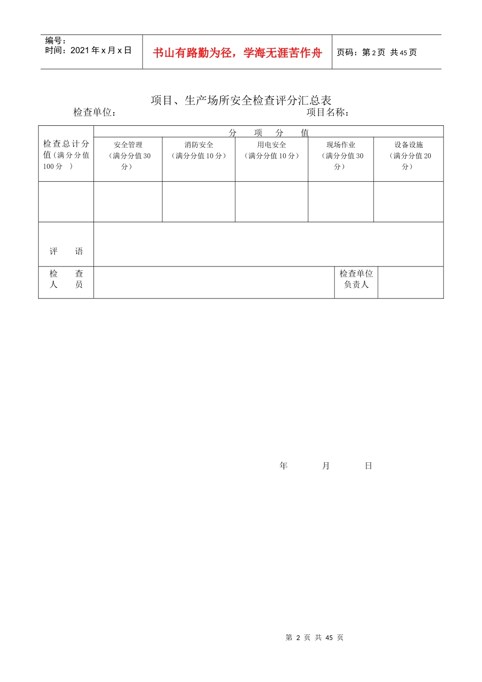
第1页共45页编号:时间:2021年x月x日书山有路勤为径,学海无涯苦作舟页码:第1页共45页西安市政道桥建设有限公司项目、生产场站安全生产标准化考评检查表本标准适用于公司项目施工的安全生产管理活动考评。在按本标准检查时,除应符合本标准外,尚应符合国家现行有关强制性标准的规定。1、本标准分安全管理、消防安全、用电安全、现场作业、设备设施五类分项检查评分表和一项检查评分汇总表。2、五类分项检查评分表中除用电安全、消防安全二项外,其他三类分项检查评分表均含多个子项检查评分表。多个子项检查评分表的算术平均值为该分项检查表的得分;有一个子项检查表得零分,则该分项得零分。3、每个检查表满分均为100分,检查表中的检查项目分为:强制项目(黑体部分)、保证项目、一般项目(注:非保证项目的均为一般项目)。强制项目有一项不符合,则该检查表为零分;保证项目或一般项目在检查表中所占各自合格比例低于70℅,则该检查表为零分;保证项目(除其中的强制项目)每项不符合扣5分;一般项目每项不符合扣2分。4、检查评分不得采用负值。5、汇总表满分为100分。各类分项检查表在汇总表中所占得满分分值应分别为:安全管理30分(表1)、消防安全10分(表2)、用电安全10分(表3)、现场作业30(表4)、设备设施20(表5)。在汇总表中各类分项检查表实得分数应按下式计算:在汇总表中各类分项检查表实得分数=6、汇总表总得分应为各类分项检查表实得分数之和,检查中遇有缺项时,汇总表总得分应按下式换算遇有缺项时汇总表总得分=7、安全检查评价,根据项目考评检查表,在检查结束以后,给项目进行评分。西安市政道桥建设有限公司2016年5月100数该类检查评分表实得分分值汇总表中该类应得满分100得满分的分值之和实查项目在汇总表中应各对应的实得分值之和实查项目在汇总表中按第2页共45页第1页共45页编号:时间:2021年x月x日书山有路勤为径,学海无涯苦作舟页码:第2页共45页项目、生产场所安全检查评分汇总表检查单位:项目名称:年月日检查总计分值(满分分值100分)分项分值安全管理(满分分值30分)消防安全(满分分值10分)用电安全(满分分值10分)现场作业(满分分值30分)设备设施(满分分值20分)评语检查人员检查单位负责人第3页共45页第2页共45页编号:时间:2021年x月x日书山有路勤为径,学海无涯苦作舟页码:第3页共45页Ⅰ表1-安全管理检查表检查单位:检查地点:序号检查项目检查内容检查结果1保证项目组织机构和人员1.是否有安全生产领导机构?2.安全生产领导机构是否每月至少召开一次安全专题会协调解决安全生产问题?会议纪要中是否有工作要求?3.是否按规定配备专职安全管理人员2安全生产责任制1.是否建立安全生产责任制?2.各级各部门是否执行责任制?3.是否制定各工种安全技术操作规程?3目标管理1.是否制定安全管理目标(伤亡控制指标和安全达标指标)?2.是否进行安全责任目标分解?3.有没有责任目标考核规定?4.考核办法是否落实?4安全检查1.是否有定期安全检查制度?2.安全检查是否有纪录?3.事故隐患整改是否做到“定人、定时间、定措施、定资金、定预案”?4.对重大事故隐患整改通知书所列项目是否如期完成?5安全教育1.是否有安全教育培训制度?2.新入单位人员是否进行“三级”安全教育?3.是否有年度安全教育计划??4.是否按照教育培训计划实施,记录是否齐全??5.是否对安全教育培训进行效果评价?6.施工管理人员、专职安全员是否按规定进行年度培训考核?7.关键岗位、特种作业人员是否持证上岗?证书是否在有效期内?6一般项目劳保用品管理1.是否有劳保用品管理制度和年度需求计划?2.是否有劳保用品发放标准?3.劳保用品生产许可证、产品合格证、安全鉴定证和劳动防护安全标志资料是否齐全?4.是否有劳保用品发放记录?7节日值班1、是否制安排了节日值班工作。2、值班、带班人员是否如实记录当日值班情况。8工伤保险、事故管理1.是否建立员工工伤保险管理制度?2.是否建立工伤事故档案?3.工伤事故是否按规定报告?4.工伤事故是否按规定进行调查处理?检查得分检查人员签字注:强制项目有一项不符合,则该检查表为零分;保证项目或一般项目在检查表中所占各自第4页共45页第3页共45页...

1、当您付费下载文档后,您只拥有了使用权限,并不意味着购买了版权,文档只能用于自身使用,不得用于其他商业用途(如 [转卖]进行直接盈利或[编辑后售卖]进行间接盈利)。
2、本站所有内容均由合作方或网友上传,本站不对文档的完整性、权威性及其观点立场正确性做任何保证或承诺!文档内容仅供研究参考,付费前请自行鉴别。
3、如文档内容存在违规,或者侵犯商业秘密、侵犯著作权等,请点击“违规举报”。

碎片内容

某公司项目生产场站安全生产标准化考评检查表

您可能关注的文档

中小学文库+ 关注
实名认证
内容提供者

精品资料应用尽有

确认删除?
VIP
微信客服
  • 扫码咨询
会员Q群
  • 会员专属群点击这里加入QQ群
客服邮箱
回到顶部