电脑桌面
添加小米粒文库到电脑桌面
安装后可以在桌面快捷访问

AUTOCAD中级考试母题VIP免费

AUTOCAD中级考试母题_第1页
1/2
AUTOCAD中级考试母题_第2页
2/2
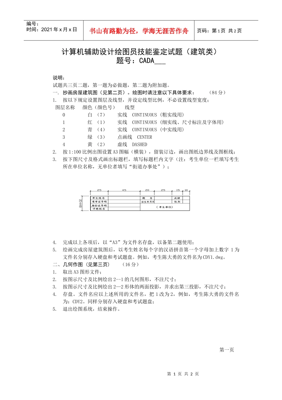
第1页共2页编号:时间:2021年x月x日书山有路勤为径,学海无涯苦作舟页码:第1页共2页计算机辅助设计绘图员技能鉴定试题(建筑类)题号:CADA___说明:试题共三页二题,第一题为必做题,第二题为附加题。一.抄画房屋建筑图(见第二页)。绘图时请注意以下具体要求:(84分)1.按以下规定设置图层及线型,并设定线型比例,不必设置线型宽度;图层名称颜色(颜色号)线型0白(7)实线CONTINUOUS(粗实线用)1红(1)实线CONTINUOUS(细实线、尺寸标注及字体用)2青(4)实线CONTINUOUS(中实线用)3绿(3)点画线CENTER4黄(2)虚线DASHED2.按1:100比例出图设置A3图幅(横装),留装订边,画出图纸边界线及图框线;3.按下图尺寸及格式画出标题栏,填写标题栏内文字(注:考生单位一栏填写考生所在单位名称,无单位者填写“街道办事处”);4.完成以上各项后,以“A3”为文件名存盘,以备第二题使用;5.绘画完成房屋建筑图后,以考生姓名每个字的汉语拼音第一个字母加上数字1为文件名分别存入硬盘和考试题盘。例如,考生陈大勇的文件名为CDY1.dwg。二、几何作图(见第三页)(16分)1.取出A3图形文件;2.按图示尺寸及比例绘出2--1的几何图形,不注尺寸;3.按图示尺寸及比例绘出2—2形体的两面投影,并求出第三投影,不注尺寸;4.存盘。文件名应以上述所用的文件名,把1改为2,例如,考生陈大勇的文件名为:CDY2。同样分别存入硬盘和考试题盘;5.退出绘图系统,结束操作。第一页第2页共2页第1页共2页编号:时间:2021年x月x日书山有路勤为径,学海无涯苦作舟页码:第2页共2页

1、当您付费下载文档后,您只拥有了使用权限,并不意味着购买了版权,文档只能用于自身使用,不得用于其他商业用途(如 [转卖]进行直接盈利或[编辑后售卖]进行间接盈利)。
2、本站所有内容均由合作方或网友上传,本站不对文档的完整性、权威性及其观点立场正确性做任何保证或承诺!文档内容仅供研究参考,付费前请自行鉴别。
3、如文档内容存在违规,或者侵犯商业秘密、侵犯著作权等,请点击“违规举报”。

碎片内容

AUTOCAD中级考试母题

您可能关注的文档

确认删除?
VIP
微信客服
  • 扫码咨询
会员Q群
  • 会员专属群点击这里加入QQ群
客服邮箱
回到顶部