电脑桌面
添加小米粒文库到电脑桌面
安装后可以在桌面快捷访问

上海市工程建设规范现场施工安全生产管理规范资料VIP免费

上海市工程建设规范现场施工安全生产管理规范资料_第1页
1/51
上海市工程建设规范现场施工安全生产管理规范资料_第2页
2/51
上海市工程建设规范现场施工安全生产管理规范资料_第3页
3/51
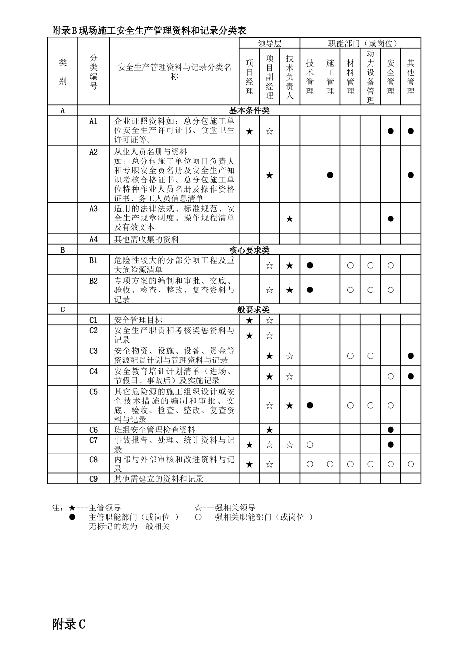
附录A项目部职能部门(或岗位)安全生产管理体系要求职责分配表现场施工安全管理体系要求领导层职能部门(或岗位)项目经理项目副经理技术负责人技木管理施工管理材料管理动力设备管理安全管理其他管理3管理职责3.0.1一般要求★☆☆○○○○○○3.0.2总承包项目部、分包项目部、班组与作业人员的安全职责★☆☆3.0.3项目负责人员的安全职责★☆☆3.0.4各职能部门(或岗位)的安全职责★☆☆○○○○○○3.0.5安全职责的沟通与履行★☆☆○○○○○○3.0.6安全职责的考核奖惩制度★☆☆4策划4.0.1安全管理目标★☆☆4.0.2风险控制措施的策划☆☆★●○○○○○4.0.3风险控制措施的审批与论证☆☆★●4.0.4风险控制措施内容的特别要求☆☆★●○○○○○4.0.5资源配置计划☆★☆○●○○○○4.0.6策划结果的修订和调整☆☆★●○○○○○5实施和检查5.1教育培训☆★☆○○●5.2分包控制☆★☆○●○○○○5.3安全技术交底☆☆★●○○○○○5.4安全验收★☆○●○○○○5.5安全检查☆★☆○○○○●○5.6动态监控☆★☆○●○●○●5.7整改和复查☆★☆○●○○●○5.8应急和事故处理★☆☆○●○○●○5.9考核和奖惩★☆☆6审核和改进6.0.1隐患排查治理☆★☆○●○○●○6.0.2内部审核★☆☆○○○○●○7资料和记录☆★☆○○○○●○注:★---主管领导☆---强相关领导●---主管职能部门(或岗位)○---强相关职能部门(或岗位)无标记的均为一般相关附录B现场施工安全生产管理资料和记录分类表类别分类编号安全生产管理资料与记录分类名称领导层职能部门(或岗位)项目经理项目副经理技术负责人技术管理施工管理材料管理动力设备管理安全管理其他管理A基本条件类A1企业证照资料如:总分包施工单位安全生产许可证书、食堂卫生许可证等。★☆●●A2从业人员名册与资料如:总分包施工单位项目负责人和专职安全员名册及安全生产知识考核合格证书、总分包施工单位特种作业人员名册及操作资格证书、务工人员信息清单★●●A3适用的法律法规、标准规范、安全生产规章制度、操作规程清单及有效文本★●A4其他需收集的资料B核心要求类B1危险性较大的分部分项工程及重大危险源清单☆★●○○○B2专项方案的编制和审批、交底、验收、检查、整改、复查资料与记录☆★●○○○C一般要求类C1安全管理目标★☆C2安全生产职责和考核奖惩资料与记录★☆C3安全物资、设施、设备、资金等资源配置计划与管理资料与记录★☆○○●C4安全教育培训计划清单(进场、节假日、事故后)及实施记录★☆○●C5其它危险源的施工组织设计或安全技术措施的编制和审批、交底、验收、检查、整改、复查资料与记录☆★●○○○C6班组安全管理检查资料★●C7事故报告、处理、统计资料与记录★☆☆○●C8内部与外部审核和改进资料与记录★☆○○○○○○C9其他需建立的资料和记录注:★---主管领导☆---强相关领导●---主管职能部门(或岗位)○---强相关职能部门(或岗位)无标记的均为一般相关附录C表C.0.1工程项目危险性较大的分部分项工程及重大危险源清单序号危险性较大的分部分项工程施工部位/施工环节相关重大危险源施工周期专业承包单位备注类别编号名称开始日期竣工日期12345制表人:审核人:年月附录C工程项目危险性较大的分部分项工程(施工组织设计/专项施工方案)其他存在重大危险源的部位/环节(施工组织设计/专项施工方案/安全技术措施)表C.0.2B2/C5安全交底记录分部分项工程名称/部位/环节名称交底内容:1.施工部位、内容和环境条件;2.专业分包、施工作业班组应自行学习掌握的现行相关标准规范、安全生产规章制度和操作规程;3.本工程风险控制措施明确的、①人、机、料的配备、施工方法及必要的安全防护措施;②检查验收要点,节点等相关要求;③与之衔接、交叉的施工部位、工序等的安全技术措施;④事故应急措施及相关注意事项。技术负责人(交底)签字:接受交底人员签字:年月日附录C工程项目危险性较大的分部分项工程(施工组织设计/专项施工方案)其他存在重大危险源的部位/环节(施工组织设计/专项施工方案/安全技术措施)验收记录表C.0.3B2/C5专业分包或劳务班组名称施工内容及部位验收日期条...

1、当您付费下载文档后,您只拥有了使用权限,并不意味着购买了版权,文档只能用于自身使用,不得用于其他商业用途(如 [转卖]进行直接盈利或[编辑后售卖]进行间接盈利)。
2、本站所有内容均由合作方或网友上传,本站不对文档的完整性、权威性及其观点立场正确性做任何保证或承诺!文档内容仅供研究参考,付费前请自行鉴别。
3、如文档内容存在违规,或者侵犯商业秘密、侵犯著作权等,请点击“违规举报”。

碎片内容

上海市工程建设规范现场施工安全生产管理规范资料

确认删除?
VIP
微信客服
  • 扫码咨询
会员Q群
  • 会员专属群点击这里加入QQ群
客服邮箱
回到顶部