电脑桌面
添加小米粒文库到电脑桌面
安装后可以在桌面快捷访问

服装企业安全生产标准化评定标准VIP免费

服装企业安全生产标准化评定标准_第1页
1/41
服装企业安全生产标准化评定标准_第2页
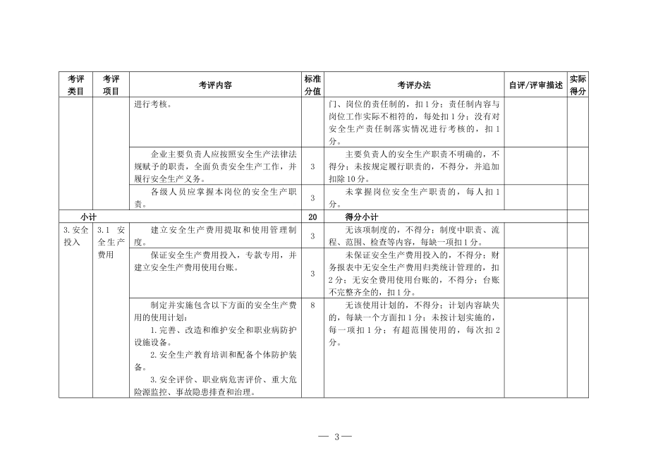
2/41
服装企业安全生产标准化评定标准_第3页
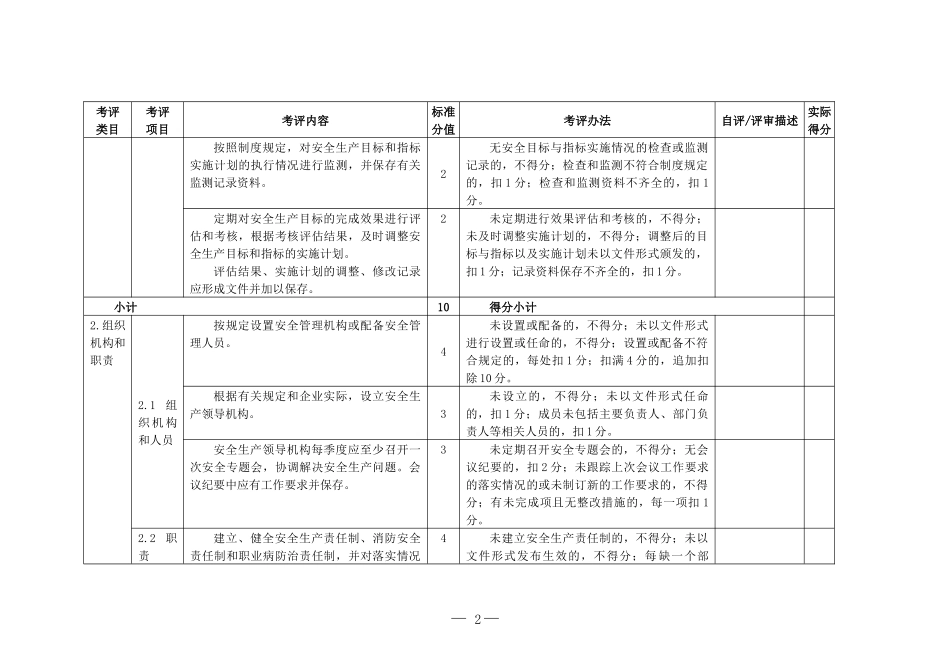
3/41
附表1服装企业安全生产标准化评定标准自评/评审单位:自评/评审时间:从年月日到年月日自评/评审组组长:自评/评审组主要成员:考评类目考评项目考评内容标准分值考评办法自评/评审描述实际得分1.安全生产目标1.1目标建立安全生产目标的管理制度,明确目标与指标的制定、分解、实施、考核等环节内容。2无该项制度的,不得分;未以文件形式发布生效的,不得分;安全生产目标管理制度缺少制定、分解、实施、绩效考核等任一环节内容的,扣1分;未能明确相应环节的责任部门或责任人相应责任的,扣1分。按照安全生产目标管理制度的规定,制定文件化的年度安全生产目标与指标。2无年度安全生产目标与指标的,不得分;安全生产目标与指标未以企业正式文件发布的,不得分。1.2监测与考核根据所属基层单位和部门在安全生产中的职能,分解年度安全生产目标与指标,并制定实施计划和考核办法。2无年度安全生产目标与指标分解的,不得分;无实施计划或考核办法的,不得分;实施计划无针对性的,不得分;每缺一个基层单位和职能部门的指标实施计划或考核办法的,扣1分。—1—考评类目考评项目考评内容标准分值考评办法自评/评审描述实际得分按照制度规定,对安全生产目标和指标实施计划的执行情况进行监测,并保存有关监测记录资料。2无安全目标与指标实施情况的检查或监测记录的,不得分;检查和监测不符合制度规定的,扣1分;检查和监测资料不齐全的,扣1分。定期对安全生产目标的完成效果进行评估和考核,根据考核评估结果,及时调整安全生产目标和指标的实施计划。评估结果、实施计划的调整、修改记录应形成文件并加以保存。2未定期进行效果评估和考核的,不得分;未及时调整实施计划的,不得分;调整后的目标与指标以及实施计划未以文件形式颁发的,扣1分;记录资料保存不齐全的,扣1分。小计10得分小计2.组织机构和职责2.1组织机构和人员按规定设置安全管理机构或配备安全管理人员。4未设置或配备的,不得分;未以文件形式进行设置或任命的,不得分;设置或配备不符合规定的,每处扣1分;扣满4分的,追加扣除10分。根据有关规定和企业实际,设立安全生产领导机构。3未设立的,不得分;未以文件形式任命的,扣1分;成员未包括主要负责人、部门负责人等相关人员的,扣1分。安全生产领导机构每季度应至少召开一次安全专题会,协调解决安全生产问题。会议纪要中应有工作要求并保存。3未定期召开安全专题会的,不得分;无会议纪要的,扣2分;未跟踪上次会议工作要求的落实情况的或未制订新的工作要求的,不得分;有未完成项且无整改措施的,每一项扣1分。2.2职责建立、健全安全生产责任制、消防安全责任制和职业病防治责任制,并对落实情况4未建立安全生产责任制的,不得分;未以文件形式发布生效的,不得分;每缺一个部—2—考评类目考评项目考评内容标准分值考评办法自评/评审描述实际得分进行考核。门、岗位的责任制的,扣1分;责任制内容与岗位工作实际不相符的,每处扣1分;没有对安全生产责任制落实情况进行考核的,扣1分。企业主要负责人应按照安全生产法律法规赋予的职责,全面负责安全生产工作,并履行安全生产义务。3主要负责人的安全生产职责不明确的,不得分;未按规定履行职责的,不得分,并追加扣除10分。各级人员应掌握本岗位的安全生产职责。3未掌握岗位安全生产职责的,每人扣1分。小计20得分小计3.安全投入3.1安全生产费用建立安全生产费用提取和使用管理制度。3无该项制度的,不得分;制度中职责、流程、范围、检查等内容,每缺一项扣1分。保证安全生产费用投入,专款专用,并建立安全生产费用使用台账。3未保证安全生产费用投入的,不得分;财务报表中无安全生产费用归类统计管理的,扣2分;无安全费用使用台账的,不得分;台账不完整齐全的,扣1分。制定并实施包含以下方面的安全生产费用的使用计划:1.完善、改造和维护安全和职业病防护设施设备。2.安全生产教育培训和配备个体防护装备。3.安全评价、职业病危害评价、重大危险源监控、事故隐患排查和治理。8无该使用计划的,不得分;计划内容缺失的,每缺一个方面扣1分;未按计划实施的,每一项扣1分;有超范围使用的,...

1、当您付费下载文档后,您只拥有了使用权限,并不意味着购买了版权,文档只能用于自身使用,不得用于其他商业用途(如 [转卖]进行直接盈利或[编辑后售卖]进行间接盈利)。
2、本站所有内容均由合作方或网友上传,本站不对文档的完整性、权威性及其观点立场正确性做任何保证或承诺!文档内容仅供研究参考,付费前请自行鉴别。
3、如文档内容存在违规,或者侵犯商业秘密、侵犯著作权等,请点击“违规举报”。

碎片内容

服装企业安全生产标准化评定标准

您可能关注的文档

中小学文库+ 关注
实名认证
内容提供者

精品资料应用尽有

确认删除?
VIP
微信客服
  • 扫码咨询
会员Q群
  • 会员专属群点击这里加入QQ群
客服邮箱
回到顶部