电脑桌面
添加小米粒文库到电脑桌面
安装后可以在桌面快捷访问

试谈提高录井设备完好率VIP免费

试谈提高录井设备完好率_第1页
1/11
试谈提高录井设备完好率_第2页
2/11
试谈提高录井设备完好率_第3页
3/11
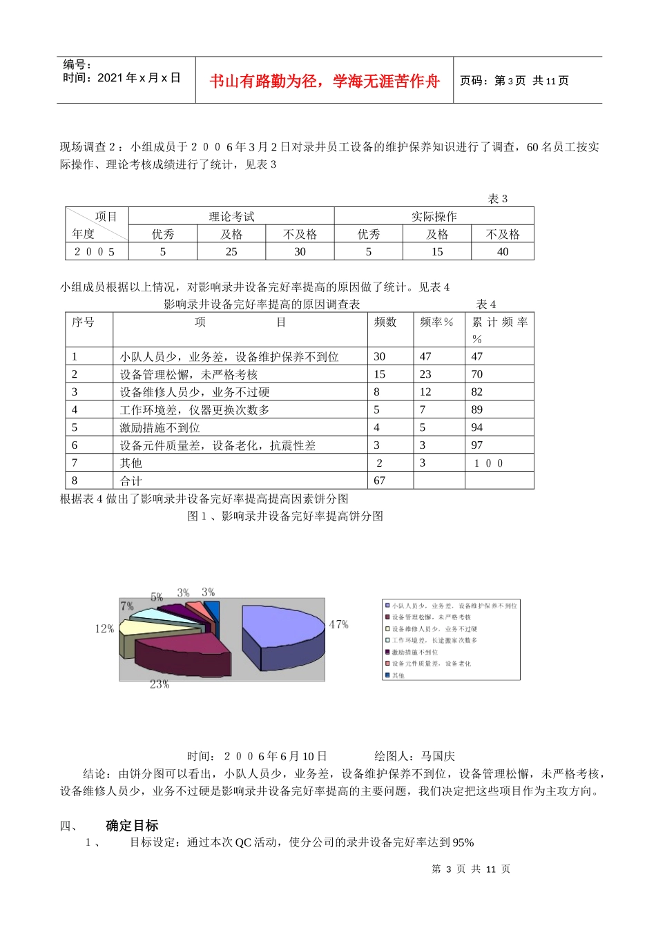
第1页共11页编号:时间:2021年x月x日书山有路勤为径,学海无涯苦作舟页码:第1页共11页提高录井设备完好率(注册编号:SLLJ2006-03)小组名称:设备管理QC小组小组类型:现场管理型地质录井公司录井一分公司二00六年九月QC成果材料第2页共11页第1页共11页编号:时间:2021年x月x日书山有路勤为径,学海无涯苦作舟页码:第2页共11页提高录井设备完好率一、小组概况:录井一分公司设备管理QC小组是一个以技术管理人员为主的现场型小组,组员参加工作时间均在10年以上,业务素质强,经验丰富,并且具备较高的设备管理能力。小组自成立以来,针对录井设备完好率的提高组织经常性活动,使录井设备的安好率得到了提高,取得了良好的经济效益。小组人员简介表表1小组名称设备管理QC小组课题类型现场型注册编号SLLJ06-03成立日期2006年2月活动时间2006.2~2006.9活动次数10次人均接受TQC教育100小时,均获得山东省质量协会颁发的全面质量管理合格证书,在本次活动中出勤率98%姓名年龄性别文化程度职务小组分工马国庆27男大专组长朱涛28男大专副组长魏学义48男中专活动实施张宪春50男技校活动实施岳士诚46男中专活动实施李建兴43男中专活动实施刘继东44男中专活动实施张崇江42男中专活动实施二、选题理由目前小型录井仪已经全面推广使用,但是随着仪器及辅助设备的老化、维护保养不到位,造成仪器及其辅助设备损坏故障率较高,影响生产的正常运行。为了尽快提高录井设备完好率,为甲方提供优质满意的服务,我们于2006年2月成立了设备管理QC小组,围绕着“提高录井设备完好率”这一课题开展了活动。三、现状调查现状调查:1、小组人员于2006年2月开始对2005年开发井录井小队的录井设备实际使用情况及故障设备等进行了调查统计。见表2表2项目设备数量设备完好/月设备故障/月备注3425-279-7第3页共11页第2页共11页编号:时间:2021年x月x日书山有路勤为径,学海无涯苦作舟页码:第3页共11页现场调查2:小组成员于2006年3月2日对录井员工设备的维护保养知识进行了调查,60名员工按实际操作、理论考核成绩进行了统计,见表3表3项目年度理论考试实际操作优秀及格不及格优秀及格不及格20055253051540小组成员根据以上情况,对影响录井设备完好率提高的原因做了统计。见表4影响录井设备完好率提高的原因调查表表4序号项目频数频率%累计频率%1小队人员少,业务差,设备维护保养不到位3047472设备管理松懈,未严格考核1523703设备维修人员少,业务不过硬812824工作环境差,仪器更换次数多57895激励措施不到位45946设备元件质量差,设备老化,抗震性差33977其他231008合计67根据表4做出了影响录井设备完好率提高提高因素饼分图图1、影响录井设备完好率提高饼分图时间:2006年6月10日绘图人:马国庆结论:由饼分图可以看出,小队人员少,业务差,设备维护保养不到位,设备管理松懈,未严格考核,设备维修人员少,业务不过硬是影响录井设备完好率提高的主要问题,我们决定把这些项目作为主攻方向。四、确定目标1、目标设定:通过本次QC活动,使分公司的录井设备完好率达到95%第4页共11页第3页共11页编号:时间:2021年x月x日书山有路勤为径,学海无涯苦作舟页码:第4页共11页2、可行性分析:(1)加大对管理人员及录井人员的培训力度,派一定数量人员到工艺研究所学习现场维护保养操作和理论知识等,在配备有经验的维护保养人员进行现场传帮带,经过一段时间的培训,使他们熟练掌握录井设备的维护保养工作。(2)加强管理,严格考核,建立奖惩机制。改变以往干好干坏一个样,上班多少一个样,学多学少一个样地局面,充分调动大家的学习热情,促进岗位成才。(3)适当改善录井工作环境,利用一些辅助手段增强录井设备的抗震性能。(4)对新进录井设备元件进行全面的验收,杜绝质量差的配件。五、原因分析及要因确定:根据饼分图,我们分析后得出结论:小队人员少,业务差,设备维护保养不到位,设备管理松懈,未严格考核,设备维修人员少,业务不过硬是影响录井设备完好率提高的主要问题我们发动小组成员利用风暴法寻找原因做出因果图,见图2图2:影响录井设...

1、当您付费下载文档后,您只拥有了使用权限,并不意味着购买了版权,文档只能用于自身使用,不得用于其他商业用途(如 [转卖]进行直接盈利或[编辑后售卖]进行间接盈利)。
2、本站所有内容均由合作方或网友上传,本站不对文档的完整性、权威性及其观点立场正确性做任何保证或承诺!文档内容仅供研究参考,付费前请自行鉴别。
3、如文档内容存在违规,或者侵犯商业秘密、侵犯著作权等,请点击“违规举报”。

碎片内容

试谈提高录井设备完好率

您可能关注的文档

确认删除?
VIP
微信客服
  • 扫码咨询
会员Q群
  • 会员专属群点击这里加入QQ群
客服邮箱
回到顶部