电脑桌面
添加小米粒文库到电脑桌面
安装后可以在桌面快捷访问

某环保公司设备台帐VIP免费

某环保公司设备台帐_第1页
1/42
某环保公司设备台帐_第2页
2/42
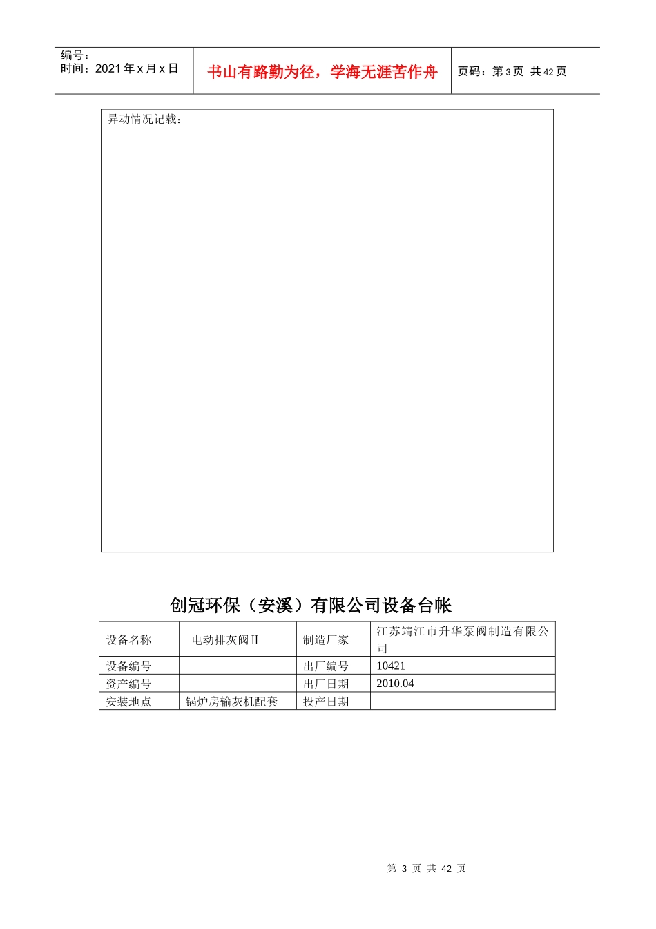
某环保公司设备台帐_第3页
3/42
第1页共42页编号:时间:2021年x月x日书山有路勤为径,学海无涯苦作舟页码:第1页共42页更多企业学院:《中小企业管理全能版》183套讲座+89700份资料《总经理、高层管理》49套讲座+16388份资料《中层管理学院》46套讲座+6020份资料《国学智慧、易经》46套讲座《人力资源学院》56套讲座+27123份资料《各阶段员工培训学院》77套讲座+324份资料《员工管理企业学院》67套讲座+8720份资料《工厂生产管理学院》52套讲座+13920份资料《财务管理学院》53套讲座+17945份资料《销售经理学院》56套讲座+14350份资料《销售人员培训学院》72套讲座+4879份资料第2页共42页第1页共42页编号:时间:2021年x月x日书山有路勤为径,学海无涯苦作舟页码:第2页共42页创冠环保(安溪)有限公司设备台帐设备名称水冷式螺旋式输灰机制造厂家江苏靖江市升华泵阀制造有限公司设备编号出厂编号10426资产编号出厂日期2010.04安装地点锅炉房投产日期型号规格、技术参数:型号:SL8-01工作温度:650℃电动机型号:电动机制造厂家:额定功率:7.5kw额定电压:380V额定电流:卸灰能力:7.5m3/h冷却水进出口压力:≤0.15Mpa第3页共42页第2页共42页编号:时间:2021年x月x日书山有路勤为径,学海无涯苦作舟页码:第3页共42页异动情况记载:创冠环保(安溪)有限公司设备台帐设备名称电动排灰阀Ⅱ制造厂家江苏靖江市升华泵阀制造有限公司设备编号出厂编号10421资产编号出厂日期2010.04安装地点锅炉房输灰机配套投产日期第4页共42页第3页共42页编号:时间:2021年x月x日书山有路勤为径,学海无涯苦作舟页码:第4页共42页型号规格、技术参数:型号:SH-DPF工作温度:400℃电动机型号:电动机制造厂家:额定功率:2.2kw额定电压:380V卸灰能力:5.5m3/h外形尺寸:400×400mm异动情况记载:创冠环保(安溪)有限公司设备台帐设备名称锅炉液压站制造厂家杭州浙大华泰液压机电有限公司设备编号出厂编号217资产编号出厂日期2010.08安装地点锅炉房投产日期第5页共42页第4页共42页编号:时间:2021年x月x日书山有路勤为径,学海无涯苦作舟页码:第5页共42页型号规格、技术参数:型号:300t/d电源:380V/50HZ额定功率:2×30kw额定压力:16Ma油箱容积:900L额定流量:2×100L/min异动情况记载:第6页共42页第5页共42页编号:时间:2021年x月x日书山有路勤为径,学海无涯苦作舟页码:第6页共42页创冠环保(安溪)有限公司设备台帐设备名称蒸汽空气预热器制造厂家湖州炜业锅炉容器制造有限公司设备编号出厂编号XY09-09资产编号出厂日期2009.12安装地点锅炉房投产日期型号规格、技术参数:管程壳程设计压力:1.2Mpa0.0065Mpa设计温度:290110℃℃实验压力:1.8Mpa0.007Mpa运行压力:1.0Mpa0.006Mpa运行温度:265/18520/100℃℃运行介质:汽水湿空气介质流量:1.6t/h32210m3/h设计净重:11000㎏设计满水重:12000㎏第7页共42页第6页共42页编号:时间:2021年x月x日书山有路勤为径,学海无涯苦作舟页码:第7页共42页异动情况记载:创冠环保(安溪)有限公司设备台帐设备名称螺杆空气压缩机制造厂家苏州寿力气体设备有限公司设备编号出厂编号381-C000769资产编号出厂日期2009.12安装地点空压机房投产日期型号规格、技术参数:型号:LS20S-200H外形尺寸:2650×1600×1800mm公称容积流量:26m3/min额定排气压力:0.8Mpa最大排气压力:0.86Mpa机组输入比功率:6.90kw(m3/min)额定功率:150kw额定转速:1480r/min第8页共42页第7页共42页编号:时间:2021年x月x日书山有路勤为径,学海无涯苦作舟页码:第8页共42页异动情况记载:创冠环保(安溪)有限公司设备台帐设备名称螺杆空气压缩机制造厂家苏州寿力气体设备有限公司设备编号出厂编号381-C000768资产编号出厂日期2009.12安装地点空压机房投产日期型号规格、技术参数:型号:LS20S-200H外形尺寸:2650×1600×1800mm公称容积流量:26m3/min额定排气压力:0.8Mpa最大排气压力:0.86Mpa机组输入比功率:6.90kw(m3/min)第9页共42页第8页共42页编号:时间:2021年x月x日书山有路勤为径,学海无涯苦作舟页码:第9页共42页额定功率:150kw额定转速:1480r/min异动情况记载:创冠环保(安...

1、当您付费下载文档后,您只拥有了使用权限,并不意味着购买了版权,文档只能用于自身使用,不得用于其他商业用途(如 [转卖]进行直接盈利或[编辑后售卖]进行间接盈利)。
2、本站所有内容均由合作方或网友上传,本站不对文档的完整性、权威性及其观点立场正确性做任何保证或承诺!文档内容仅供研究参考,付费前请自行鉴别。
3、如文档内容存在违规,或者侵犯商业秘密、侵犯著作权等,请点击“违规举报”。

碎片内容

某环保公司设备台帐

确认删除?
VIP
微信客服
  • 扫码咨询
会员Q群
  • 会员专属群点击这里加入QQ群
客服邮箱
回到顶部