电脑桌面
添加小米粒文库到电脑桌面
安装后可以在桌面快捷访问

中心实验室班长等岗位考核指标VIP免费

中心实验室班长等岗位考核指标_第1页
1/3
中心实验室班长等岗位考核指标_第2页
2/3
中心实验室班长等岗位考核指标_第3页
3/3
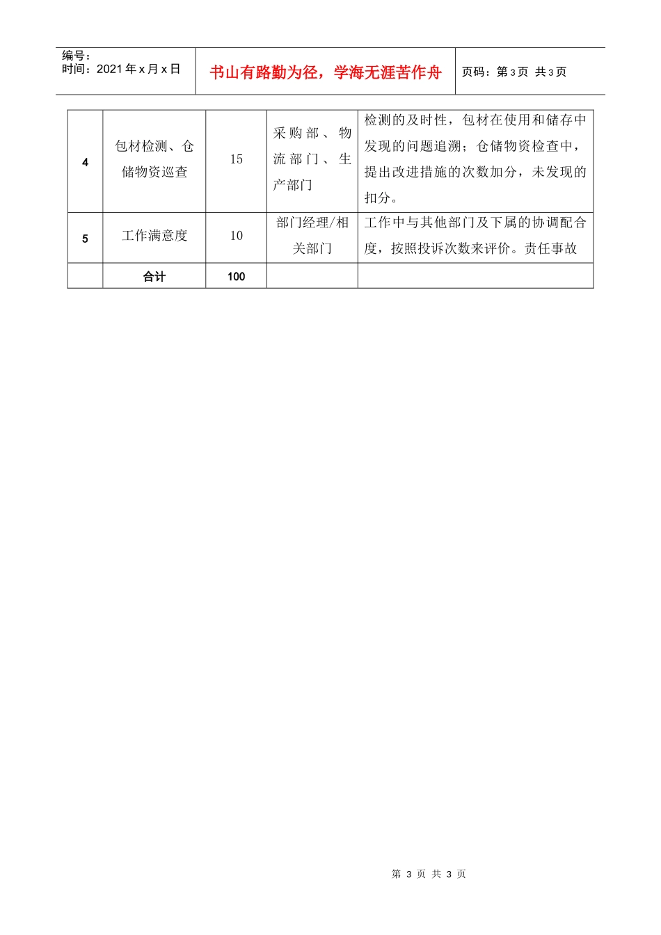
第1页共3页编号:时间:2021年x月x日书山有路勤为径,学海无涯苦作舟页码:第1页共3页某粮油工业公司中心实验室班长考核指标序号考核指标权重(%)数据提供指标说明1中心实验室综合指标20中心实验室综合考评得分×30%2班组综合指标40班组月度量化考核得分×30%3个人月度考评30中心实验室主管个人月度考评得分×30%4对下属员工的管理、培训、考核10员工/人力资源与公共事务部对下属员工的指导、教育、考核、投诉以及沟通等状况测评(取三方测评结果平均值)合计100某粮油工业公司质检员考核指标序号考核指标权重(%)数据提供指标说明1中心实验室综合指标10中心实验室综合考评得分×10%2班组综合指标30班组月度量化考核得分×30%3个人月度考评50中心实验室主管个人月度考评得分×50%4质量记录管理10合计100第2页共3页第1页共3页编号:时间:2021年x月x日书山有路勤为径,学海无涯苦作舟页码:第2页共3页某粮油工业公司在线质控主管考核指标某粮油工业公司在线质控班长考核指标序号考核指标权重(%)数据提供指标说明1在线质控职责岗位综合指标20部门经理根据考核期在线质控职责岗位得分计分2在线质控班组综合指标40在线质控主管根据考核期在线质控职责岗位得分计分3对人员的组织、安排、培训15员工/部门经理对下属员工的指导、教育、考核、投诉以及沟通等状况测评(取三方测评结果平均值)序号考核指标权重(%)数据提供指标说明1在线质控综合指标60部门经理根据考核期在线质控得分计分2下属员工管理成效15本人/员工部门经理人力资源根据公司《下属员工管理成效》问卷调查结果。3关键控制点质量体系运作有效性25(40分封顶)部门经理体系管理员相关部门对采购计划、销售计划、生产中控、物流仓储环节质量/安全/计量控制效果。出现质量事故扣分,纠正流程隐患/违规操作加分,基准分15分。合计100第3页共3页第2页共3页编号:时间:2021年x月x日书山有路勤为径,学海无涯苦作舟页码:第3页共3页4包材检测、仓储物资巡查15采购部、物流部门、生产部门检测的及时性,包材在使用和储存中发现的问题追溯;仓储物资检查中,提出改进措施的次数加分,未发现的扣分。5工作满意度10部门经理/相关部门工作中与其他部门及下属的协调配合度,按照投诉次数来评价。责任事故合计100

1、当您付费下载文档后,您只拥有了使用权限,并不意味着购买了版权,文档只能用于自身使用,不得用于其他商业用途(如 [转卖]进行直接盈利或[编辑后售卖]进行间接盈利)。
2、本站所有内容均由合作方或网友上传,本站不对文档的完整性、权威性及其观点立场正确性做任何保证或承诺!文档内容仅供研究参考,付费前请自行鉴别。
3、如文档内容存在违规,或者侵犯商业秘密、侵犯著作权等,请点击“违规举报”。

碎片内容

中心实验室班长等岗位考核指标

中小学文库+ 关注
实名认证
内容提供者

精品资料应用尽有

确认删除?
VIP
微信客服
  • 扫码咨询
会员Q群
  • 会员专属群点击这里加入QQ群
客服邮箱
回到顶部