电脑桌面
添加小米粒文库到电脑桌面
安装后可以在桌面快捷访问

安全设施所需材料、设备安全防护用品采购管理VIP免费

安全设施所需材料、设备安全防护用品采购管理_第1页
1/192
安全设施所需材料、设备安全防护用品采购管理_第2页
2/192
安全设施所需材料、设备安全防护用品采购管理_第3页
3/192
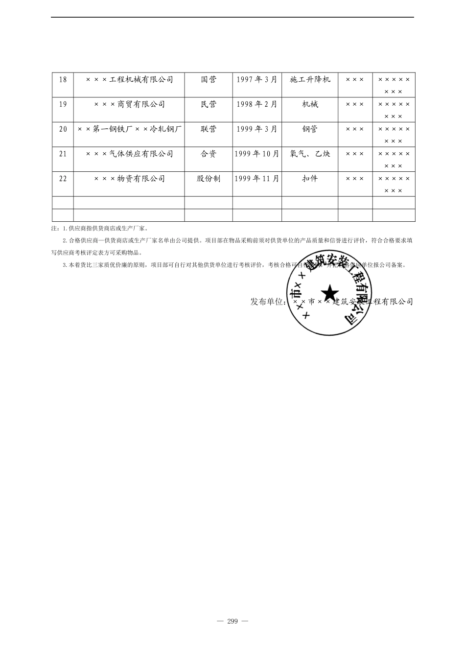
第三卷安3安全设施所需的材料、设备及安全防护用品采购管理台账目录代号名称页码安3-1合格供应商名录第298页安3-1-1供应商考核评定表(及附件)第299页安3-1-2物资采购计划表第350页安3-2安全用品验收记录第352页安3-2-1安全用品采购验收资料附件第354页安3-3不合格品通知书第381页—297—合格供应商名录安3-1序号供应商名称企业性质起始日期产品种类联系人电话1××市××皮件厂民营2000年1月安全带×××××××××××2×××五金电器厂民营1999年3月五金配件×××××××××××3××市××塑料制品有限公司国有企业2000年2月塑料制品×××××××××××4×××绳网厂联营企业1998年3月建筑绳网带×××××××××××5××××电线电缆厂国有企业1998年10月电线、电缆×××××××××××6××市漏电自动开关厂股份合业制1997年5月漏电、断路器×××××××××××7××区××五金商行民营合作1995年2月五金机电×××××××××××8×××工贸有限公司集体1998年3月安全帽×××××××××××9××街道××五金建材店集体1998年3月五金建材×××××××××××10××五金建材经营部联营1999年10月漏电开关×××××××××××11××市××绳网厂民营1999年11月安全网×××××××××××12××消防器材经营部股份制1999年4月灭火机×××××××××××13×××电器有限公司国营2000年1月电箱×××××××××××14×××施工器材有限公司联营2000年2月电箱×××××××××××15×××电线电缆厂国营1998年12月五芯电缆×××××××××××16×××机电物资供应站国营1999年4月漏电开关×××××××××××17××港××建筑机械有限公司国营1998年2月塔吊×××××××××××—298—18×××工程机械有限公司国营1997年3月施工升降机×××××××××××19×××商贸有限公司民营1998年2月机械×××××××××××20××第一钢铁厂××冷轧钢厂联营1999年3月钢管×××××××××××21×××气体供应有限公司合资1999年10月氧气、乙炔×××××××××××22×××物资有限公司股份制1999年11月扣件×××××××××××注:1.供应商指供货商店或生产厂家。2.合格供应商—供货商店或生产厂家名单由公司提供。项目部在物品采购前须对供货单位的产品质量和信誉进行评价,符合合格要求填写供应商考核评定表方可采购物品。3.本着货比三家质优价廉的原则,项目部可自行对其他供货单位进行考核评价,考核合格可自行采购,并把合格供应单位报公司备案。发布单位:××市××建筑安装工程有限公司—299—供应商考核评定表安3-1-1编号:020XDH/002-06a表—01生产厂××第一钢铁厂××冷轧钢厂经销商厂销产品名称、型号钢管φ48×3.25mm地址、电话号码××市×××区×××路××号电话:6302××××产品质量和信誉评价该厂生产的钢管质量好、公差小,符合国家标准(GB/T3092-931)的规定有长期供货史,厂方讲信誉、服务周到、价格合理。参评人×××××××××评定结论可评为合格供应商审定人签字:×××2000年×月×日备注产品质量和信誉附件:1.营业执照;2.××市建筑材料和建设机械产品准用证;3.产品合格证。说明:产品质量和信誉评价内容:样品质量,产品检验结论,企业或产品图文资料,其他用户的评价,厂商信誉等(有关依据资料附后)供应商考评单位:××市××建筑安装工程有限公司××花苑三期项目部—300—企业法人营业执照(副本)注册号:310××××003013企业名称××第一钢铁厂××冷轧钢厂住所××区××路××号法定代表人×××注册资金人民币贰佰伍拾柒万元经济性质国有与集体联营企业经营方式加工、制造、销售经营范围重复加工成品钢材制造、金属制品制造、加工、板材深加工、高频焊接钢管经营期限自1998年4月1日至2001年4月20日证照编号1300000×××01042000××企业标识1300000××××0013042××发照机关××××年×月×日—301—××市建筑材料和建设机械产品准用证(副本)企业名称:××第一钢铁厂××冷轧厂产品及其等级:φ48×3.5mm脚手架钢管产品商标:准用证编号:JCXXG-0×...

1、当您付费下载文档后,您只拥有了使用权限,并不意味着购买了版权,文档只能用于自身使用,不得用于其他商业用途(如 [转卖]进行直接盈利或[编辑后售卖]进行间接盈利)。
2、本站所有内容均由合作方或网友上传,本站不对文档的完整性、权威性及其观点立场正确性做任何保证或承诺!文档内容仅供研究参考,付费前请自行鉴别。
3、如文档内容存在违规,或者侵犯商业秘密、侵犯著作权等,请点击“违规举报”。

碎片内容

安全设施所需材料、设备安全防护用品采购管理

确认删除?
VIP
微信客服
  • 扫码咨询
会员Q群
  • 会员专属群点击这里加入QQ群
客服邮箱
回到顶部