电脑桌面
添加小米粒文库到电脑桌面
安装后可以在桌面快捷访问

项目经理安全生产责任制考核表VIP专享VIP免费

项目经理安全生产责任制考核表_第1页
1/45
项目经理安全生产责任制考核表_第2页
2/45
项目经理安全生产责任制考核表_第3页
3/45
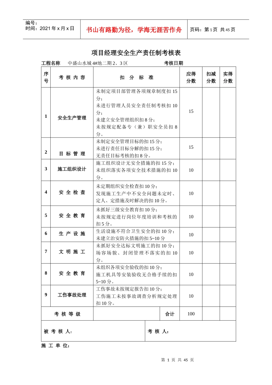
第1页共45页编号:时间:2021年x月x日书山有路勤为径,学海无涯苦作舟页码:第1页共45页项目经理安全生产责任制考核表工程名称中盛山水城4#地二期2、3区考核日期序号考核內容扣分标准应得分数扣减分数实得分数1安全生产管理未制定项目部管理各项规章制度扣15分;未进行管理人员安全责任制考核扣10分;未建立安全管理组织扣8分;未按规定配备专(兼)职安全员扣8分。152目标管理未制定安全管理目标的扣15分;未进行责任目标分解的扣15分;无责任目标考核的扣8分。153施工组织设计施工组织设计无安全措施的扣15分;未组织落实各项安全技术措施的扣10分。104安全检查未定期组织安全检查扣10分;发现施工生产中不安全问题未定时、定人、定措施及时解决的扣10分。105安全教育未抓好三级安全教育扣10分;未按规定进行岗位年度培训和考核的扣5分。106生产设施生活设施不符合卫生安全的扣10分;未建立治安防火措施的扣5~10分107文明施工未抓好安全达标文明施工的扣10分;场容场貌、封闭管理不落实的扣10分。108安全教育未组织各项安全验收的扣10分;施工机具等安装验收无合格手续的扣5~10分。109工伤事故处理工伤事故未按规定报告扣10分;工伤施工未按事故调查分析规定处理扣10分。10考核等级合计100被考核人:考核人:施工单位:第2页共45页第1页共45页编号:时间:2021年x月x日书山有路勤为径,学海无涯苦作舟页码:第2页共45页项目技术负责人安全生产责任制考核表工程名称中盛山水城4#地二期2、3区考核日期序号考核內容扣分标准应得分数扣减分数实得分数1安全技术管理未制定各工种安全技术操作规程的扣20分;未及时贯彻安全技术管理规定的扣10分。202施工组织设计无施工组织设计扣15分,未单独编制各项安全施工方案和季节性施工方案扣10分。203安全检查未参加半月一次的安全检查检查扣5分,对施工中存在的不安全因素,未从技术方面提出整改意见和办法的扣10分。104安全教育交施工任务未同时叫安全生产扣10分,未组织上岗人员对新材料、新技术、新工艺的应用进行安全技术培训的扣5分。105分部(分项)工程安全技术交底无局面安全技术交底扣15分。156设备验收无安全防护措施及设备验收的扣10分;不符合标准要求的防护设备、设施投入使用的扣10—15分。157工伤事故处理未参加工伤事故调查的扣10分,未从技术上分析事故原因的扣15分。10考核等级合计100被考核人:考核人:施工单位:第3页共45页第2页共45页编号:时间:2021年x月x日书山有路勤为径,学海无涯苦作舟页码:第3页共45页项目施工员安全生产责任制考核表工程名称中盛山水城4#地二期2、3区考核日期序号考核內容扣分标准应得分数扣减分数实得分数1安全生产管理未及时贯彻安全技术管理规定的扣10分,未协助制定各工种安全技术操作流程扣10分。102施工组织设计未按施工组织设计实施的扣10分,未按专项安全施工方案实施的扣10分,现场安全生产实际与安全技术措施不相符的扣5—8分。103尊规守纪违章指挥扣10分,未认真执行安全技术措施扣10分,不督促施工班组尊规守纪扣10分。104安全检查不参加安全检查的扣15分,检查出事故未提出整改意见和防护措施扣10分,未组织好事故隐患整改工作的扣5分。155安全验收模版工程未进行检查验收的扣6分,未按规定做好基坑支护变形监测的扣10分。106安全技术交底无书面安全技术交底的扣15分。107安全教育新进场工人未进行三级安全教育的扣10分,未对工人安全知识书面考试的扣5分。158文明施工班组活动未开展文明施工、治安防火、环境卫生宣传教育的扣10分,施工班组前安排活动不开展的扣5分。109工伤事故处理工伤事故未按规定报告的扣10分。10考核等级合计100被考核人:考核人:施工单位:第4页共45页第3页共45页编号:时间:2021年x月x日书山有路勤为径,学海无涯苦作舟页码:第4页共45页项目安全员安全生产责任制考核表工程名称中盛山水城4#地二期2、3区考核日期序号考核內容扣分标准应得分数扣减分数实得分数1安全生产管理安全管理组织网络不健全的扣5分,施工管理规章制度不齐全的扣10分。102施工组织设计不参加施工组织设计、专项安全技术措施的编制和讨论的扣5分。103尊规守纪未及时制止违章指挥...

1、当您付费下载文档后,您只拥有了使用权限,并不意味着购买了版权,文档只能用于自身使用,不得用于其他商业用途(如 [转卖]进行直接盈利或[编辑后售卖]进行间接盈利)。
2、本站所有内容均由合作方或网友上传,本站不对文档的完整性、权威性及其观点立场正确性做任何保证或承诺!文档内容仅供研究参考,付费前请自行鉴别。
3、如文档内容存在违规,或者侵犯商业秘密、侵犯著作权等,请点击“违规举报”。

碎片内容

项目经理安全生产责任制考核表

确认删除?
VIP
微信客服
  • 扫码咨询
会员Q群
  • 会员专属群点击这里加入QQ群
客服邮箱
回到顶部