电脑桌面
添加小米粒文库到电脑桌面
安装后可以在桌面快捷访问

5S知识讲座VIP免费

5S知识讲座_第1页
1/12
5S知识讲座_第2页
2/12
5S知识讲座_第3页
3/12
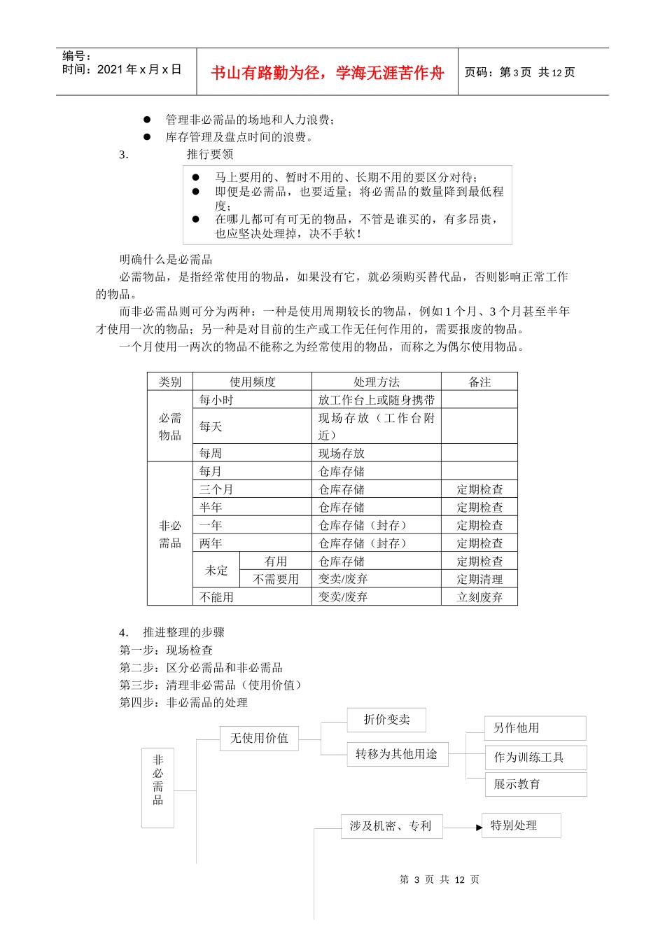
第1页共12页编号:时间:2021年x月x日书山有路勤为径,学海无涯苦作舟页码:第1页共12页5S知识讲座第一节关于5S的常识一、5S的起源5S起源于日本,指的是在生产现场中对人员、机器、材料、方法等生产要素进行有效管理,是日本企业独特的一种管理方法。日本企业将5S作为工厂管理的基础,也是为什么日本企业生产的产品是世界上最好的产品的原因。二、5S的含义5S是指日文整理、整顿、清扫、清洁、修养这五个词的发音都是“S”,所以统称“5S”。整理:区分必需品和非必需品,现场不放置非必需品;整顿:将寻找必需品的时间减少为零;清扫:将岗位保持在无垃圾、无灰尘、干净整洁的状态;清洁:将整理、整顿、清扫进行到底,并且制度化;修养:对于规定了的事,大家都要遵守,并且养成个人习惯。播下种子,收获果实;播下思想,收获行为;播下行为,收获习惯;播下习惯,收获性格;播下性格,收获命运。——泰戈尔三、5S的目的1.改善和提高企业形象整齐、清洁的工作环境和店面形象,容易吸引顾客,让顾客有信心;同时,由于口碑相传,会带来更多的生意,并且成为其他经营者的学习对象。2.提高工作效率良好的工作环境和气氛,有修养的工作伙伴,物品摆放有序,不用寻找,员工可以集中精神工作,工作兴趣高,效率自然会提高。3.减少直至消除故障,保障品质优良的品质来自优良的工作环境和有修养的员工。通过经常性的清扫、点检,不断净化工作环境,避免污物损坏机器和物品,维持设备的高效率,提高品质4.保障企业安全生产储存明确,物归原位,工作场所宽敞明亮,通道畅通,地上不会随意摆放不该放置的物品。如果工作场所有条不紊,意外的发生也会减少,当然安全就会有保障。5.降低生产成本通过实施5S,可以减少人员、设备、场所、时间等等的浪费,从而降低生产成本。6.改善员工的精神面貌,使组织有活力通过实施5S,人人都变成有修养的员工,有尊严和成就感,对自己的工作尽心尽力。第2页共12页第1页共12页编号:时间:2021年x月x日书山有路勤为径,学海无涯苦作舟页码:第2页共12页四、5S之间的关系只在整理没整顿,物品真难找得到;只有整顿没整理,无法取舍乱糟糟;整理整顿没清扫,物品使用不可靠;3S之效果怎保证?清洁出来献一招;标准作业练修养,公司管理水平高。第二节5S推进重点一、整理的推进重点1.整理的含义:2.整理的作用A.整理有以下作用可以使现场无杂物,通道通畅,增大作业空间,提高工作效率;减少碰撞,保障生产安全,提高产品质量;消除混料差错;有利于减少库存,节约资金;使员工心情舒畅,工作热情高涨。B.因缺乏整理而产生的各种常见浪费空间的浪费;产品因过期而不能使用,造成资金浪费;场所狭窄,物品为不断移动的工时浪费;将必需品与非必需品区分开,在岗位上只放置必需物品。含义腾出空间防止误用目的如果你的工作岗位堆满了非必需品,就会导致你的必需品无处摆放;你可能希望增加一张工作台来堆放必需品,这样一来就造成浪费,并形成恶性循环特别说明第3页共12页第2页共12页编号:时间:2021年x月x日书山有路勤为径,学海无涯苦作舟页码:第3页共12页管理非必需品的场地和人力浪费;库存管理及盘点时间的浪费。3.推行要领明确什么是必需品必需物品,是指经常使用的物品,如果没有它,就必须购买替代品,否则影响正常工作的物品。而非必需品则可分为两种:一种是使用周期较长的物品,例如1个月、3个月甚至半年才使用一次的物品;另一种是对目前的生产或工作无任何作用的,需要报废的物品。一个月使用一两次的物品不能称之为经常使用的物品,而称之为偶尔使用物品。类别使用频度处理方法备注必需物品每小时放工作台上或随身携带每天现场存放(工作台附近)每周现场存放非必需品每月仓库存储三个月仓库存储定期检查半年仓库存储定期检查一年仓库存储(封存)定期检查两年仓库存储(封存)定期检查未定有用仓库存储定期检查不需要用变卖/废弃定期清理不能用变卖/废弃立刻废弃4.推进整理的步骤第一步:现场检查第二步:区分必需品和非必需品第三步:清理非必需品(使用价值)第四步:非必需品的处...

1、当您付费下载文档后,您只拥有了使用权限,并不意味着购买了版权,文档只能用于自身使用,不得用于其他商业用途(如 [转卖]进行直接盈利或[编辑后售卖]进行间接盈利)。
2、本站所有内容均由合作方或网友上传,本站不对文档的完整性、权威性及其观点立场正确性做任何保证或承诺!文档内容仅供研究参考,付费前请自行鉴别。
3、如文档内容存在违规,或者侵犯商业秘密、侵犯著作权等,请点击“违规举报”。

碎片内容

确认删除?
VIP
微信客服
  • 扫码咨询
会员Q群
  • 会员专属群点击这里加入QQ群
客服邮箱
回到顶部