电脑桌面
添加小米粒文库到电脑桌面
安装后可以在桌面快捷访问

日班工段日班长岗位说明书VIP免费

日班工段日班长岗位说明书_第1页
1/2
日班工段日班长岗位说明书_第2页
2/2
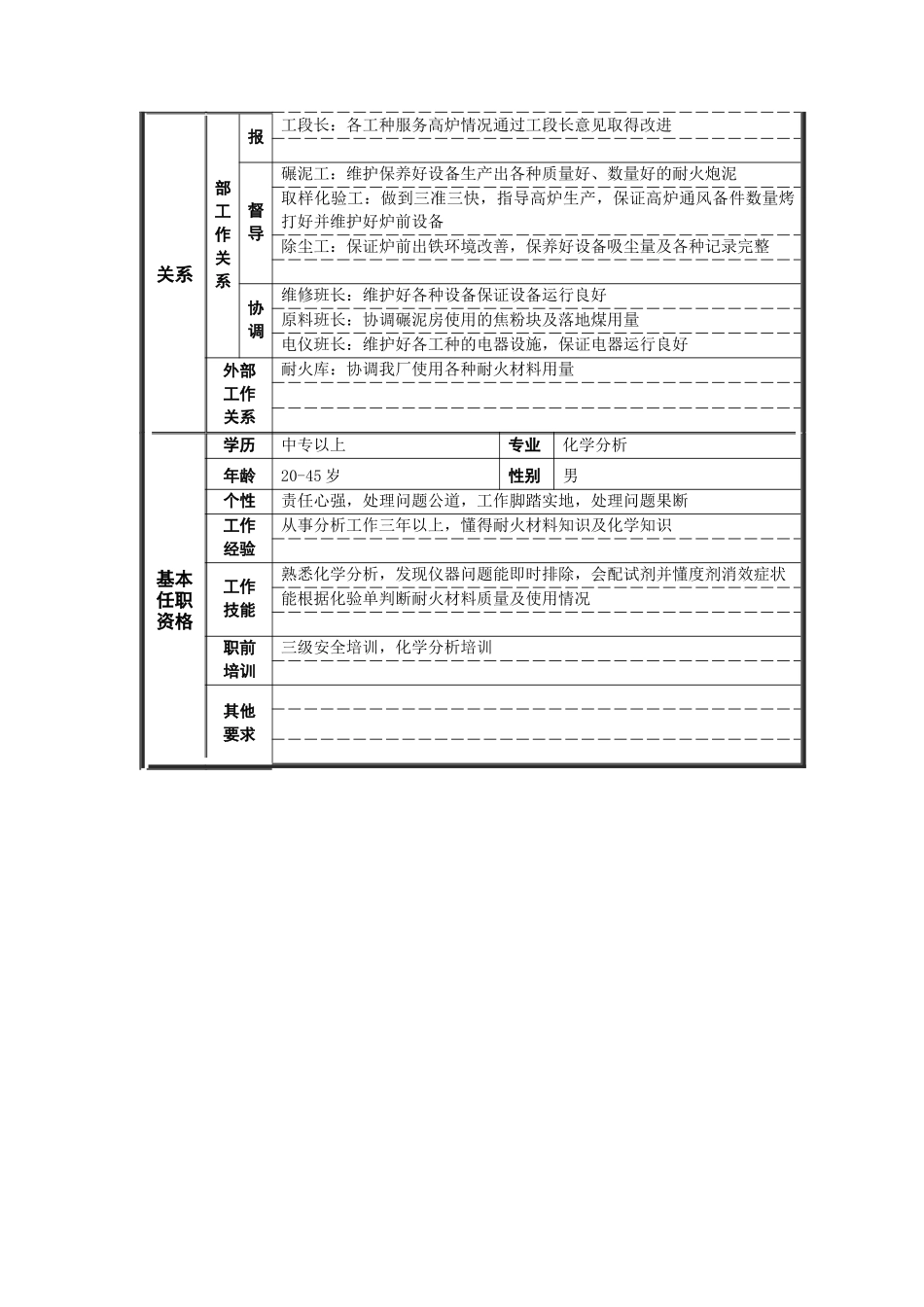
职位说明书基本情况职位名称日班班长职位编号所属单位炼铁厂所属部门日班工段直接上级职位日班工段长直接下属职位日班工职位设置目的协调高炉各种耐火材料使用,高炉煤气分析及炉前除尘工作职责和工作内容1.调节高炉各种耐火材料进货情况2.维护高炉使用的通风备件3.根据各高炉生产情况,生产多种配比的水泥铁套及铺沟料4.根据各高炉炉况及时取样分析煤气成份判定炉况生产情况5.根据各高炉出铁情况及时操作保证炉前环境改善6.组织协调当班各工种之间的工作,解决工作出现的问题7.负责组织和指挥人员处理事故和事故隐患,确保人身设备安全8.做好交接班工作解决出现的问题,定期检查生产的各种原始记录9.熟悉本班所有岗位的设备工艺和不安全隐患,指导职工操作10.组织执行本工段员工培训计划,不断提高员工素质11.完成上级交办的任务12.13.14.15.16.17.18.工作职权1.2.考核权:对本班组人员拥有考核权3.奖惩权:对本班组人员拥有奖惩权4.建议权:对工段管理制度提出合理化建议5.监控权:对本班组各种费用不超过分厂计划指标拥有监控权6.监督权:对本班组员工是否遵守企业各项制度拥有监督权7.8.办公设备个人专用圆珠笔、计算器、班组共用电话、信纸、电炉、天平、手提灯、车间共用分厂共用公司共用工作内汇生产调度:汇报当班生产情况、设备运转情况、安全生产情况关系部工作关系报工段长:各工种服务高炉情况通过工段长意见取得改进督导碾泥工:维护保养好设备生产出各种质量好、数量好的耐火炮泥取样化验工:做到三准三快,指导高炉生产,保证高炉通风备件数量烤打好并维护好炉前设备除尘工:保证炉前出铁环境改善,保养好设备吸尘量及各种记录完整协调维修班长:维护好各种设备保证设备运行良好原料班长:协调碾泥房使用的焦粉块及落地煤用量电仪班长:维护好各工种的电器设施,保证电器运行良好外部工作关系耐火库:协调我厂使用各种耐火材料用量基本任职资格学历中专以上专业化学分析年龄20-45岁性别男个性责任心强,处理问题公道,工作脚踏实地,处理问题果断工作经验从事分析工作三年以上,懂得耐火材料知识及化学知识工作技能熟悉化学分析,发现仪器问题能即时排除,会配试剂并懂度剂消效症状能根据化验单判断耐火材料质量及使用情况职前培训三级安全培训,化学分析培训其他要求

1、当您付费下载文档后,您只拥有了使用权限,并不意味着购买了版权,文档只能用于自身使用,不得用于其他商业用途(如 [转卖]进行直接盈利或[编辑后售卖]进行间接盈利)。
2、本站所有内容均由合作方或网友上传,本站不对文档的完整性、权威性及其观点立场正确性做任何保证或承诺!文档内容仅供研究参考,付费前请自行鉴别。
3、如文档内容存在违规,或者侵犯商业秘密、侵犯著作权等,请点击“违规举报”。

碎片内容

日班工段日班长岗位说明书

您可能关注的文档

确认删除?
VIP
微信客服
  • 扫码咨询
会员Q群
  • 会员专属群点击这里加入QQ群
客服邮箱
回到顶部