电脑桌面
添加小米粒文库到电脑桌面
安装后可以在桌面快捷访问

安全监理规划应包括的内容VIP免费

安全监理规划应包括的内容_第1页
1/13
安全监理规划应包括的内容_第2页
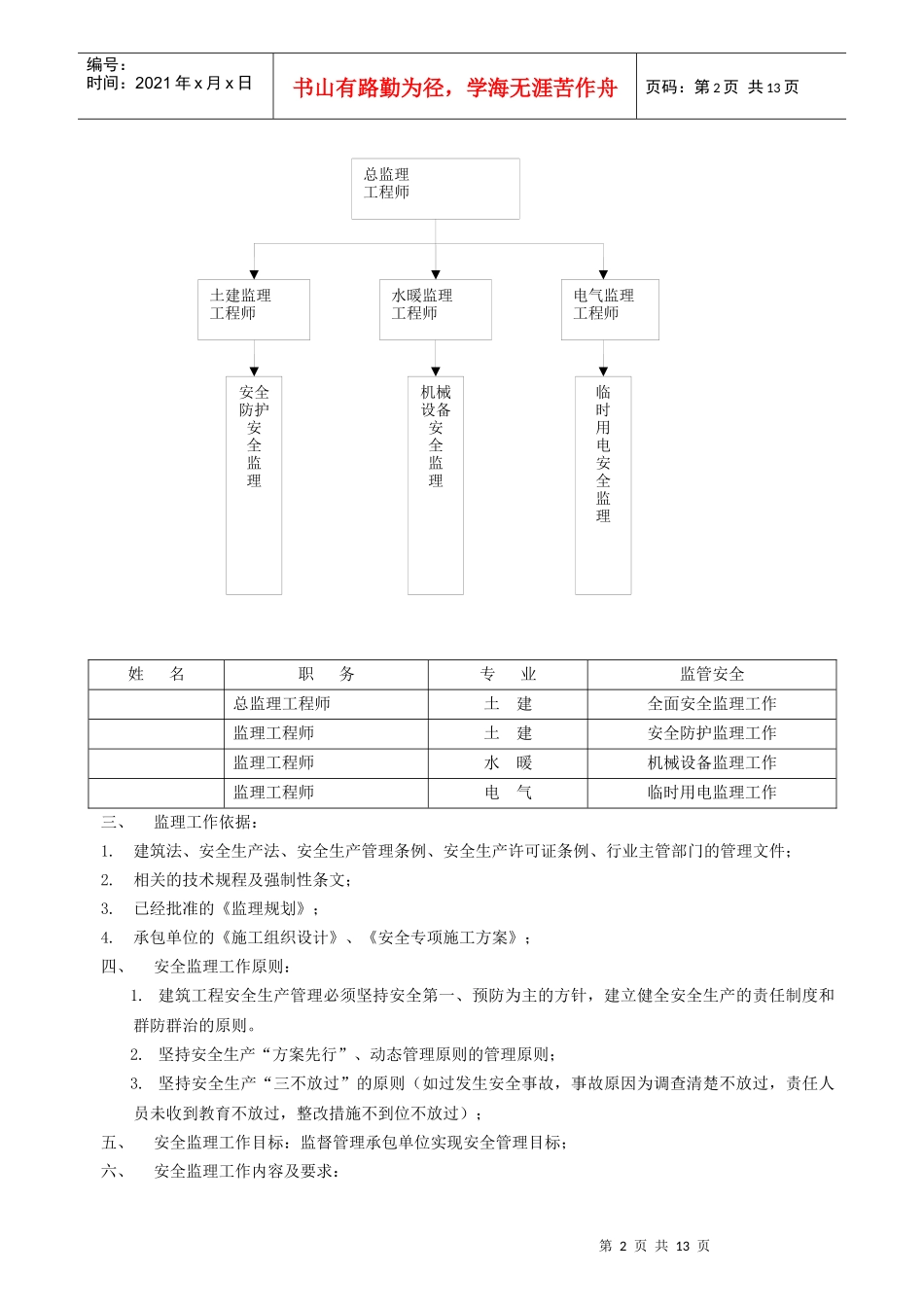
2/13
安全监理规划应包括的内容_第3页
3/13
第1页共13页编号:时间:2021年x月x日书山有路勤为径,学海无涯苦作舟页码:第1页共13页一、工程概况:................................................................................................................................................1二、安全监理组织机构:................................................................................................................................1三、监理工作依据:........................................................................................................................................2四、安全监理工作原则:................................................................................................................................2五、安全监理工作目标:................................................................................................................................2六、安全监理工作内容及要求:....................................................................................................................2七、安全监理程序和方法:............................................................................................................................4(一)安全监理工作程序:(见下页)............................................................................................................4(二)监理工作方法:事前管理、事中管理、事后管理;........................................................................4八、安全监理的工作重点和措施:................................................................................................................61.土方工程:............................................................................................................................................62.脚手架工程:........................................................................................................................................63.模板施工;............................................................................................................................................64.高处作业:............................................................................................................................................65.交叉作业:............................................................................................................................................66.塔式起重机:......................................................................................................................................77.临时用电:............................................................................................................................................7九、识别危险源及其防护措施:....................................................................................................................7(一)基坑坍塌事故........................................................................................................................................7(二)高处坠落事故:....................................................................................................................................8(三)物体打击事故........................................................................................................................................8(四)机械伤害事故............................................................................................

1、当您付费下载文档后,您只拥有了使用权限,并不意味着购买了版权,文档只能用于自身使用,不得用于其他商业用途(如 [转卖]进行直接盈利或[编辑后售卖]进行间接盈利)。
2、本站所有内容均由合作方或网友上传,本站不对文档的完整性、权威性及其观点立场正确性做任何保证或承诺!文档内容仅供研究参考,付费前请自行鉴别。
3、如文档内容存在违规,或者侵犯商业秘密、侵犯著作权等,请点击“违规举报”。

碎片内容

安全监理规划应包括的内容

您可能关注的文档

确认删除?
VIP
微信客服
  • 扫码咨询
会员Q群
  • 会员专属群点击这里加入QQ群
客服邮箱
回到顶部