电脑桌面
添加小米粒文库到电脑桌面
安装后可以在桌面快捷访问

连杆加工工艺VIP专享VIP免费

连杆加工工艺_第1页
1/16
连杆加工工艺_第2页
2/16
连杆加工工艺_第3页
3/16
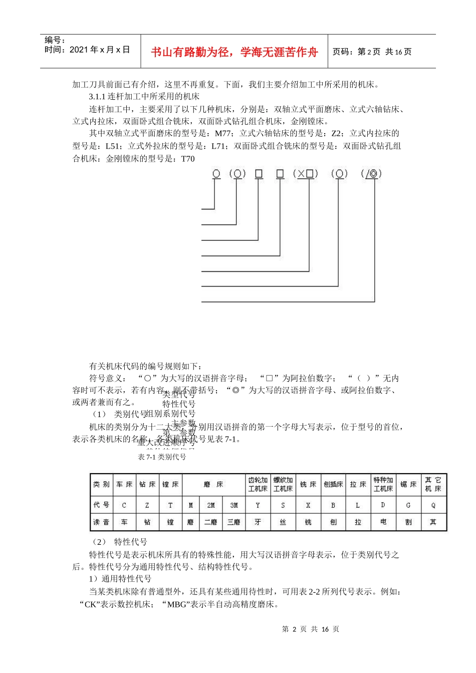
第1页共16页编号:时间:2021年x月x日书山有路勤为径,学海无涯苦作舟页码:第1页共16页任务7连杆零件加工1、教学目标最终目标:会连杆零件的加工。促成目标:1、能分析连杆零件的结构工艺性;2、会拟定连杆零件的加工工艺路线3、会合理选择夹紧着力点;3、牢记安全文明生产规范要求。2、工作任务按拟定工艺完成图9所示连杆类零件加工。图7-1连杆3、相关实践知识连杆是活塞式发动机的重要零件,其大头孔和曲轴连接,小头孔通过活塞销和活塞连接,将作用于活塞的气体膨胀压力传给曲轴,又受曲轴驱动而带动活塞压缩气缸中的气体。连杆承受的是高交变载荷,气体的压力在杆身内产生很大的压缩应力和纵向弯曲应力,由活塞和连杆重量引趄的。惯性力,使连杆承受拉应力。所以连杆承受的是冲击性质的动载荷。因此要求连杆重量轻、强度要好3.1选择机床和工件安装方式连杆加工的加工表面为大小头孔,两端面,连杆盖与连杆体的接合面和螺栓等。次要表面为油孔、锁口槽、供作工工艺基准的工艺凸台等。还有称重去重、检验、清洗和去毛刺等工序。连杆的加工工序多,采用多种加工方法,主要有:磨削,钻削,拉削,镗削等。各种零件名称:连杆材料:45,40cr生产纲领:大批。第2页共16页第1页共16页编号:时间:2021年x月x日书山有路勤为径,学海无涯苦作舟页码:第2页共16页加工刀具前面已有介绍,这里不再重复。下面,我们主要介绍加工中所采用的机床。3.1.1连杆加工中所采用的机床连杆加工中,主要采用了以下几种机床,分别是:双轴立式平面磨床、立式六轴钻床、立式内拉床,双面卧式组合铣床,双面卧式钻孔组合机床,金刚镗床。其中双轴立式平面磨床的型号是:M77;立式六轴钻床的型号是:Z2;立式内拉床的型号是:L51;立式外拉床的型号是:L71;双面卧式组合铣床的型号是:双面卧式钻孔组合机床:金刚镗床的型号是:T70有关机床代码的编号规则如下:符号意义:“○”为大写的汉语拼音字母;“□”为阿拉伯数字;“()”无内容时可不表示,若有内容,则不带括号;“◎”为大写的汉语拼音字母、或阿拉伯数字、或两者兼而有之。(1)类别代号机床的类别分为十二大类,分别用汉语拼音的第一个字母大写表示,位于型号的首位,表示各类机床的名称。各类机床代号见表7-1。(2)特性代号特性代号是表示机床所具有的特殊性能,用大写汉语拼音字母表示,位于类别代号之后。特性代号分为通用特性代号、结构特性代号。1)通用特性代号当某类机床除有普通型外,还具有某些通用待性时,可用表2-2所列代号表示。例如:“CK”表示数控机床;“MBG”表示半自动高精度磨床。类型代号特性代号组别系别代号主参数第二参数重大改进顺序号其他特征代号表7-1类别代号第3页共16页第2页共16页编号:时间:2021年x月x日书山有路勤为径,学海无涯苦作舟页码:第3页共16页若某类型机床没有普通型,虽具有某种通用特性但不表示出来。例如:“C1107”表示单轴纵切自动车床,最大车削直径7mm;“CM1107”表示精密单轴纵切自动车床(Z不表示出来)。2)结构特性代号为区别主参数相同而结构不同的机床,在型号中用结构特性代号表示。结构特性代号也用拼音字母大写,但无统一规定。注意不要使用通用特性的代号来表示结构特性。3)组别、系别代号用二位阿拉伯数字表示某类机床具体产品名称.位于类代号或特性代号之后。每类机床按其结构性能及使用范围划分若干个系,同一系机床的基本结构和布局型式相同。机床的类、组划分详见配套教材表。4)主参数机床主参数表示机床规格的大小,用主参数折算值(即主参数×折算系数,通常折算系数为1/10或1/100)或实际值表示,一般用二位阿拉伯数字表示,位于组别、系别代号之后。5)第二主参数第二主参数一般指主轴数、最大跨距、最大工件长度、工作台面长度等。第二主参数也用折算值表示,位于型号主参数代号之后,并用“×”分开,读作“乘”。6)重大改进顺序号当机床的结构和性能有重大改进和提高,并而按新产品重新设计、试制和鉴定时,可按A、B、C……汉语拼音字母的顺序选用,加在型号的尾部,以示区别于原机床型号。7)其他特性代号如同一型号机床的变型代号,是其他特性代号中常...

1、当您付费下载文档后,您只拥有了使用权限,并不意味着购买了版权,文档只能用于自身使用,不得用于其他商业用途(如 [转卖]进行直接盈利或[编辑后售卖]进行间接盈利)。
2、本站所有内容均由合作方或网友上传,本站不对文档的完整性、权威性及其观点立场正确性做任何保证或承诺!文档内容仅供研究参考,付费前请自行鉴别。
3、如文档内容存在违规,或者侵犯商业秘密、侵犯著作权等,请点击“违规举报”。

碎片内容

连杆加工工艺

确认删除?
VIP
微信客服
  • 扫码咨询
会员Q群
  • 会员专属群点击这里加入QQ群
客服邮箱
回到顶部