电脑桌面
添加小米粒文库到电脑桌面
安装后可以在桌面快捷访问

河南联通城域网设备配置规范-华为ME60VIP免费

河南联通城域网设备配置规范-华为ME60_第1页
1/52
河南联通城域网设备配置规范-华为ME60_第2页
2/52
河南联通城域网设备配置规范-华为ME60_第3页
3/52
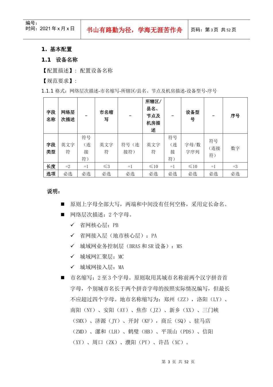
内部资料注意保密城域网设备配置规范—华为ME60中国联合网络通信有限公司河南省分公司二零一六年第2页共52页编号:时间:2021年x月x日书山有路勤为径,学海无涯苦作舟页码:第2页共52页目录1.基本配置....................................................................................................................................31.1设备名称.........................................................................................................................31.2系统时间配置...................................................................................................................41.3NTP配置...........................................................................................................................41.4文件管理........................................................................................................................51.5Banner配置....................................................................................................................52.网管配置....................................................................................................................................62.1登陆AAA...........................................................................................................................62.2SNMP.................................................................................................................................72.3用户..................................................................................................................................82.4SYSLOG.............................................................................................................................82.5TELNET..............................................................................................................................93.端口配置规范..........................................................................................................................103.1端口命名格式描述......................................................................................................103.2loopback........................................................................................................................113.3GE/TG............................................................................................................................113.4端口捆绑...................................................................................................................123.5POS.............................................................................................................................124.路由配置...................................................................................................................................134.1静态路由配置................................................................................................................134.2OSPF配置.....................................................................................................................134.3BGP配置..........................................................................................................................144.4MPLS配置......................................................................................................................174.5BFD配置...............................................................

1、当您付费下载文档后,您只拥有了使用权限,并不意味着购买了版权,文档只能用于自身使用,不得用于其他商业用途(如 [转卖]进行直接盈利或[编辑后售卖]进行间接盈利)。
2、本站所有内容均由合作方或网友上传,本站不对文档的完整性、权威性及其观点立场正确性做任何保证或承诺!文档内容仅供研究参考,付费前请自行鉴别。
3、如文档内容存在违规,或者侵犯商业秘密、侵犯著作权等,请点击“违规举报”。

碎片内容

河南联通城域网设备配置规范-华为ME60

您可能关注的文档

确认删除?
VIP
微信客服
  • 扫码咨询
会员Q群
  • 会员专属群点击这里加入QQ群
客服邮箱
回到顶部