电脑桌面
添加小米粒文库到电脑桌面
安装后可以在桌面快捷访问

安全生产责任制考核表(DOC31页)VIP免费

安全生产责任制考核表(DOC31页)_第1页
1/35
安全生产责任制考核表(DOC31页)_第2页
2/35
安全生产责任制考核表(DOC31页)_第3页
3/35
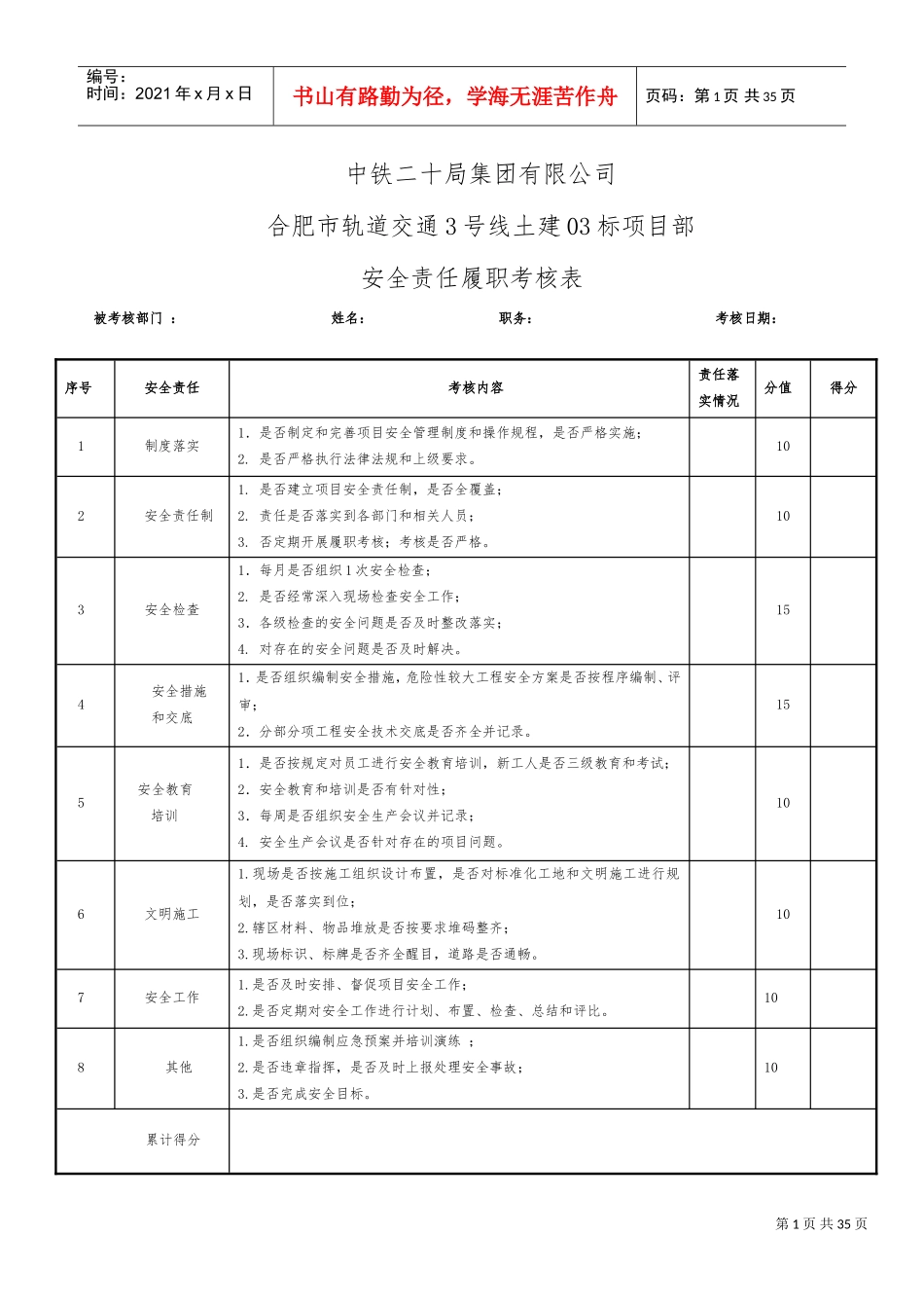
第1页共35页编号:时间:2021年x月x日书山有路勤为径,学海无涯苦作舟页码:第1页共35页中铁二十局集团有限公司合肥市轨道交通3号线土建03标项目部安全责任履职考核表被考核部门:姓名:职务:考核日期:序号安全责任考核内容责任落实情况分值得分1制度落实1.是否制定和完善项目安全管理制度和操作规程,是否严格实施;2.是否严格执行法律法规和上级要求。102安全责任制1.是否建立项目安全责任制,是否全覆盖;2.责任是否落实到各部门和相关人员;3.否定期开展履职考核;考核是否严格。103安全检查1.每月是否组织1次安全检查;2.是否经常深入现场检查安全工作;3.各级检查的安全问题是否及时整改落实;4.对存在的安全问题是否及时解决。154安全措施和交底1.是否组织编制安全措施,危险性较大工程安全方案是否按程序编制、评审;2.分部分项工程安全技术交底是否齐全并记录。155安全教育培训1.是否按规定对员工进行安全教育培训,新工人是否三级教育和考试;2.安全教育和培训是否有针对性;3.每周是否组织安全生产会议并记录;4.安全生产会议是否针对存在的项目问题。106文明施工1.现场是否按施工组织设计布置,是否对标准化工地和文明施工进行规划,是否落实到位;2.辖区材料、物品堆放是否按要求堆码整齐;3.现场标识、标牌是否齐全醒目,道路是否通畅。107安全工作1.是否及时安排、督促项目安全工作;2.是否定期对安全工作进行计划、布置、检查、总结和评比。108其他1.是否组织编制应急预案并培训演练;2.是否违章指挥,是否及时上报处理安全事故;3.是否完成安全目标。10累计得分第2页共35页编号:时间:2021年x月x日书山有路勤为径,学海无涯苦作舟页码:第2页共35页中铁二十局集团有限公司合肥市轨道交通3号线土建03标项目部安全责任履职考核表被考核部门:姓名:职务:考核日期:序号安全责任考核内容责任落实情况分值得分1制度落实1.是否制定和完善项目安全管理制度和操作规程,是否严格实施;2.是否严格执行法律法规和上级要求。102安全责任制1.是否建立项目安全责任制,是否全覆盖;2.责任是否落实到各部门和相关人员;3.否定期开展履职考核;考核是否严格。103安全检查1.每月是否组织1次安全检查;2.是否经常深入现场检查安全工作;3.各级检查的安全问题是否及时整改落实;4.对存在的安全问题是否及时解决。154安全措施和交底1.是否组织编制安全措施,危险性较大工程安全方案是否按程序编制、评审;2.分部分项工程安全技术交底是否齐全并记录。155安全教育培训1.是否按规定对员工进行安全教育培训,新工人是否三级教育和考试;2.安全教育和培训是否有针对性;3.每周是否组织安全生产会议并记录;4.安全生产会议是否针对存在的项目问题。106文明施工1.现场是否按施工组织设计布置,是否对标准化工地和文明施工进行规划,是否落实到位;2.辖区材料、物品堆放是否按要求堆码整齐;3.现场标识、标牌是否齐全醒目,道路是否通畅。10第3页共35页编号:时间:2021年x月x日书山有路勤为径,学海无涯苦作舟页码:第3页共35页7安全工作1.是否及时安排、督促项目安全工作;2.是否定期对安全工作进行计划、布置、检查、总结和评比。108其他1.是否组织编制应急预案并培训演练;2.是否违章指挥,是否及时上报处理安全事故;3.是否完成安全目标。10累计得分中铁二十局集团有限公司合肥市轨道交通3号线土建03标项目部安全责任履职考核表被考核部门:姓名:职务:考核日期:序号安全责任考核内容责任落实情况分值得分1安全管理体系1.是否督促项目设置和配备符合规定的安全管理机构和专职安全管理人员和质检员;2.是否策划项目安全生产监督管理措施、方案,并组织实施;3.是否保证安全管理体系有效运行。102制度落实1.是否组织制定项目安全管理制度和操作规程;2.是否完善安全制度和操作规程;并严格实施;3.是否严格执行法律法规和上级要求;4.是否组织危害因素辨识、评价,并组织制定相应的措施、方案和应急预案并组织培训演练。153安全责任制1.是否建立项目安全责任制,是否全覆盖;2.是否将责任落实到各部门和相关人员;3.是否督促开展定期安全责任履职考核。154文明...

1、当您付费下载文档后,您只拥有了使用权限,并不意味着购买了版权,文档只能用于自身使用,不得用于其他商业用途(如 [转卖]进行直接盈利或[编辑后售卖]进行间接盈利)。
2、本站所有内容均由合作方或网友上传,本站不对文档的完整性、权威性及其观点立场正确性做任何保证或承诺!文档内容仅供研究参考,付费前请自行鉴别。
3、如文档内容存在违规,或者侵犯商业秘密、侵犯著作权等,请点击“违规举报”。

碎片内容

安全生产责任制考核表(DOC31页)

您可能关注的文档

确认删除?
VIP
微信客服
  • 扫码咨询
会员Q群
  • 会员专属群点击这里加入QQ群
客服邮箱
回到顶部