电脑桌面
添加小米粒文库到电脑桌面
安装后可以在桌面快捷访问

设备安装通用工艺标准VIP免费

设备安装通用工艺标准_第1页
1/39
设备安装通用工艺标准_第2页
2/39
设备安装通用工艺标准_第3页
3/39
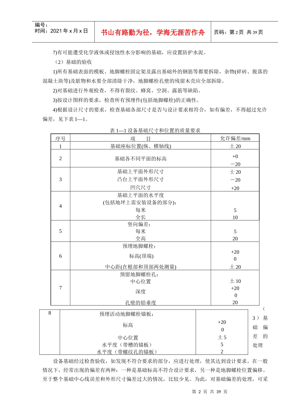
第1页共39页编号:时间:2021年x月x日书山有路勤为径,学海无涯苦作舟页码:第1页共39页设备安装通用工艺标准本工艺适用于通用设备安装工程中设备基础、地脚螺栓、垫铁的施工及设备的校正。一、施工准备(一)技术准备1、设备图、安装基础图、工艺流程图、产品使用说明书;2、土建相关的图纸;3、国家规定的施工规范及标准;4、施工平面布置图。(二)主要器具及材料1、机具:电焊机、砂轮机、导链、千斤顶、钳工移动操作台、轮轴节定心卡具、钢丝绳、手电筒、各种钳工工具及专用工具。2、材料:钢板、橡胶板、道木、木板、铜皮、铅丝、煤油、汽油、砂布、金相纸、塑料布、白布、棉纱、尼龙绳、脱脂液等。3、仪器仪表:水准仪、千分表、外径千分尺、内径千分尺、游标卡尺、水平仪、塞尺、钢板尺、卷尺、转速表等。(三)现场作业条件1、设备房内墙面、门窗及内部粉刷等基本完毕,能遮蔽风、沙、雨、雪。2、接通水源、电源、运输和消防道路畅通。3、土建设备基础已完成。二、施工工艺(一)设备基础1、基础的检验(1)基础的主要技术要求1)基础重心与设备重心应在同一铅垂线上,其允许偏移不得超过基础中心至基础边缘水平距离的3%~5%。2)基础标高、位置和尺寸,必须符合生产工艺要求和技术条件。3)同一基础应在同一标高线上,但设备基础不得与任何房屋基础相连,而且要保持一定的间距。4)基础的平面尺寸应按设备的底座轮廓尺寸而定,底座边缘至基础侧面的水平距离应不小于100mm。5)设备安装在混凝土基础上,当其静荷载P≥100N/m2时,则混凝土基础内要放两层由直径10mm的钢筋以15cm方格编成的钢筋网加固,上层钢筋网低于基础表面不应小于5cm,其上下层钢筋网的总厚度不应小于20cm。6)凡精度较高,且不能承受外来的动力,或本身振动大的设备,必须敷设防振层,以减小振动的振幅,并防止其传播。第2页共39页第1页共39页编号:时间:2021年x月x日书山有路勤为径,学海无涯苦作舟页码:第2页共39页7)有可能遭受化学液体或侵蚀性水分影响的基础,应设置防护水泥。(2)基础的验收1)所有基础表面的模板、地脚螺栓固定架及露出基础外的钢筋等都要拆除,杂物(碎砖、脱落的混凝土块等)及脏物和水要全部清除干净,地脚螺栓孔壁的残留木壳应全部拆除。2)对基础进行外观检查,不得有裂纹、蜂窝、空洞、露筋等缺陷。3)按设计图样的要求,检查所有预埋件(包括地脚螺栓)的正确性。4)根据设计尺寸的要求,检查基础各部尺寸是否与设计要求相符合,如有偏差,不得超过允许偏差,见下表1—1。表1—1设备基础尺寸和位置的质量要求序号项目允许偏差/mm1基础座标位置(纵、横轴线)土202基础各不同平面的标高+0-203基础上平面外形尺寸士20凸台上平面外形尺寸-20凹穴尺寸+204基础上平面的水平度(包括地坪上需安装设备的部分):每米5全长105竖向偏差:每米5全高206预埋地脚螺栓:标高(顶端)+200中心距(在根部和顶部两处测量)土207预留地脚螺栓孔:中心位置土10深度+200孔壁的铅垂度20(3)基础偏差的处理设备基础经过检查验收,如发现不符合要求的部分,应进行处理,使其达到设计要求。在一般情况下,经常出现的偏差有两种:一种是基础标高不符合设计要求,另一种是地脚螺栓位置偏移。至于整个基础中心线误差和外形尺寸偏差过大的情况,比较少见。为此,对基础偏差的处理,可采8预埋活动地脚螺栓锚板:标高+200中心位置土5水平度(带槽的锚板)5水平度(带螺纹孔的锚板)2第3页共39页第2页共39页编号:时间:2021年x月x日书山有路勤为径,学海无涯苦作舟页码:第3页共39页用下列方法:1)当基础标高达不到要求时,如基础过高,可用凿子铲低;过低时,可在原来的基础表面进行麻面后再补灌混凝土,或者用增加金属支架的方法来解决。2)当基础偏差过大时,可用改变地脚螺栓的位置,来调整基础的中心。3)地脚螺栓的偏差:如是一次灌浆,在偏差较小的情况下,可把螺栓用气焊枪烤红,矫正到正确位置;如偏差过大,对于较小的螺栓,可挖出重新预埋;对于较大的地脚螺栓,挖到一定深度后割断,中间焊上一块钢板。4)上述处理方法的实施,必要时,要征得设计、建设单位等的认定。5)基础经过处理合格后,方可进行...

1、当您付费下载文档后,您只拥有了使用权限,并不意味着购买了版权,文档只能用于自身使用,不得用于其他商业用途(如 [转卖]进行直接盈利或[编辑后售卖]进行间接盈利)。
2、本站所有内容均由合作方或网友上传,本站不对文档的完整性、权威性及其观点立场正确性做任何保证或承诺!文档内容仅供研究参考,付费前请自行鉴别。
3、如文档内容存在违规,或者侵犯商业秘密、侵犯著作权等,请点击“违规举报”。

碎片内容

设备安装通用工艺标准

确认删除?
VIP
微信客服
  • 扫码咨询
会员Q群
  • 会员专属群点击这里加入QQ群
客服邮箱
回到顶部