电脑桌面
添加小米粒文库到电脑桌面
安装后可以在桌面快捷访问

注射液工艺验证方案VIP专享VIP免费

注射液工艺验证方案_第1页
1/17
注射液工艺验证方案_第2页
2/17
注射液工艺验证方案_第3页
3/17
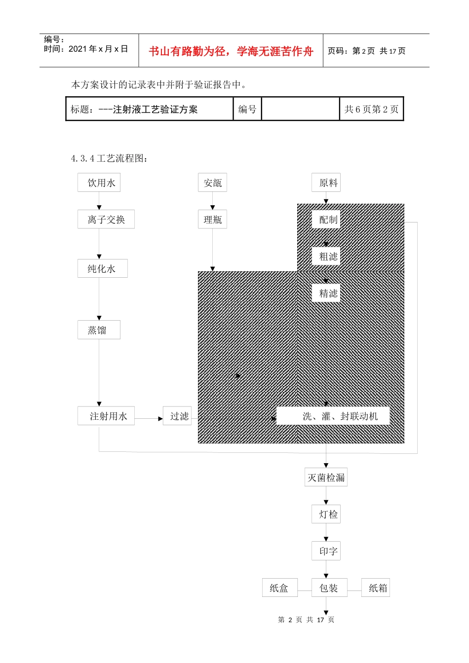
第1页共17页编号:时间:2021年x月x日书山有路勤为径,学海无涯苦作舟页码:第1页共17页1、目的:此工艺验证是建立在厂房,空气洁净度,工艺用水及设备和设备清洁已验证并合格的基础上展开的,拟通过连续三批生产来验证该产品的工艺规程,对维生素C注射液生产中可能影响产品质量的各种生产系统条件和生产工艺变化因素控制在工艺规程规定的标准范围内,确保产品的可靠性和稳定性,生产出符合企业内控标准的--注射液。2、适用范围:适用于维生素C注射液的工艺验证。3、责任者:参加维生素C注射液工艺验证的人员。4、方案4.1、验证方法:本产品工艺验证方案计划在水针新车间生产前三批的生产过程中进行验证。4.2、相关文件《验证SMP》《----注射液工艺规程》YBSTP-SC027-034.3、方案概要4.3.1主要工艺内容及生产条件如下:十万级洁净区万级局部100级一般生产区-洗瓶、杀菌干燥-配液-灭菌检漏-灌封-灯检-印包4.3.2验证过程具体分为六个生产工艺过程:⑴洗瓶、杀菌干燥⑵配液⑶灌封⑷灭菌⑸灯检⑹印包4.3.3每个生产工艺过程验证的每一项内容中均包括描述与生产过程相关的规程,文件和相关的设备,并阐述生产系统各种元素的评价方法及生产过程中各种可能影响产品质量的因素提供变量的评价方法。生产系统各种元素的评价方法中阐述了在生产前、生产过程中及生产过程结束后对生产系统各种元素特征的检查内容及评价标准。每项检查评价结束后评价及检查结果应记录于本方案中设计的记录表中,并附于验证报告中。生产过程中各种可能影响产品质量的工艺变量的评价方法,阐述了生产过程中应进行的一系列有关工艺变量的评价方法及评价标准。评价结果应记录于标题---注射液工艺验证方案共6页第1页文件编码制定人审核人批准人生效日期日期日期日期修订日期起草部门生产技术部颁发部门GMP办公室分发部门生产技术部、质量部、车间、档案室第2页共17页第1页共17页编号:时间:2021年x月x日书山有路勤为径,学海无涯苦作舟页码:第2页共17页本方案设计的记录表中并附于验证报告中。4.3.4工艺流程图:饮用水安瓿原料离子交换理瓶配制粗滤纯化水精滤蒸馏注射用水过滤洗、灌、封联动机灭菌检漏灯检印字纸盒包装纸箱标题:---注射液工艺验证方案编号共6页第2页入库第3页共17页第2页共17页编号:时间:2021年x月x日书山有路勤为径,学海无涯苦作舟页码:第3页共17页4.3.5质量标准及文件《质量标准》《中国药典》2000版二部《--注射液中间体质量标准》《YBSTP-QA209-00》《--注射液成品质量标准》《YBSTP-QA300-00》维生素C注射液质量标准项目内控标准中国药典2000版二部含量96~108%90~110%性状无色或微黄色澄明液体无色或微黄色澄明液体PH值5.3~6.85.0~7.0鉴别应符合规定应符合规定颜色应符合规定应符合规定细菌内毒素应符合规定每1ml中含内毒素≤2.5EU其他应符合规定应符合规定效期一年半贮藏遮光、密封保存4.3.6生产系统要素的评价:目的:提供文字依据证明生产系统要素符合维生素注射液生产准备和工艺条件.从而保证用此系统生产的各种物料符合质量标准,最终生产出符合质量林求的合格的产品.⑴项目:相关文件洗瓶、杀菌干燥SOPYBSOP-WS214-00YBSOP-WS201-00YBSOP-WS202-00YBSOP-SC260-00YBSOP-SC261-00配液YBSOP-WS213-00YBSOP-SC262-00YBSOP-WS203-00灌封YBSOP-WS215-00YBSOP-SC264-00YBSOP-WS204-00灭菌YBSOP-WS216-00YBSOP-SC269-00YBSOP-WS209-00灯检YBSOP-WS217-00印字YBSOP-WS218-00YBSOP-SC270-00YBSOP-WS207-00评价方法检查所有文件的完备情况。标题:---注射液工艺验证方案编号共6页第3页第4页共17页第3页共17页编号:时间:2021年x月x日书山有路勤为径,学海无涯苦作舟页码:第4页共17页判断标准所有相关文件内容齐全,文件齐备。⑵项目:操作间清洁、清场评价方法在每批产品的生产准备开始前检查操作间清场和清洁情况。判断标准所有的房间已得到清洁,并没有任何前一批生产的遗留物,有房间清洁状态标识。⑶项目:设备清洁评价方法在每批产品的生产准备开始前检查设备的清洁情况。判断标准所有的设备都是清洁的,没有前一批生产的污染物,且有清洁待用的状态标识。⑷项目:文件完备评价...

1、当您付费下载文档后,您只拥有了使用权限,并不意味着购买了版权,文档只能用于自身使用,不得用于其他商业用途(如 [转卖]进行直接盈利或[编辑后售卖]进行间接盈利)。
2、本站所有内容均由合作方或网友上传,本站不对文档的完整性、权威性及其观点立场正确性做任何保证或承诺!文档内容仅供研究参考,付费前请自行鉴别。
3、如文档内容存在违规,或者侵犯商业秘密、侵犯著作权等,请点击“违规举报”。

碎片内容

注射液工艺验证方案

确认删除?
VIP
微信客服
  • 扫码咨询
会员Q群
  • 会员专属群点击这里加入QQ群
客服邮箱
回到顶部