电脑桌面
添加小米粒文库到电脑桌面
安装后可以在桌面快捷访问

某机械加工车间低压配电系统与变电所设计VIP免费

某机械加工车间低压配电系统与变电所设计_第1页
1/13
某机械加工车间低压配电系统与变电所设计_第2页
2/13
某机械加工车间低压配电系统与变电所设计_第3页
3/13
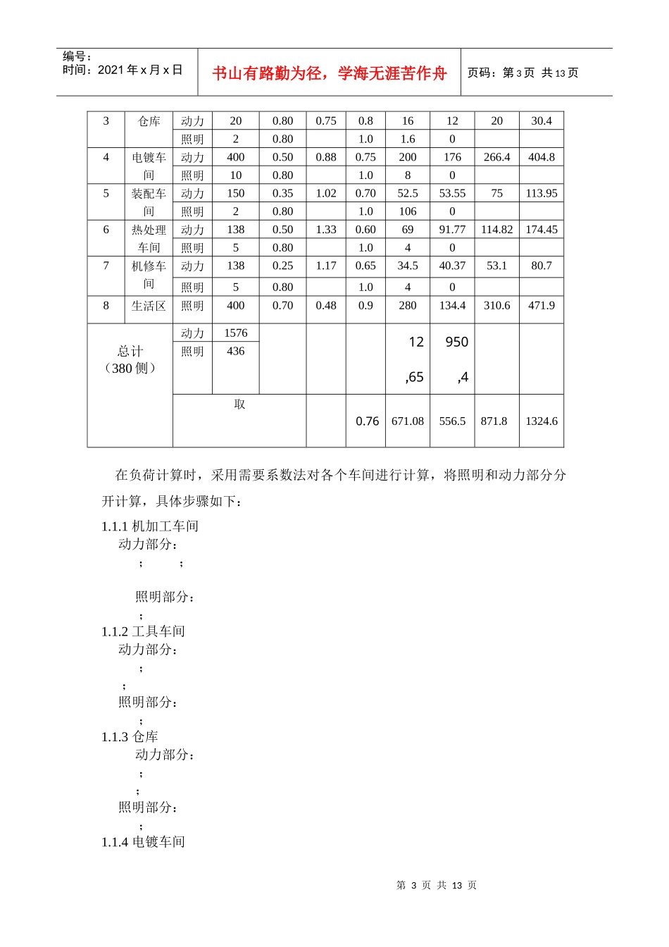
第1页共13页编号:时间:2021年x月x日书山有路勤为径,学海无涯苦作舟页码:第1页共13页更多资料请访问.(.....)更多企业学院:...../Shop/《中小企业管理全能版》183套讲座+89700份资料...../Shop/40.shtml《总经理、高层管理》49套讲座+16388份资料...../Shop/38.shtml《中层管理学院》46套讲座+6020份资料...../Shop/39.shtml《国学智慧、易经》46套讲座...../Shop/41.shtml《人力资源学院》56套讲座+27123份资料...../Shop/44.shtml《各阶段员工培训学院》77套讲座+324份资料...../Shop/49.shtml《员工管理企业学院》67套讲座+8720份资料...../Shop/42.shtml《工厂生产管理学院》52套讲座+13920份资料...../Shop/43.shtml《财务管理学院》53套讲座+17945份资料...../Shop/45.shtml《销售经理学院》56套讲座+14350份资料...../Shop/46.shtml《销售人员培训学院》72套讲座+4879份资料...../Shop/47.shtml天成机械加工车间低压配电系统及车间变电所设计目录第2页共13页第1页共13页编号:时间:2021年x月x日书山有路勤为径,学海无涯苦作舟页码:第2页共13页1、负荷计算和无功功率补偿1.1总负荷计算负荷计算表如表1所示。表1天成机械加工车间负荷计算表厂房编号用电单位名称负荷性质设备容量/kw需要系数Kd功率因数P30/KWQ30/KvarS30/KVAI30/A1机加工车间动力4000.201.330.6080106.4133.12202.3照明50.801.0402工具车间动力3380.251.170.6584.593.6123.45187.56照明70.901.06.30第3页共13页第2页共13页编号:时间:2021年x月x日书山有路勤为径,学海无涯苦作舟页码:第3页共13页3仓库动力200.800.750.816122030.4照明20.801.01.604电镀车间动力4000.500.880.75200176266.4404.8照明100.801.0805装配车间动力1500.351.020.7052.553.5575113.95照明20.801.010606热处理车间动力1380.501.330.606991.77114.82174.45照明50.801.0407机修车间动力1380.251.170.6534.540.3753.180.7照明50.801.0408生活区照明4000.700.480.9280134.4310.6471.9总计(380侧)动力157612٫65950٫4照明436取0.76671.08556.5871.81324.6在负荷计算时,采用需要系数法对各个车间进行计算,将照明和动力部分分开计算,具体步骤如下:1.1.1机加工车间动力部分:;;照明部分:;1.1.2工具车间动力部分:;;照明部分:;1.1.3仓库动力部分:;;照明部分:;1.1.4电镀车间第4页共13页第3页共13页编号:时间:2021年x月x日书山有路勤为径,学海无涯苦作舟页码:第4页共13页动力部分:;;照明部分:;1.1.5装配车间动力部分:;;照明部分:;1.1.6热处理车间动力部分:;;照明部分:;1.1.7机修车间动力部分:;;照明部分:;1.1.8生活区照明部分:;;总计如下:所有车间的照明负荷:取全厂的同时系数为:,,则全厂的计算负荷为:此时的功率因数cos=第5页共13页第4页共13页编号:时间:2021年x月x日书山有路勤为径,学海无涯苦作舟页码:第5页共13页1.2无功功率补偿由上边的计算以及表一可知,此时的功率因数cos=即该厂380V侧最大负荷时的功率因素只有0.76,而供电部门要求该厂10KV进线最大负荷时的功率因素不应地于0.90。考虑到主变压器的无功损耗远大于有功损耗,因此380V侧最大负荷时的功率因素应稍大于0.90,固取0.92来计算380V侧所需无功功率补偿容量:Qc=P30(tanΦ1-tanΦ2)=671.08[tan(arccos0.76)-tan(arccos0.92)]Kvar=288Kvar取:=288则补偿后变电所低压侧的视在计算负荷为:计算电流:变压器的功率损耗为:变电所高压侧的计算负荷为:;则可得补偿后的功率因数为:0.90满足要求。因此无功补偿后工厂380V侧和10KV侧的负荷计算表如下:表2无功补偿后工厂的计算负荷第6页共13页第5页共13页编号:时间:2021年x月x日书山有路勤为径,学海无涯苦作舟页码:第6页共13页1.3年耗电量的估算年有功电能消耗量及年无功电能耗电量可由下式计算得到:年有功电能消耗量:年无功电能耗电量:结合本厂的情况,年负荷利用小时数为4800h,取年平均有功负荷系数,年平均无功负荷系数。由此可得本厂:年有功耗电量:;年无功耗电量:2、变电所主变压器和主结线方案的选择1.变电所主变压器的选择根据工厂的负荷性质和电...

1、当您付费下载文档后,您只拥有了使用权限,并不意味着购买了版权,文档只能用于自身使用,不得用于其他商业用途(如 [转卖]进行直接盈利或[编辑后售卖]进行间接盈利)。
2、本站所有内容均由合作方或网友上传,本站不对文档的完整性、权威性及其观点立场正确性做任何保证或承诺!文档内容仅供研究参考,付费前请自行鉴别。
3、如文档内容存在违规,或者侵犯商业秘密、侵犯著作权等,请点击“违规举报”。

碎片内容

某机械加工车间低压配电系统与变电所设计

您可能关注的文档

确认删除?
VIP
微信客服
  • 扫码咨询
会员Q群
  • 会员专属群点击这里加入QQ群
客服邮箱
回到顶部