电脑桌面
添加小米粒文库到电脑桌面
安装后可以在桌面快捷访问

第八章-PP08_新增物料、物料清单、工艺、工作中心流程VIP免费

第八章-PP08_新增物料、物料清单、工艺、工作中心流程_第1页
1/36
第八章-PP08_新增物料、物料清单、工艺、工作中心流程_第2页
2/36
第八章-PP08_新增物料、物料清单、工艺、工作中心流程_第3页
3/36
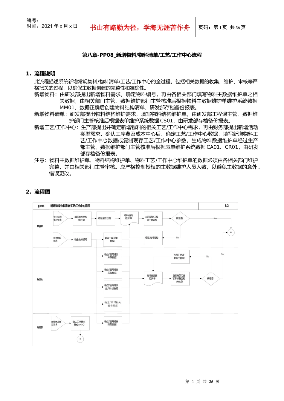
第1页共36页编号:时间:2021年x月x日书山有路勤为径,学海无涯苦作舟页码:第1页共36页第八章-PP08_新增物料/物料清单/工艺/工作中心流程1.流程说明此流程描述系统新增常规物料/物料清单/工艺/工作中心的全过程,包括相关数据的收集、维护、审核等严格把关的过程,以确保主数据创建的完整性和准确性。新增物料:由研发部提出新增物料需求,确定物料编号,再由各相关部门填写物料主数据维护单之相关数据,由相关部门主管、数据维护部门主管核准后根据物料主数据维护单维护系统数据MM01,数据正确后创建物料结构清单,研发部存档备份报表。新增物料清单:研发部提出物料结构维护需求,填写物料结构维护单,由研发部工程课主管、数据维护部门主管核准后根据表单维护系统数据CS01,由研发部存档备份报表。新增工艺/工作中心:生产部提出并确定新增物料的相关工艺/工作中心需求,再由财务部提出新增活动类型需求,确认工序费及成本中心后,确定工艺/工作中心数据,填写新增物料工艺/工作中心数据或复制现存工艺/工作中心参数,生成物料数据维护单经过生产部主管、数据维护部门主管核准后根据表单维护系统数据CA01、CR01,由研发部存档备份报表。注意:物料主数据维护单、物料结构维护单、物料工艺/工作中心维护单的数据必须由各相关部门维护完整,并由相关部门主管审核。应严格控制授权的主数据维护人员人数,以避免主数据的意外、错误更改。2.流程图第2页共36页第1页共36页编号:时间:2021年x月x日书山有路勤为径,学海无涯苦作舟页码:第2页共36页3.系统操作3.1.操作范例1新建一个物料:3.1.1系统菜单及交易代码后勤物料管理物料主记录物料创建(一般)立即交易代码:MM013.1.2系统屏幕及栏位解释第3页共36页第2页共36页编号:时间:2021年x月x日书山有路勤为径,学海无涯苦作舟页码:第3页共36页栏位名称栏位说明资料范例物料需新增物料的号码系统内部给号行业领域物料所存在的领域M物料类型所需新增物料的品别,具体物料类型如下成品AOF物料类型定义代码编码范围补充说明产成品用于销售给顾客的商品规格产成品国内制造,用于常规销售的商品Z100100000-199999采购之物料,如直接用于销售给客户的则定义为外购商品(该外购商品与财务设置的会计科目——外购商品保持一致);进口产成品从国外进口,用于销售的商品Z300300000-399999包括进口定制品订制产成品为顾客的特殊需求而生产或采购的,用于销售的国产非常规商品Z400400000-499999原物料通过采购获得的,用于生产加工的物料规格原物料通过采购获得的,用于生Z600600000-采购之物料,如须经过加工制造的则第4页共36页第3页共36页编号:时间:2021年x月x日书山有路勤为径,学海无涯苦作舟页码:第4页共36页物料类型定义代码编码范围补充说明产加工规格商品的物料699999定义为原物料(该原物料与财务设置的会计科目——原物料保持一致);螺丝、螺帽等价值很低的物料,定义为原物料订制原物料为顾客的特殊需求采购的,用于生产订制产成品的物料Z800800000-899999半成品由工厂加工生产而成,用于进一步生产的物料Z900900000-999999对半成品应进行相应的下单、库存管理等作业;根据实际情况,可将部分半成品设为虚拟件,以降低相关工作量。备品备件通过采购获得的,用于设备维修及保养的物料Z0101000-4999服务类物料售后服务人员为顾客提供的有偿的售后服务Z0606000-9999按键进入下一个画面。第5页共36页第4页共36页编号:时间:2021年x月x日书山有路勤为径,学海无涯苦作舟页码:第5页共36页根据需求选定所需新增数据的视图。各视图必选项、可选项内容如下:序号视图必选项可选项填写单位长度字段名备注1bac1描述研发40位MAKT-MAKTX2基本计量单位研发3位MARA-MEINS3物料组研发5位/选择MARA-MATKL4部门2位/选择MARA-SPART全部为015普通项目类别组研发4位/选择MARA-MTPOS_MARA0002:可配置NORM:一般LUMF:SALESBOMLEIS:打孔费6旧物料号研发18位MARA-BISMT7产品层次研发18位/选择MARA-PRDHA只有产成品、半成品为必选8大小/量纲研发32位MARA-GROES9bac2设计图凭证研发22位MARA-ZEINR10物料是可配置的研发打勾/料号MARA-KZK...

1、当您付费下载文档后,您只拥有了使用权限,并不意味着购买了版权,文档只能用于自身使用,不得用于其他商业用途(如 [转卖]进行直接盈利或[编辑后售卖]进行间接盈利)。
2、本站所有内容均由合作方或网友上传,本站不对文档的完整性、权威性及其观点立场正确性做任何保证或承诺!文档内容仅供研究参考,付费前请自行鉴别。
3、如文档内容存在违规,或者侵犯商业秘密、侵犯著作权等,请点击“违规举报”。

碎片内容

第八章-PP08_新增物料、物料清单、工艺、工作中心流程

您可能关注的文档

确认删除?
VIP
微信客服
  • 扫码咨询
会员Q群
  • 会员专属群点击这里加入QQ群
客服邮箱
回到顶部