电脑桌面
添加小米粒文库到电脑桌面
安装后可以在桌面快捷访问

室内给水管道及配件安装工程检验批质量验收记录表VIP专享VIP免费

室内给水管道及配件安装工程检验批质量验收记录表_第1页
1/2
室内给水管道及配件安装工程检验批质量验收记录表_第2页
2/2
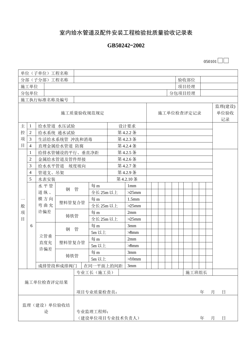
室内给水管道及配件安装工程检验批质量验收记录表GB50242-2002050101单位(子单位)工程名称分部(子分部)工程名称验收部位施工单位项目经理分包单位分包项目经理施工执行标准名称及编号施工质量验收规范规定施工单位检查评定记录监理(建设)单位验收记录主控项目1给水管道水压试验设计要求2给水系统通水试验第4.2.2条3生活给水系统管冲洗和消毒第4.2.3条4直埋金属给水管道防腐第4.2.4条一般项目1给排水管铺设的平行、垂直净距第4.2.5条2金属给水管道及管件焊接第4.2.6条3给水水平管道坡度坡向第4.2.7条4管道支、吊架第4.2.9条5水表安装第4.2.10条6水平管道纵、横方向弯曲允许偏差钢管每m1mm全长25m以上≯�25mm塑料管复合管每m1.5mm全长25m以上≯�25mm铸铁管每m2mm全长25m以上≯�25mm立管垂直度允许偏差钢管每m3mm5m以上≯�8mm塑料管复合管每m2mm5m以上≯�8mm铸铁管每m3mm5m以上≯�10mm成排管段和成排阀门在同一平面上的间距3mm施工单位检查评定结果专业工长(施工员)施工班组长项目专业质量检查员:年月日监理(建设)单位验收结论专业监理工程师:(建设单位项目专业技术负责人)年月日

1、当您付费下载文档后,您只拥有了使用权限,并不意味着购买了版权,文档只能用于自身使用,不得用于其他商业用途(如 [转卖]进行直接盈利或[编辑后售卖]进行间接盈利)。
2、本站所有内容均由合作方或网友上传,本站不对文档的完整性、权威性及其观点立场正确性做任何保证或承诺!文档内容仅供研究参考,付费前请自行鉴别。
3、如文档内容存在违规,或者侵犯商业秘密、侵犯著作权等,请点击“违规举报”。

碎片内容

室内给水管道及配件安装工程检验批质量验收记录表

确认删除?
VIP
微信客服
  • 扫码咨询
会员Q群
  • 会员专属群点击这里加入QQ群
客服邮箱
回到顶部