电脑桌面
添加小米粒文库到电脑桌面
安装后可以在桌面快捷访问

《机电设备安装与维修》专业教学计划VIP专享VIP免费

《机电设备安装与维修》专业教学计划_第1页
1/10
《机电设备安装与维修》专业教学计划_第2页
2/10
《机电设备安装与维修》专业教学计划_第3页
3/10
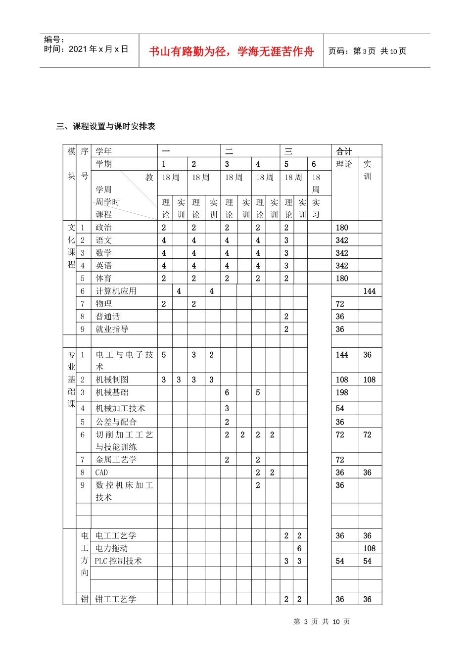
第1页共10页编号:时间:2021年x月x日书山有路勤为径,学海无涯苦作舟页码:第1页共10页更多企业学院:《中小企业管理全能版》183套讲座+89700份资料《总经理、高层管理》49套讲座+16388份资料《中层管理学院》46套讲座+6020份资料《国学智慧、易经》46套讲座《人力资源学院》56套讲座+27123份资料《各阶段员工培训学院》77套讲座+324份资料《员工管理企业学院》67套讲座+8720份资料《工厂生产管理学院》52套讲座+13920份资料《财务管理学院》53套讲座+17945份资料《销售经理学院》56套讲座+14350份资料《销售人员培训学院》72套讲座+4879份资料第2页共10页第1页共10页编号:时间:2021年x月x日书山有路勤为径,学海无涯苦作舟页码:第2页共10页《机电设备安装与维修》专业实施性教学计划一、招生对象及学制本专业招收初中毕业生或具有同等学历者,学制三年。二、培养目标:1、总体目标本专业培养与我国社会主义现代化建设要求相适应,德、智、体、美、劳全面发展,具有综合职业能力,在机械加工生产第一线工作的机械加工操作工人。本专业毕业生应当具有为国家富强和人民富裕而艰苦奋斗的献身精神,具有实事求是、独立思考、勇于拓新的科学精神;具有良好的职业道德和思想品质;具有基本的科学文化素养;掌握必要的文化基础知识、专业技术知识和比较熟练的职业技能;有健康体魄和心理;具有基本的审美能力。2、业务范围本专业毕业生主要面向各类机械制造行业,主要从事普通机械制造加工的工艺实施、加工质量检测和机械加工设备的调试、操作、保养等工作。也可从事机电产品的营销与技术服务等与机电技术应用相关的工作。3、文化知识具备必备的文化基础知识。主要应具有良好的思想品质、良好的身体素质;具有应用马克思主义哲学分析问题的能力;具有应用数学知识解决机械制造中问题的能力;具有一定的语言表达能力和写作能力;具有一定的英语听、说、读、写的能力;能用计算机处理日常驻工作的能力。4、职业道德要求通过进行以为人民服务思想为核心的职业道德基本常识教育,特别是进行职业道德基本规范的教育与训练,使学生明确社会主义职业道德基本规范的基本内容,树立敬业意识、服务意识、质量意识、竞争意识、团结协作意识、改革创新意识,增强法纪观念,提高辩别抵制不正之风的能力,为学生形成与其将来所从事的职业相适应的良好的职业道德和职业行为习惯奠定基础。进行以培养学生职业意识、求职能力、创业精神等方面的职业指导。5、专业理论知识要求①、掌握机械制图的基本知识,具有较强的识图能力。②、掌握机械加工及装配的常规工艺。③、掌握主要机械加工设备的结构、调整及金属切削加工的基本知识。④、了解电工、电子、数控等技术在机械加工中应用的基本知识。6、专业操作技能要求①、具有机械加工的基本技能并能熟练地操作1~2种机械加工设备。②、具有检测产品的基本技能及分析零件加工质量的初步能力。③、具有对一般加工设备进行安装、维护和排除故障的初步能力7、证书要求①、通过各门理论和技能课的考试(考核)。②、拿到劳动部门颁发的车、钳、电、焊等其中一个工种的职业等级证书。毕业生必须同时具备上述二项方可毕业,否则不予颁发毕业证书。第3页共10页第2页共10页编号:时间:2021年x月x日书山有路勤为径,学海无涯苦作舟页码:第3页共10页三、课程设置与课时安排表模块序号学年一二三合计学期123456理论实训教学周周学时课程18周18周18周18周18周18周理论实训理论实训理论实训理论实训理论实训实习文化课程1政治222221802语文444433423数学444433424英语444433425体育222221806计算机应用441447物理22728普通话2369就业指导236专业基础课1电工与电子技术532144362机械制图33331081083机械基础651984机械加工技术3545公差与配合2366切削加工工艺与技能训练222272727金属工艺学22728CAD2236369数控机床加工技术236电工方向电工工艺学223636电力拖动6108PLC控制技术335454钳钳工工艺学223636第4页共10页第3页共10页编号:时间:2021年x月x日书山有路勤为径,学海无涯苦作舟页码:第4页共10页专业方向课工方向钳工实习与考级8144金属材料与热处理223636焊工...

1、当您付费下载文档后,您只拥有了使用权限,并不意味着购买了版权,文档只能用于自身使用,不得用于其他商业用途(如 [转卖]进行直接盈利或[编辑后售卖]进行间接盈利)。
2、本站所有内容均由合作方或网友上传,本站不对文档的完整性、权威性及其观点立场正确性做任何保证或承诺!文档内容仅供研究参考,付费前请自行鉴别。
3、如文档内容存在违规,或者侵犯商业秘密、侵犯著作权等,请点击“违规举报”。

碎片内容

《机电设备安装与维修》专业教学计划

确认删除?
VIP
微信客服
  • 扫码咨询
会员Q群
  • 会员专属群点击这里加入QQ群
客服邮箱
回到顶部