电脑桌面
添加小米粒文库到电脑桌面
安装后可以在桌面快捷访问

井架物料提升机安全技术措施VIP免费

井架物料提升机安全技术措施_第1页
1/3
井架物料提升机安全技术措施_第2页
2/3
井架物料提升机安全技术措施_第3页
3/3
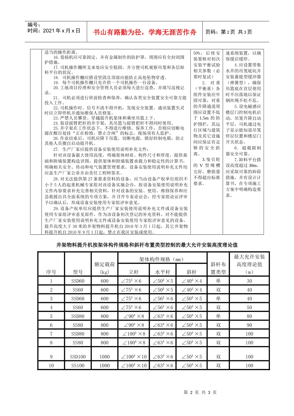
第1页共3页编号:时间:2021年x月x日书山有路勤为径,学海无涯苦作舟页码:第1页共3页井架物料提升机安全技术措施井架物料提升机安全技术措施规定传动类型不同提升高度对应的安全技术措施规定提升高度小于等于30m时的基本规定(共用部分)提升高度小于等于30m时的基本规定(对不同传动类型的不同要求)提升高度大于30m的补充要求卷筒卷扬式1.断绳保护装置、停层保护装置(即安全停靠装置)应安全可靠、分别起作用且操作维修方便。2.吊笼卸料侧安全内门的开启应与停层保护装置有效联动。3.应设非自动复位的上极限开关、下极限开关,和自动复位的上行程限位开关、下行程限位开关,其触发元件不应共用。上、下行程限位开关应能自动地将吊笼从额定速度上停止。不应以触发上、下限位开关来作为吊笼在最高层站和地面站停站的操作。(1)上行程限位开关的安装位置应应保证吊笼触发该开关后,从吊篮的最高位置到天梁最低处的上部安全距离不小于3.5m。(2)下行程限位开关的安装位置应保证吊笼以额定载重量下降时,触板触发该开关使吊笼制停,此时触板离下极限开关还应有一定行程。(3)在正常工作状态下,上极限开关的安装位置应处于吊篮允许提升的最高工作位置,以保证从吊篮的最高位置到天梁最低处的距离应不小于3m,且上极限开关与上行程限位开关之间的越程距离为0.5m。(4)在正常工作状态下,下极限开关的安装位置应保证吊笼在碰到缓冲器之前下极限开关先动作。4.井字架必须具备闭路电视系统和对讲通讯装置。司机通过闭路电视系统能清楚看到各站的进出料口及吊笼内的状况,以确保在吊笼内有人时不得开机;对讲通讯装置必须是闭路双向通讯系统,司机应能与每一站通话。5.架体搭设时,每一杆件的节点及接头的一边螺栓数量不少于2个,不得漏装或以铅丝代替。6.架体外侧除卸料口外宜使用孔或间隙小于400mm2的小网眼安全网或金属网防护,不得使用阻碍视线或增加风荷载的材料。7.附墙架与建筑物及架体之间均应采用刚性连接,并形成稳定结构,但不得直接焊接在架体结构件上(如立杆)。8.首层进料口防护棚必须独立搭设,禁止支承在架体上。9.卸料平台应单独设立,其设计和搭设承载能力应符合不小于300kg/m2要求,不得与井字架架体连接,与墙体拉接采用刚性连接。10.卸料平台两侧应设立二道防护栏杆和踢脚板,脚手板满铺并固定。卸料平台与通道必须向建筑物内侧稍微倾斜,严禁其向建筑物外侧倾斜。11.各卸料平台口必须悬挂安全警示标志(严禁探头、超载、乘人)、限定荷载牌和楼层数标牌。12.卸料平台外门应采用型材及钢网制做,开启灵活、轻便,且不得往架内开启,高度应不少于1.3米。卸料平台外门必须为常闭门,采用联锁装置控制(任一层防护门未关闭,吊篮不得运行),并应在控制台设防护门未关闭到位的警示信号。井架卸料口外门上缘和卸料口架体开口部位上缘之间部位,应采用边缘可靠固定而中间部位可移动调节的全封闭安全立网实施封闭,以确保在吊篮运行全过程人体任何部位无法进入井字架内。13.吊篮两侧应用高度不少于1.5米的安全档板防护,顶部应进行封闭。14.吊篮颜色应与架体颜色区别,并醒目。14.钢丝绳应有过路保护并不得拖地,钢丝绳与其它保护装置间应有1.应设置带集水井的吊笼底坑并安装耗能型缓冲器(液压型),确保吊篮底在首层使用时不应落地以保证钢丝绳不松不乱。2.提升吊笼钢丝绳应不少于两条。3.经改造设备,应采用带电阻的涡流调速电机。1.安装高度原则上不大于井架物料提升机按架体构件规格和斜杆布置类型控制的最大允许安装高度理论值。2.吊笼运行速度大于40m/min时应设启动、停止调速系统装置,以确保缓启缓停。3.应设电磁感应楼层门控制电机启动,吊篮升降自动平层,司机通过电子显示能知道吊笼停层位置和楼层门开关状态。4.超载限制器安全可靠。5.卸料平台搭设高度超过30m,应采取可靠的卸荷措施,并有设计计算书,在专项施工方案中明确构造要求。曳引式1.初次安装时采用平衡系数法确定该机平衡重的最佳重量及其技术参数,由我区认可的检验机构出具证明文件,以确保平衡重重量应满足额定载荷加吊篮重量之和的45~1.安装高度原则上不大于井架物料提升机按架体构件...

1、当您付费下载文档后,您只拥有了使用权限,并不意味着购买了版权,文档只能用于自身使用,不得用于其他商业用途(如 [转卖]进行直接盈利或[编辑后售卖]进行间接盈利)。
2、本站所有内容均由合作方或网友上传,本站不对文档的完整性、权威性及其观点立场正确性做任何保证或承诺!文档内容仅供研究参考,付费前请自行鉴别。
3、如文档内容存在违规,或者侵犯商业秘密、侵犯著作权等,请点击“违规举报”。

碎片内容

井架物料提升机安全技术措施

中小学文库+ 关注
实名认证
内容提供者

精品资料应用尽有

确认删除?
VIP
微信客服
  • 扫码咨询
会员Q群
  • 会员专属群点击这里加入QQ群
客服邮箱
回到顶部