电脑桌面
添加小米粒文库到电脑桌面
安装后可以在桌面快捷访问

旧瓶班长岗位说明书VIP免费

旧瓶班长岗位说明书_第1页
1/4
旧瓶班长岗位说明书_第2页
2/4
旧瓶班长岗位说明书_第3页
3/4
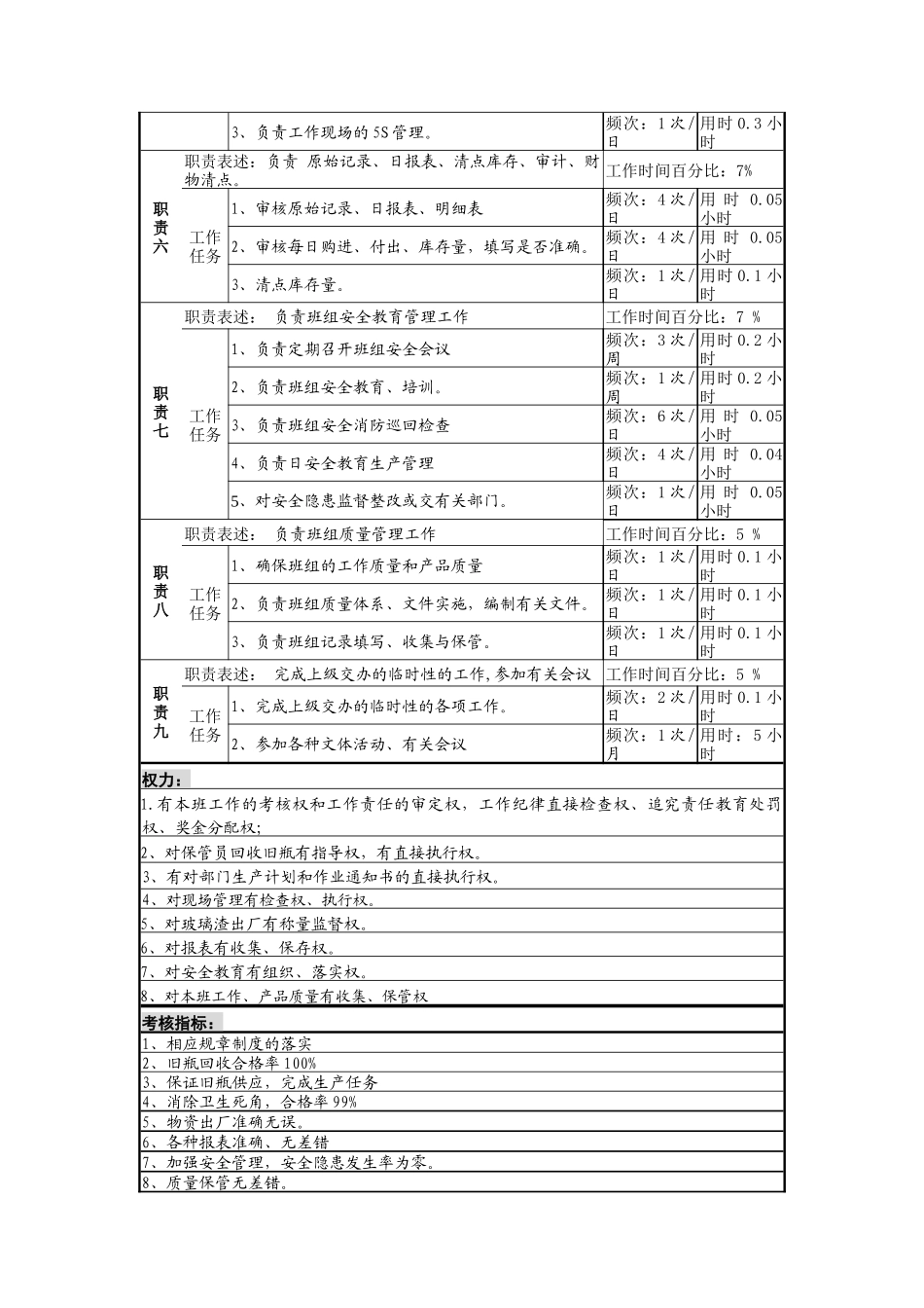
岗位说明书岗位名称瓶场旧瓶班长岗岗位编号所在部门瓶场岗位定员1直接上级瓶场主任岗位工资直接下级旧瓶保管员、发瓶保管员、客户麻袋保管员分析人所辖人员11人分析日期本职:执行部门领导的工作安排,带领班组员工完成旧瓶验收、发放工作,完成部门各项工作。职责与工作任务:职责一职责表述:执行部门领导的工作安排,带领班组人员实现部门的各项工作计划。工作时间百分比:20%工作任务1、带领班组人员认真执行、落实工厂、部门决议和工作安排,做到规范化,程序化、标准化,完成各项工作任务的实施。频次:2次/日用时0.5小时2、协助部门领导组织推动各项工作的实施。频次:1次/日用时0.2小时职责二职责表述:执行旧瓶回收管理工作。工作时间百分比:20%工作任务1、负责传达、指导回收标准频次:1次/日用时0.1小时2、负责严格执行旧瓶回收政策,大公无私、不弄虚作假,把据回收数量和质量,合格率100%,使工厂利益不受损失。频次:5次/日用时0.1小时3、负责监督、抽查验收质量,做好相关记录的填写、保管。频次:5次/日用时0.1小时4、为送瓶客户提供优质服务,保证各项工作完成。频次:2次/日用时0.1小时职责三职责表述:负责瓶场的生产管理工作。工作时间百分比:14%工作任务1、根据生产部门下达的“生产通知书”不同品种要求,安排生产,负责监督落实到人。频次:4次/日用时0.1小时2、负责工作现场的5S管理工作。频次:5次/日用时0.1小时3、负责班组记录的填写、收集与保管。频次:1次/日用时0.1小时4、负责外用工管理,制止和监督野蛮装卸。频次:1次/日用时0.1小时职责四职责表述:负责工作现场的5S管理工作工作时间百分比:12%工作任务1、定期召开班组会议,做到工作有布置、检查、落实。频次:4次/日用时0.1小时2、负责旧瓶装、卸、运、倒包、发放麻袋的卫生清扫管理工作,工作现场无碎玻璃,无杂物,物资堆放整齐,定置、定位全面消灭卫生死角。频次:10次/日用时0.05小时职责五职责表述:负责二厂玻璃渣出厂的称量工作。工作时间百分比:10%工作任务1、负责物资称量的准确性。频次:1次/日用时0.2小时2、负责本岗位记录填写。频次:1次/日用时0.2小时3、负责工作现场的5S管理。频次:1次/日用时0.3小时职责六职责表述:负责原始记录、日报表、清点库存、审计、财物清点。工作时间百分比:7%工作任务1、审核原始记录、日报表、明细表频次:4次/日用时0.05小时2、审核每日购进、付出、库存量,填写是否准确。频次:4次/日用时0.05小时3、清点库存量。频次:1次/日用时0.1小时职责七职责表述:负责班组安全教育管理工作工作时间百分比:7%工作任务1、负责定期召开班组安全会议频次:3次/周用时0.2小时2、负责班组安全教育、培训。频次:1次/周用时0.2小时3、负责班组安全消防巡回检查频次:6次/日用时0.05小时4、负责日安全教育生产管理频次:4次/日用时0.04小时5、对安全隐患监督整改或交有关部门。频次:1次/日用时0.05小时职责八职责表述:负责班组质量管理工作工作时间百分比:5%工作任务1、确保班组的工作质量和产品质量频次:1次/日用时0.1小时2、负责班组质量体系、文件实施,编制有关文件。频次:1次/日用时0.1小时3、负责班组记录填写、收集与保管。频次:1次/日用时0.1小时职责九职责表述:完成上级交办的临时性的工作,参加有关会议工作时间百分比:5%工作任务1、完成上级交办的临时性的各项工作。频次:2次/日用时0.1小时2、参加各种文体活动、有关会议频次:1次/月用时:5小时权力:1.有本班工作的考核权和工作责任的审定权,工作纪律直接检查权、追究责任教育处罚权、奖金分配权;2、对保管员回收旧瓶有指导权,有直接执行权。3、有对部门生产计划和作业通知书的直接执行权。4、对现场管理有检查权、执行权。5、对玻璃渣出厂有称量监督权。6、对报表有收集、保存权。7、对安全教育有组织、落实权。8、对本班工作、产品质量有收集、保管权考核指标:1、相应规章制度的落实2、旧瓶回收合格率100%3、保证旧瓶供应,完成生产任务4、消除卫生死角,合格率99%5、物资出厂准确无误。6、各种报表准确、无差错7、加强安全管理,安全隐患发生率为零。8、质量保管无差错。...

1、当您付费下载文档后,您只拥有了使用权限,并不意味着购买了版权,文档只能用于自身使用,不得用于其他商业用途(如 [转卖]进行直接盈利或[编辑后售卖]进行间接盈利)。
2、本站所有内容均由合作方或网友上传,本站不对文档的完整性、权威性及其观点立场正确性做任何保证或承诺!文档内容仅供研究参考,付费前请自行鉴别。
3、如文档内容存在违规,或者侵犯商业秘密、侵犯著作权等,请点击“违规举报”。

碎片内容

旧瓶班长岗位说明书

中小学文库+ 关注
实名认证
内容提供者

精品资料应用尽有

确认删除?
VIP
微信客服
  • 扫码咨询
会员Q群
  • 会员专属群点击这里加入QQ群
客服邮箱
回到顶部