电脑桌面
添加小米粒文库到电脑桌面
安装后可以在桌面快捷访问

城市桥梁工程施工质量检查评分表VIP免费

城市桥梁工程施工质量检查评分表_第1页
1/35
城市桥梁工程施工质量检查评分表_第2页
2/35
城市桥梁工程施工质量检查评分表_第3页
3/35
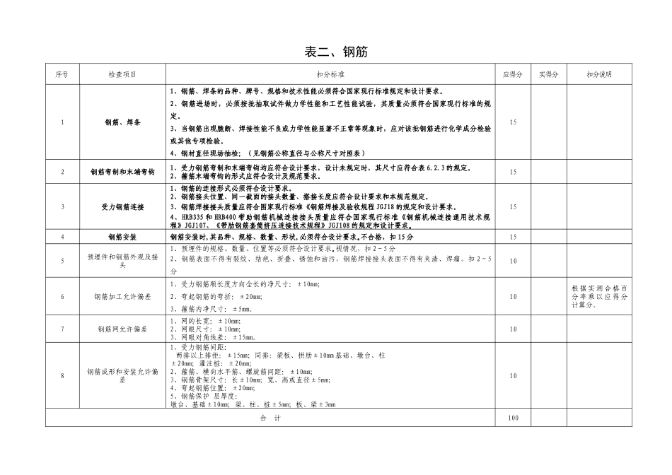
表一、模板、支架和拱架序号检查项目扣分标准应得分实得分扣分说明1模板、支架和拱架制作及安装模板、支架与拱架制作及安装应符合施工设计图(施工方案)的规定,且稳固牢靠,接缝严密,立柱基础有足够的支撑面和排水、防冻融措施。252模板制作模板制作允许偏差:1、木模板:1)模板的长度和宽度±5mm;2)平板模板表面最大的局部不平(刨光模板)3mm;3)平板模板表面最大的局部不平(不刨光模板)5mm;2、钢模板:1)模板的长度和宽度0,-1mm;2)肋高±5mm;3)板面局部不平1.0mm;25根据实测合格百分率乘以应得分计算,若低于80%,则计零分,以下均同3模板、支架和拱架安装模板、支架和拱架安装允许偏差应符合表5.4.3的规定。1、表面平整:清水模板3mm;混水模板5mm;钢模板3mm2、垂直度:1)墙、柱:H/1000,且不大于6mm;2)墩、台:H/500,且不大于20mm;3)塔柱:H/3000,且不大于30mm3、模内尺寸:1)基础:±10mm;2)墩、台:+5,-8mm;3)梁、板、墙、柱、桩、拱+3,-6mm;4、轴线错位:1)基础15mm;2)墩、台、墙10mm;3)梁、柱、拱、塔柱8mm;4)悬浇各梁段8mm;5)横隔墙5mm5、支承面高程:+2,-5mm6、悬浇各梁段底面高程:+10,0mm7、预埋件:1)支座板、锚垫板、连接板等:位置5mm,平面高差2mm;2)螺栓、锚筋等:位置3mm,外露长度±5mm;8、梁底模板拱度:+5,-2mm;254预埋件固定在模板上的预埋件、预留孔内模不得遗漏,且应安装牢固。25合计100注:本评分表参照《CJJ2-2008城市桥梁工程施工与质量验收规范》编制。表二、钢筋序号检查项目扣分标准应得分实得分扣分说明1钢筋、焊条1、钢筋、焊条的品种、牌号、规格和技术性能必须符合国家现行标准规定和设计要求。2、钢筋进场时,必须按批抽取试件做力学性能和工艺性能试验,其质量必须符合国家现行标准的规定。3、当钢筋出现脆断、焊接性能不良或力学性能显著不正常等现象时,应对该批钢筋进行化学成分检验或其他专项检验。4、钢材直径现场抽检;(见钢筋公称直径与公称尺寸对照表)152钢筋弯制和末端弯钩1、受力钢筋弯制和末端弯钩均应符合设计要求,设计未规定时,其尺寸应符合表6.2.3的规定。2、箍筋末端弯钩的形式应符合设计及规范要求。153受力钢筋连接1、钢筋的连接形式必须符合设计要求。2、钢筋接头位置、同一截面的接头数量、搭接长度应符合设计要求和本规范规定。3、钢筋焊接接头质量应符合图家现行标准《钢筋焊接及验收规程JGJ18的规定和设计要求。4、HRB335和HRB400带助钢筋机械连接接头质量应符合国家现行标准《钢筋机械连接通用技术规程》JGJ107、《带肋钢筋套筒挤压连接技术规程》JGJ108的规定和设计要求。154钢筋安装钢筋安装时,其品种、规格、数量、形状,必须符合设计要求。不合格,扣15分155预埋件和钢筋外观及接头1、预埋件的规格、数量、位置等必须符合设计要求。视情况,扣2~5分2、钢筋表面不得有裂纹、结疤、折叠、锈蚀和油污,钢筋焊接接头表面不得有夹渣、焊瘤。扣2~5分106钢筋加工允许偏差1、受力钢筋顺长度方向全长的净尺寸:±10mm;2、弯起钢筋的弯折:±20mm;3、箍筋内净尺寸:±5mm。10根据实测合格百分率乘以应得分计算分。7钢筋网允许偏差1、网的长宽:±10mm;2、网眼尺寸:±10mm;3、网眼对角线差:±15mm。108钢筋成形和安装允许偏差1、受力钢筋间距:两排以上排拒:±15mm;同排:梁板、拱肋±10mm基础、墩台、柱±20mm;灌注桩:±20mm;2、箍筋、横向水平筋、螺旋筋间距:±10mm;3、钢筋骨架尺寸:长±10mm;宽、高或直径±5mm;4、弯起钢筋位置:±20mm;5、钢筋保护层厚度:墩台、基础±10mm;梁、柱、桩±5mm;板、梁±3mm10合计100表三、混凝土序号检查项目扣分标准应得分实得分扣分说明1混凝土和砂浆施工质量保证条件1、混凝土现场搅拌时无计量设施,扣10分;场地未硬化,扣5分;2、砂浆搅拌未采用强制式搅拌机,扣10分;无计量设施,扣10分;当有需要时未设置淋灰池,缺1项次扣5分;3、试件未按要求进行硬标识、同养试块未在代表部位存放、未采用保护笼或保护笼不符合要求,每项次扣3分;202水泥进场水泥进场除全数检验合格证和出场试验报告外,应对其强度、细...

1、当您付费下载文档后,您只拥有了使用权限,并不意味着购买了版权,文档只能用于自身使用,不得用于其他商业用途(如 [转卖]进行直接盈利或[编辑后售卖]进行间接盈利)。
2、本站所有内容均由合作方或网友上传,本站不对文档的完整性、权威性及其观点立场正确性做任何保证或承诺!文档内容仅供研究参考,付费前请自行鉴别。
3、如文档内容存在违规,或者侵犯商业秘密、侵犯著作权等,请点击“违规举报”。

碎片内容

城市桥梁工程施工质量检查评分表

起跑线书城+ 关注
实名认证
内容提供者

热爱教学事业,对互联网知识分享很感兴趣

确认删除?
VIP
微信客服
  • 扫码咨询
会员Q群
  • 会员专属群点击这里加入QQ群
客服邮箱
回到顶部