电脑桌面
添加小米粒文库到电脑桌面
安装后可以在桌面快捷访问

生产管理调查表(三)VIP专享VIP免费

生产管理调查表(三)_第1页
1/2
生产管理调查表(三)_第2页
2/2
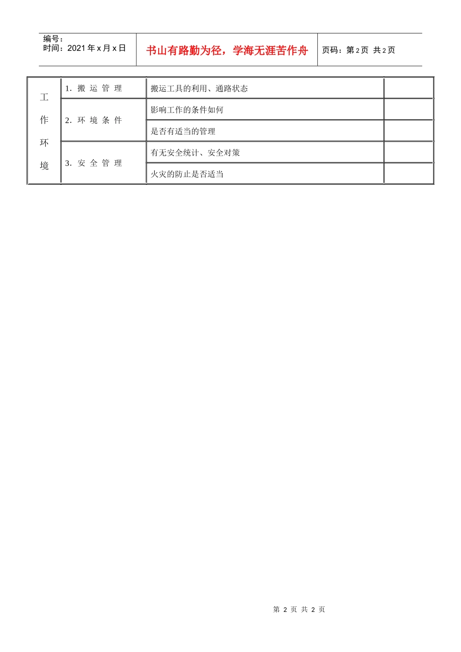
第1页共2页编号:时间:2021年x月x日书山有路勤为径,学海无涯苦作舟页码:第1页共2页生产管理调查表(三)区分调查项目主要检讨事项记事检查1.检查方法检查标准是否合适收货检查与工程检查检查者及检查制度检查工具是否合适2.不良率检查结果的记录不良率的工程类别、原因类别不良品的处置及防止对策现在的不良率是否太高3.可用率总体可用率应付可用率提高的对策机械工具管理1.械机设备管理管理的负责人预防保养定期检查的实施2.工具管理工具的研磨等管理工具的保管是否适当外借工具是否确实记录3.工具类型设计、采购、制造的方法是否适当保管方法是否适当、负责人是谁动力1.电力电力管理的重点节省电务的对策2.燃料燃料费的比便例、成本、单位消费量及管理重点第2页共2页第1页共2页编号:时间:2021年x月x日书山有路勤为径,学海无涯苦作舟页码:第2页共2页工作环境1.搬运管理搬运工具的利用、通路状态2.环境条件影响工作的条件如何是否有适当的管理3.安全管理有无安全统计、安全对策火灾的防止是否适当

1、当您付费下载文档后,您只拥有了使用权限,并不意味着购买了版权,文档只能用于自身使用,不得用于其他商业用途(如 [转卖]进行直接盈利或[编辑后售卖]进行间接盈利)。
2、本站所有内容均由合作方或网友上传,本站不对文档的完整性、权威性及其观点立场正确性做任何保证或承诺!文档内容仅供研究参考,付费前请自行鉴别。
3、如文档内容存在违规,或者侵犯商业秘密、侵犯著作权等,请点击“违规举报”。

碎片内容

生产管理调查表(三)

确认删除?
VIP
微信客服
  • 扫码咨询
会员Q群
  • 会员专属群点击这里加入QQ群
客服邮箱
回到顶部