电脑桌面
添加小米粒文库到电脑桌面
安装后可以在桌面快捷访问

新生化颗粒生产工艺规程VIP免费

新生化颗粒生产工艺规程_第1页
1/17
新生化颗粒生产工艺规程_第2页
2/17
新生化颗粒生产工艺规程_第3页
3/17
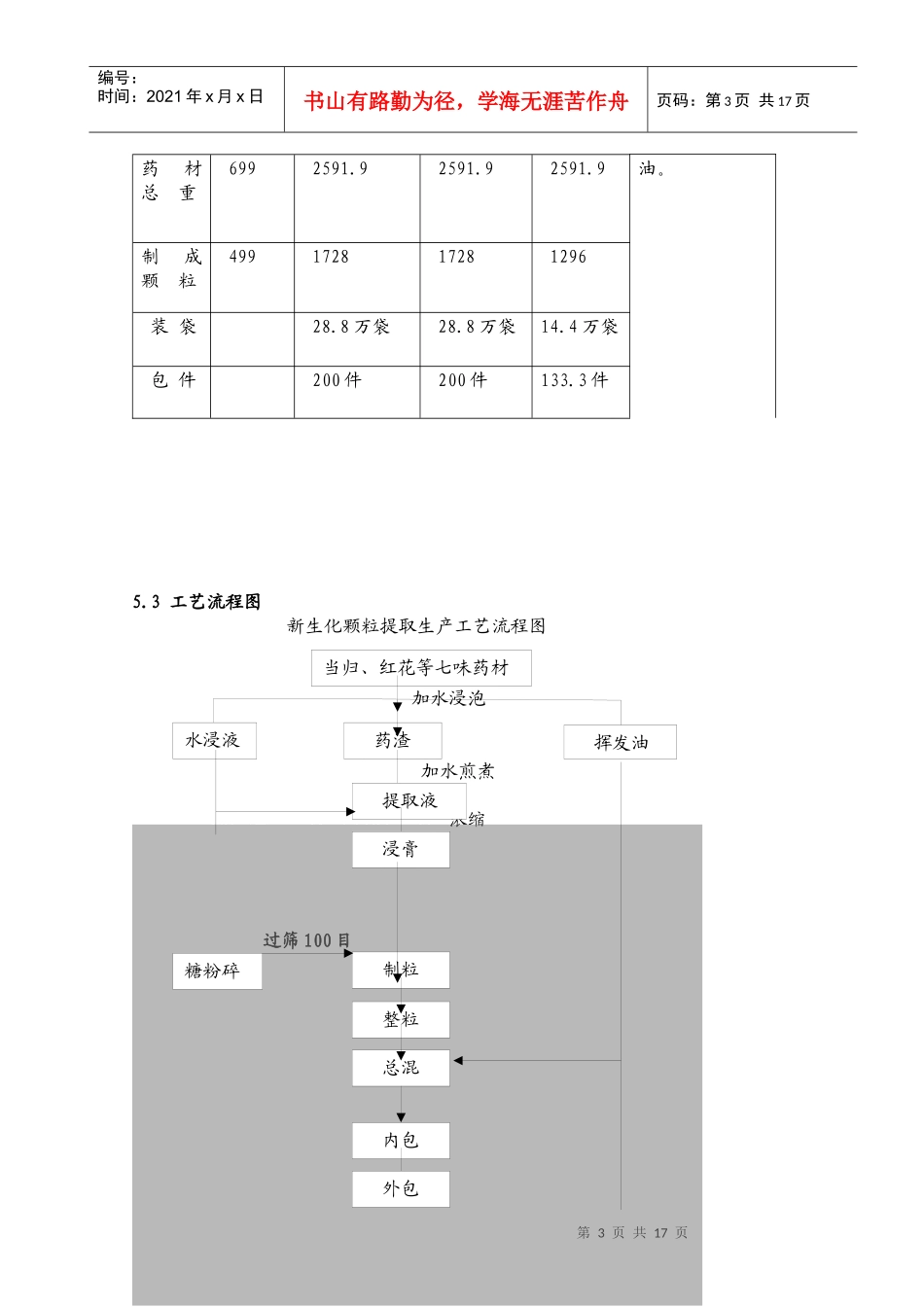
新生化颗粒生产工艺规程目录1.目的:建立新生化颗粒工艺规程,确保生产出合格的新生化颗粒。2.依据:新生化药品标准;2010版药典;我公司生产设备;销售态势。3.范围:本规程适用于新生化颗粒生产全过程(供应、生产、质量)的管理。4.责任:生产技术部负责按本规程组织生产并严格按此过程实行监控,质量部按本规程进行质量控制和检验,物控部按本规程进行物料供应。5.内容:5.1产品概述5.2处方和依据5.3工艺流程图5.4操作过程及工艺条件5.5工艺卫生和环境卫生5.6质量标准和检查方法5.7质量监控5.8物料消耗定额、技术经济指标、物料平衡及各项指标计算公式5.9主要设备一览表5.10技术安全及劳动保护5.11劳动组织、岗位定员、工时定额及生产周期5.12综合利用及环境保护5.1产品概述5.1.1产品名称:5.1.1.1新生化颗粒5.1.1.2汉语拼音:XinShengHuaKeli5.1.2剂型:颗粒剂5.1.3性状:本品为黄棕色至黄褐色的颗粒;味甘、微苦。5.1.4功能与主治:活血、祛瘀、止痛。用于产后恶露不行,少腹疼痛,也可试用于上节育环后引起的阴道流血,月经过多。5.1.5用法与用量:热水冲服,一次2袋,一日2-3次。文件类别:技术标准文件名称:新生化颗粒生产工艺规程文件编码:制订部门:生产技术部起草:日期:审核:日期:批准:日期:执行日期:签字:分发清单总经理[]份生产副总[]份行政人事部[]份物控部[]份生产技术部[]份质量部[]份文件版本:02文件密级:机密,禁止复印。第2页共17页编号:时间:2021年x月x日书山有路勤为径,学海无涯苦作舟页码:第2页共17页5.1.6规格:(1)6g/袋,相当于原药材9g(2)9g/袋,相当于原药材18g5.1.7包装规格:复合膜包装。(1)6g/袋×12袋/盒×120盒/箱;(2)6g/袋×18袋/盒×80盒/箱;(3)9g/袋×9袋/盒×120盒/箱。5.1.8贮藏:密封。5.1.9有效期:24个月5.1.10批准文号:国药准字Z199831695.2处方和依据:5.2.1执行标准:新生化冲剂质量标准WS3-B-1056-91国家食品药品监督管理局标准YBZ155320065.2.2处方依据:中华人民共和国卫生部药品标准中药成方制剂第五册,及国家食品药品监督管理局标准YBZ155320065.2.3处方组成及制法:以注册处方放大3708倍。标准处方量12袋装规格量18袋装规格量9袋装规格制法品名重量(g)重量(kg)重量(kg)重量(kg)以上七味,粉碎成粗粉提取挥发油。蒸馏后的水煎煮二次,第一次2小时,第二次1.5小时,合并煎液,滤过,滤液与上述溶液合并,浓缩成稠膏,加入蔗糖适量,混匀,制成颗粒;与60℃烘干,粉碎,用乙醇制成颗粒,喷入挥发当归240889.9889.9889.9川芎90333.7333.7337.7桃仁2489.089.089.0炙甘草1555.655.655.6姜炭1555.655.655.6干益母草3001112.41112.41112.4红花1555.655.655.6第3页共17页第2页共17页编号:时间:2021年x月x日书山有路勤为径,学海无涯苦作舟页码:第3页共17页油。药材总重6992591.92591.92591.9制成颗粒499172817281296装袋28.8万袋28.8万袋14.4万袋包件200件200件133.3件5.3工艺流程图新生化颗粒提取生产工艺流程图加水浸泡加水煎煮浓缩过筛100目当归、红花等七味药材药渣挥发油水浸液提取液浸膏制粒总混内包外包糖粉碎整粒第4页共17页第3页共17页编号:时间:2021年x月x日书山有路勤为径,学海无涯苦作舟页码:第4页共17页检验30万级洁净区5.4操作过程及工艺条件5.4.1药材前处理工艺参数注:从GMP厂购入的并经质检部检验确属包装严密的已净制中药饮片可不进行前处理,仅执行5.4.1.1.条。5.4.1.1复查作业现场,确认现场合格,设备完好后,并核对药材品种、数量、批号、质检报告单和物料交接单。5.4.1.2按前处理SOP拣选、挑出异物、石块、泥块、虫咬、霉变、腐烂等质量不合格者。5.4.1.3按前处理SOP进行洗涤,用流动的饮用水冲洗干净。5.4.1.4按干燥岗位SOP操作,将处理后的药材置烘箱内,在规定温度下干燥约2h至水份符合规定,每半小时翻动一次并记录温度。5.4.1.5将干燥后的药材晾凉,称量,分装入洁净的塑料袋内,编号,入净药材库暂存。5.4.1.6按规定及时填写生产记录,并复核。5.4.1.7执行前处理清场SOP和相应设备及现场使用容器具清洁SOP,并如实填写清场和清洁记录。质控点控制:质控点质控项目频次...

1、当您付费下载文档后,您只拥有了使用权限,并不意味着购买了版权,文档只能用于自身使用,不得用于其他商业用途(如 [转卖]进行直接盈利或[编辑后售卖]进行间接盈利)。
2、本站所有内容均由合作方或网友上传,本站不对文档的完整性、权威性及其观点立场正确性做任何保证或承诺!文档内容仅供研究参考,付费前请自行鉴别。
3、如文档内容存在违规,或者侵犯商业秘密、侵犯著作权等,请点击“违规举报”。

碎片内容

新生化颗粒生产工艺规程

您可能关注的文档

确认删除?
VIP
微信客服
  • 扫码咨询
会员Q群
  • 会员专属群点击这里加入QQ群
客服邮箱
回到顶部