电脑桌面
添加小米粒文库到电脑桌面
安装后可以在桌面快捷访问

汽车中冷器工艺VIP免费

汽车中冷器工艺_第1页
1/8
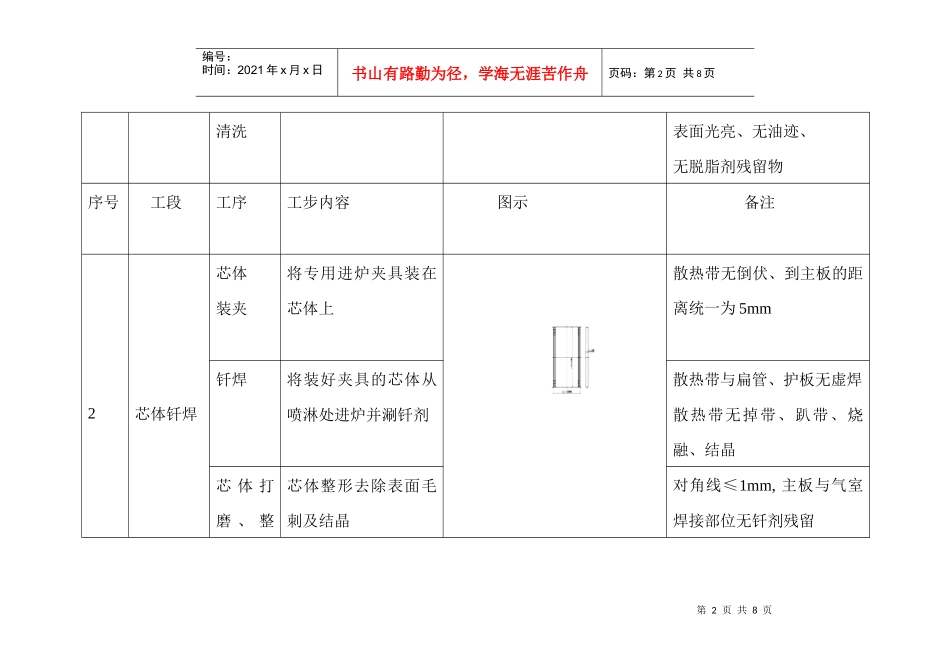
汽车中冷器工艺_第2页
2/8
汽车中冷器工艺_第3页
3/8
第1页共8页编号:时间:2021年x月x日书山有路勤为径,学海无涯苦作舟页码:第1页共8页中冷器工艺序号工段工序工步内容图示备注1芯体装配领料按图纸要求领取扁管、主板、护(侧)板制带波高10+0.21+0.18、波距5波数117波数准确、波距均匀装芯按图纸要求装配芯体散热带不允许手拉、缩要保证波距一致散热带无倒伏、到主板的距离统一为5mm第2页共8页第1页共8页编号:时间:2021年x月x日书山有路勤为径,学海无涯苦作舟页码:第2页共8页清洗表面光亮、无油迹、无脱脂剂残留物序号工段工序工步内容图示备注2芯体钎焊芯体装夹将专用进炉夹具装在芯体上散热带无倒伏、到主板的距离统一为5mm钎焊将装好夹具的芯体从喷淋处进炉并涮钎剂散热带与扁管、护板无虚焊散热带无掉带、趴带、烧融、结晶芯体打磨、整芯体整形去除表面毛刺及结晶对角线≤1mm,主板与气室焊接部位无钎剂残留第3页共8页第2页共8页编号:时间:2021年x月x日书山有路勤为径,学海无涯苦作舟页码:第3页共8页形第4页共8页第3页共8页编号:时间:2021年x月x日书山有路勤为径,学海无涯苦作舟页码:第4页共8页2散热带无倒伏、到主板的距离统一为5mm芯宽、高、对角线、主板直线度符合图纸要求对角线≤1mm,主板直线度≤1mm第5页共8页第4页共8页编号:时间:2021年x月x日书山有路勤为径,学海无涯苦作舟页码:第5页共8页芯体装夹钎焊芯体打磨、整形氩弧焊总成整形6扁管与主板钎焊牢固散热带与扁管、护板无虚焊散热带无掉带、趴带、烧融、结晶芯体表面颜色一致,无花色芯高585±1.5芯宽282(内侧)7主板与气室焊接部位无钎剂残留护板无严重打磨痕迹芯宽、高、对角线主板直线度符合图纸要求对角线≤1mm,主板直线度≤1mm芯高585±1.5芯宽282(内侧)8焊缝密封、坚固,外观均匀连焊缝宽度10mm第6页共8页第5页共8页编号:时间:2021年x月x日书山有路勤为径,学海无涯苦作舟页码:第6页共8页续、美观,焊缝无接头外观无磕碰,散热带无倒伏尺寸符合图纸要求680±1.5、676±2735±2、750鱼鳞纹间距4mm焊缝高度≤2mm9外观无磕碰,散热带无倒伏安装尺寸符合图纸要求735±2、279±1、676±2680±1.5、210±1、160±1、132±1、750安装孔对角线≤1.5mm,专用整形夹具10试压在0.35MP压力下,保压1分钟无泄漏无无泄漏,11喷漆气室和焊缝上敲击印披腻气室打磨痕迹披腻表面喷闪光银灰色漆,漆层完盖上φ46防尘盖第7页共8页第6页共8页编号:时间:2021年x月x日书山有路勤为径,学海无涯苦作舟页码:第7页共8页整均匀,无流挂,色泽无差异盖上φ46防尘盖12打码贴海绵条按照图纸要求打码按照图纸要求贴上5×15×300的海绵条每批打码在护板同一位置海绵条要贴紧,海绵条长为300mm13检验散热带无倒伏安装尺寸符合图纸要求安装孔对角线≤1.5mm,海绵条贴紧,长为300mm散热带到主板距离要一致735±2、279±1、676±2680±1.5、210±1、160±1、750、132±1安装孔对角线≤1.5mm,专用检验夹具每台产品安装尺寸需全检每批付一份检验报告14包装按照技术部下发的图片包装两台/包,产品不窜动第8页共8页第7页共8页编号:时间:2021年x月x日书山有路勤为径,学海无涯苦作舟页码:第8页共8页

1、当您付费下载文档后,您只拥有了使用权限,并不意味着购买了版权,文档只能用于自身使用,不得用于其他商业用途(如 [转卖]进行直接盈利或[编辑后售卖]进行间接盈利)。
2、本站所有内容均由合作方或网友上传,本站不对文档的完整性、权威性及其观点立场正确性做任何保证或承诺!文档内容仅供研究参考,付费前请自行鉴别。
3、如文档内容存在违规,或者侵犯商业秘密、侵犯著作权等,请点击“违规举报”。

碎片内容

汽车中冷器工艺

您可能关注的文档

确认删除?
VIP
微信客服
  • 扫码咨询
会员Q群
  • 会员专属群点击这里加入QQ群
客服邮箱
回到顶部