电脑桌面
添加小米粒文库到电脑桌面
安装后可以在桌面快捷访问

某地产工程技术统一标准(XXXX版)VIP免费

某地产工程技术统一标准(XXXX版)_第1页
1/36
某地产工程技术统一标准(XXXX版)_第2页
2/36
某地产工程技术统一标准(XXXX版)_第3页
3/36
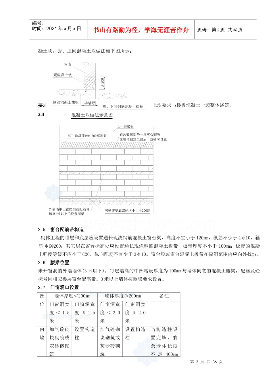
第1页共36页编号:时间:2021年x月x日书山有路勤为径,学海无涯苦作舟页码:第1页共36页第一部分设计篇第一章主体结构工程1钢筋混凝土结构1.1结构降板要求1.1.1阳台降板100mm。1.1.2有保温要求的露台降板250mm,无保温要求的露台降板100mm。1.1.3雨棚降板100mm,空调板降板100mm。1.1.4非沉箱式卫生间降板80mm。1.1.5沉箱式卫生间降板约300---350mm(可根据周边的梁高确定)。1.1.6厨房降板50mm。1.2钢筋接头型式(高层转换层除外)1.2.1Ⅲ级钢:直径≥25采用机械连接,直径<25采用焊接或绑扎连接。1.2.2Ⅱ级钢:直径≥28采用机械连接,直径<28采用焊接或绑扎连接。1.3屋面结构找坡公共建筑屋面:板底、板面均按2%结构找坡;住宅屋面:板底平,板面按2%结构找坡;地下室顶板:应结构找坡;地下室底板:可考虑结构找坡。2砌体结构2.1墙体材料2.1.1地面以下墙体:采用灰砂砖。2.1.2外墙:采用加气混凝土砌块。2.1.3内隔墙:厨房、卫生间隔墙采用灰砂砖,其它隔墙采用加气混凝土砌块。2.2墙体拉结筋设置2.2.1砌块墙与钢筋混凝土墙、柱交接处,在钢筋混凝土墙、柱的水平灰缝内预埋拉结钢筋。拉结筋采取预埋或用环氧树脂植筋的方式设置,但植筋不应另计费用,且植筋质量应符合要求。2.2.2灰砂砖墙体拉结筋沿墙或柱高每500mm左右设一道,首道拉结筋离楼地面高500mm,每道为2根(墙厚100为1根)直径6mm的钢筋(带弯钩),伸出墙或柱面长度不小于800mm或1000mm(抗震设防)。2.2.3加气混凝土砌块墙体拉结筋沿墙或柱高每600mm左右(与砌块模数相同)设一道,首道拉结筋离楼地面高600mm,每道为2根(墙厚100为1根)直径6mm的钢筋(带弯钩),伸出墙或柱面长度不小于800mm或1000mm(抗震设防)。2.3砖墙底部混凝土坎做法加气混凝土砌块外墙及厨房、卫生间砖隔墙底部统一要求做素混第2页共36页第1页共36页编号:时间:2021年x月x日书山有路勤为径,学海无涯苦作舟页码:第2页共36页凝土坎,厨、卫间混凝土坎做法如下图所示:要求:素混凝土坎混凝土强度等级为C20,外墙素混凝土坎要求与楼板混凝土一起整体浇筑。2.4加气混凝土砌块砖墙斜顶砖、垫底砖及腰梁等设置2.5窗台配筋带构造砌体工程的顶层和底层应设置通长现浇钢筋混凝土窗台梁,高度不宜小于120mm,纵筋不少于4φ10,箍筋φ6@200;其它层在窗台标高处应设置通长现浇钢筋混凝土板带,板带厚度不小于100mm;板带的混凝土强度等级不应小于C20,纵向配筋不宜少于3φ10。窗台梁或窗台混凝土板带在窗洞范围内应向外找坡。2.6腰梁位置未开窗洞的外墙墙体(3米以下),每层墙高的中部增设厚度为100mm与墙体同宽的混凝土腰梁,配筋及砼标号同相应楼层窗台配筋带。3米以上墙体按圈梁要求设置。2.7门窗洞口设置部位墙体厚度<200mm墙体厚度≥200mm备注门窗洞宽度<1.5米门窗洞宽度≥1.5米门窗洞宽度<2.0米门窗洞宽度≥2.0米内墙加气砼砌块砌筑或灰砂砖砌筑设置构造柱加气砼砌块砌筑或灰砂砖砌筑设置构造柱当构造柱设置完毕,剩余墙体长度不足400mm混凝土坎做法示意图素混凝土坎厨、卫间钢筋混凝土楼板钢筋混凝土楼板砖墙≥200砖墙厚墙高3米以上的设置圈梁外墙墙中设置腰梁或配筋带灰砂砖垫底或砼坎不小于200高在墙体砌筑至最后一皮砖时设置斜顶砖底部垫一皮实心砌块60°角斜顶砖约200高顶紧上一层梁板第3页共36页第2页共36页编号:时间:2021年x月x日书山有路勤为径,学海无涯苦作舟页码:第3页共36页时,可全部采用灰砂砖砌筑,同时取消构造柱外墙加气砼砌块砌筑或灰砂砖砌筑设置构造柱2.7.2当门洞墙垛、窗间墙的宽度小于200mm时,应做成构造柱;当200≤门洞墙垛、窗间墙宽度≤600,而其后面又无横墙时,应用灰砂砖砌筑。2.8电梯井做法仅电梯井之间的隔墙可为砌体外,其余均应设计为剪力墙结构。第二章建筑装饰装修工程1楼地面1.1架空层地面做法一(停车库)●梁板整体现浇,150厚C20混凝土,配筋双向Ø6@200,混凝土随浇筑随收光(找坡根据建筑图施工)●200厚水泥石粉渣(掺6%水泥)压实●素土夯实1.2架空层地面做法二(住宅、商铺、管理用房)●150厚C20钢筋砼(ф8@150X150双向;负筋ф10@150,每边长1000),随打随抹光,设缝在柱中位置。●...

1、当您付费下载文档后,您只拥有了使用权限,并不意味着购买了版权,文档只能用于自身使用,不得用于其他商业用途(如 [转卖]进行直接盈利或[编辑后售卖]进行间接盈利)。
2、本站所有内容均由合作方或网友上传,本站不对文档的完整性、权威性及其观点立场正确性做任何保证或承诺!文档内容仅供研究参考,付费前请自行鉴别。
3、如文档内容存在违规,或者侵犯商业秘密、侵犯著作权等,请点击“违规举报”。

碎片内容

某地产工程技术统一标准(XXXX版)

确认删除?
VIP
微信客服
  • 扫码咨询
会员Q群
  • 会员专属群点击这里加入QQ群
客服邮箱
回到顶部