电脑桌面
添加小米粒文库到电脑桌面
安装后可以在桌面快捷访问

解放牌汽车CA10B工艺卡片VIP免费

解放牌汽车CA10B工艺卡片_第1页
1/12
解放牌汽车CA10B工艺卡片_第2页
2/12
解放牌汽车CA10B工艺卡片_第3页
3/12
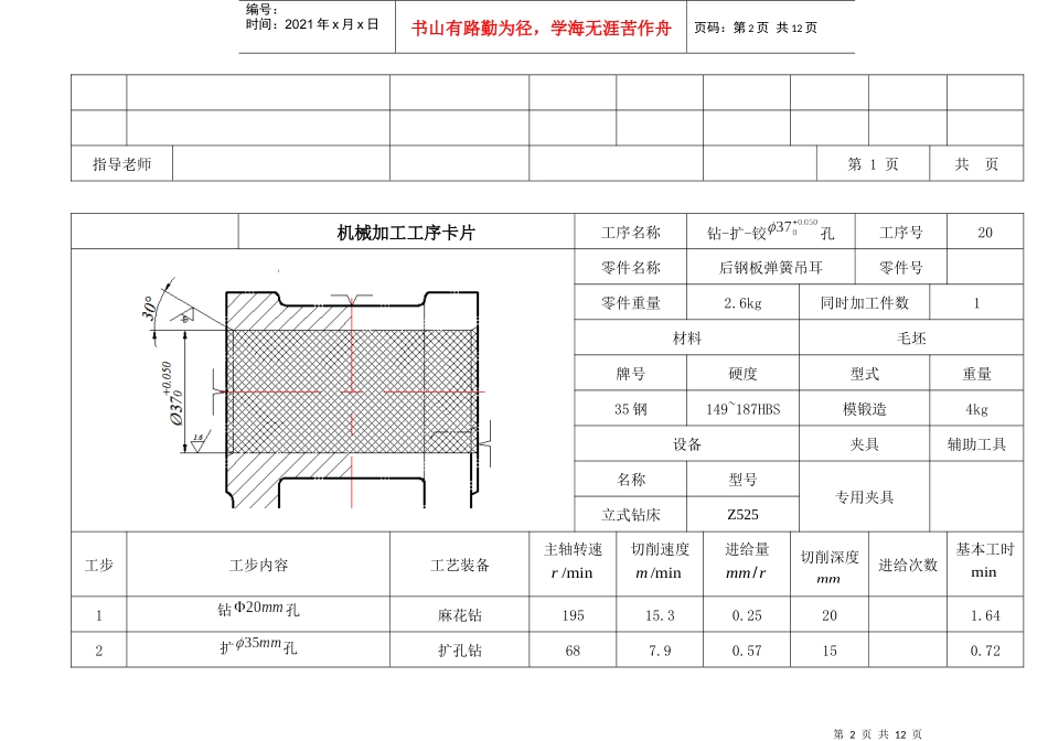
第1页共12页编号:时间:2021年x月x日书山有路勤为径,学海无涯苦作舟页码:第1页共12页后钢板弹簧吊耳工序卡片东华理工大学机械加工工序卡片工序名称粗铣φ60mm孔外圆端面工序号10零件名称后钢板弹簧吊耳零件号零件重量2.6kg同时加工件数1材料毛坯牌号硬度型式重量35钢149~187HBS模锻造4kg设备夹具辅助工具名称型号专用夹具立式铣床XA5032工步工步内容工艺装备主轴转速r/min切削速度m/min进给量mm/r切削深度mm进给次数基本工时min1以φ60mm孔左端面为基准,粗铣右端面硬质合金端铣刀375117.750.9210.242以φ60mm孔右端面为基准,粗铣左端面硬质合金端铣刀375117.750.9210.24第2页共12页第1页共12页编号:时间:2021年x月x日书山有路勤为径,学海无涯苦作舟页码:第2页共12页指导老师第1页共页机械加工工序卡片工序名称钻-扩-铰孔工序号20零件名称后钢板弹簧吊耳零件号零件重量2.6kg同时加工件数1材料毛坯牌号硬度型式重量35钢149~187HBS模锻造4kg设备夹具辅助工具名称型号专用夹具立式钻床Z525工步工步内容工艺装备主轴转速r/min切削速度m/min进给量mm/r切削深度mm进给次数基本工时min1钻孔麻花钻19515.30.25201.642扩孔扩孔钻687.90.57150.72第3页共12页第2页共12页编号:时间:2021年x月x日书山有路勤为径,学海无涯苦作舟页码:第3页共12页3扩孔扩孔钻688.260.721.70.574精镗孔镗刀8601000.10.20.335细镗孔至镗刀8601000.10.10.336倒角采用锪钻指导老师第2页共页机械加工工序卡片工序名称粗铣φ300+0.045mm孔内侧面工序号30零件名称后钢板弹簧吊耳零件号零件重量2.6kg同时加工件数1材料毛坯牌号硬度型式重量35钢149~187HBS模锻造4kg设备夹具辅助工具名称型号专用夹具立式铣床XA5032工步工步内容工艺装备主轴转速r/min切削速度m/min进给量mm/r切削深度mm进给次数基本工时min第4页共12页第3页共12页编号:时间:2021年x月x日书山有路勤为径,学海无涯苦作舟页码:第4页共12页1粗铣φ300+0.045mm孔左内侧面端铣刀375117.750.8210.242粗铣φ300+0.045mm孔右内侧面端铣刀375117.750.8210.24(以φ60mm孔两外圆端面定位)指导老师第3页共10页机械加工工序卡片工序名称粗铣φ300+0.045mm孔外侧面工序号40零件名称后钢板弹簧吊耳零件号零件重量2.6kg同时加工件数1材料毛坯牌号硬度型式重量35钢149~187HBS模锻造4kg设备夹具辅助工具名称型号专用夹具第5页共12页第4页共12页编号:时间:2021年x月x日书山有路勤为径,学海无涯苦作舟页码:第5页共12页立式铣床XA5032工步工步内容工艺装备主轴转速r/min切削速度m/min进给量mm/r切削深度mm进给次数基本工时min1粗铣φ300+0.045mm孔左外侧面端铣刀375117.750.8210.242粗铣φ300+0.045mm孔右外侧面端铣刀375117.750.8210.243(以φ300+0.045mm孔内侧面定位)指导老师第4页共10页机械加工工序卡片工序名称钻-扩-铰φ300+0.045mm孔工序号50零件名称后钢板弹簧吊耳零件号零件重量2.6kg同时加工件数1材料毛坯牌号硬度型式重量35钢149~187HBS模锻造4kg第6页共12页第5页共12页编号:时间:2021年x月x日书山有路勤为径,学海无涯苦作舟页码:第6页共12页设备夹具辅助工具名称型号专用夹具立式钻床Z550铣床工步工步内容工艺装备主轴转速r/min切削速度m/min进给量mm/r切削深度mm进给次数基本工时min1钻孔麻花钻894.190.1933.322扩孔扩孔钻635.540.6231.563扩孔扩孔钻635.90.621.81.444精镗孔镗刀10001000.20.10.265细镗孔镗刀10001000.20.10.26倒角1×45°锪钻指导老师第5页共10页机械加工工序卡片工序名称钻-扩φ10.5mm孔工序号60零件名称后钢板弹簧吊耳零件号第7页共12页第6页共12页编号:时间:2021年x月x日书山有路勤为径,学海无涯苦作舟页码:第7页共12页零件重量2.6kg同时加工件数1材料毛坯牌号硬度型式重量35钢149~187HBS模锻造4kg设备夹具辅助工具名称型号专用夹具立式钻床Z550工步工步内容工艺装备主轴转速r/min切削速度m/min进给量mm/r切削深度mm进给次数基本工时min1钻的孔麻花钻54517.970.270.8510.7423指导老师第6页共10页第8页共12页第7页共12页编号:时间:2021年x月x日书山有路勤为径,学海无涯苦作舟页码:第8页共12页机械加工工序卡...

1、当您付费下载文档后,您只拥有了使用权限,并不意味着购买了版权,文档只能用于自身使用,不得用于其他商业用途(如 [转卖]进行直接盈利或[编辑后售卖]进行间接盈利)。
2、本站所有内容均由合作方或网友上传,本站不对文档的完整性、权威性及其观点立场正确性做任何保证或承诺!文档内容仅供研究参考,付费前请自行鉴别。
3、如文档内容存在违规,或者侵犯商业秘密、侵犯著作权等,请点击“违规举报”。

碎片内容

解放牌汽车CA10B工艺卡片

您可能关注的文档

确认删除?
VIP
微信客服
  • 扫码咨询
会员Q群
  • 会员专属群点击这里加入QQ群
客服邮箱
回到顶部