电脑桌面
添加小米粒文库到电脑桌面
安装后可以在桌面快捷访问

(5月黄金档)高考化学 冲刺秘籍难点8 虚拟法VIP免费

(5月黄金档)高考化学 冲刺秘籍难点8 虚拟法_第1页
1/5
(5月黄金档)高考化学 冲刺秘籍难点8 虚拟法_第2页
2/5
(5月黄金档)高考化学 冲刺秘籍难点8 虚拟法_第3页
3/5
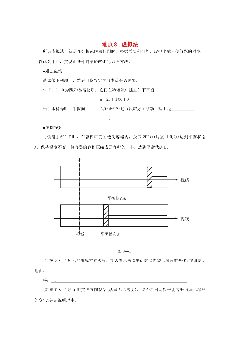
难点8.虚拟法所谓虚拟法,就是在分析或解决问题时,根据需要和可能,虚拟出能方便解题的对象,并以此为中介,实现由条件向结论转化的思维方法。●难点磁场请试做下列题目,然后自我界定学习本篇是否需要。A、B、C、D为四种易溶物质,它们在稀溶液中建立如下平衡:A+2B+H2OC+D当加水稀释时,平衡向_______(“”“”填正或逆)反应方向移动,理由是。●案例探究[例题]600K时,在容积可变的透明容器内,反应2HI(g)I2(g)+H2(g)达到平衡状态A。保持温度不变,将容器的容积压缩成原容积的一半,达到平衡状态B。图8—1(1)按图8—1所示的虚线方向观察,能否看出两次平衡容器内颜色深浅的变化?并请说明理由。答:(2)按图8—1所示的实线方向观察(活塞无色透明),能否看出两次平衡容器内颜色深浅的变化?并请说明理由。答:命题意图:考查学生对平衡移动及有色气体浓度被等知识的认识。知识依托:勒夏特列原理。错解分析:从实线方向观察,根据A、B两状态下的I2的浓度关系:cB(I2)=2cA(I2)误以为能观察到容器内颜色的变化。解题思路:状态A与状态B的不同点是:pB=2pA,但题设反应是气体物质的量不变的反应,即由状态A到状态B,虽然压强增大到原来的2倍,但是平衡并未发生移动,所以对体系内的任何一种气体特别是I2(g)而言,下式是成立的:cB[I2(g)]=2cA[I2(g)]。对第(2)小问,可将有色气体I2(g)——沿视线方向全部虚拟到活塞平面上犹如夜晚看碧空里的星星,都在同一平面上。则视线方向上的I2分子多,气体颜色就深;反之,则浅。答案:(1)可以观察到颜色深浅的变化。由于方程式两边气体物质的物质的量相等,容积减半,压强增大到2倍时,I2(g)及其他物质的物质的量均不变,但浓度却增大到原来的2倍,故可以看到I2(g)紫色加深。(2)不能观察到颜色深浅的变化。因为由状态A到状态B,平衡并未发生移动,尽管cB[I2(g)]=2cA[I2(g)],但vB[I2(g)]=vA[I2(g)],即视线方向上可观察到的I2(g)分子数是相同的,故不能观察颜色深浅的变化。●锦囊妙计化学中,虚拟法的应用是广泛的,除可虚拟物质状态外,还有很多可用虚拟法解决的问题,如①配平复杂氧化还原反应时,可将复杂化合物中各元素的化合价皆虚拟为零;②虚拟“”出某些混合物的化学式;③虚拟出某些解题时用到的数据;④虚拟出解题需要的某些条件;⑤虚拟反应过程;⑥虚拟反应结果等等。●歼灭难点训练1.(★★★)在一密闭容器中发生如下反应:aA(g)bB(g)达平衡后,保持温度不变,将容器容积增加一倍,新平衡建立时,cB是原来的60%,则()A.平衡向正反应方向发生了移动B.A物质的转化率变小了C.B物质的质量分数增大了D.a>b2.(★★★)在常温常压下,向5mL0.01mol·L-1FeCl3(aq)中滴入0.5mL0.01mol·L-1的NH4SCN(aq),发生如下反应:FeCl3+3NH4SCNFe(SCN)3+3NH4Cl()所得溶液显红色,改变下列条件,能使溶液颜色变浅的是A.向溶液中加入少量KCl晶体B.向溶液中加入少量的水C.向溶液中加入少量无水硫酸铜,变蓝后立即取出D.向溶液中滴加2滴1mol·L-1的FeCl3(aq)3.(★★★★)在一定温度和压强下,某容器内存在如下平衡(平衡A):2NH3(g)+CO2(g)CO(NH2)2(s)+H2O(g)这是工业合成尿素的反应。如果将容器的容积缩小为原来的1/3,则达到平衡时(平衡B)下列说法一定正确的是()A.气体的平均式量比原来大B.气体的平均式量比原来小C.气体的平均式量与原来相等D.依据题给条件无法确定4.(★★★★★)CuCl2(aq)因浓度不同,颜色往往不同。有的是黄色,有的是绿色,还有的是蓝色。已知CuCl2(aq)中存在如下平衡:[Cu(H2O)4]2++4Cl-[CuCl4]2-+4H2O蓝色黄色试回答下列问题:(1)欲使溶液由黄色变为蓝色,可采取的两种方法为:①;②。(2)欲使溶液由蓝色变为绿色,可采取的两种方法为:①;②。附:参考答案难点磁场解析:可将水虚拟为容器,将A、B、C、D“——”四种易溶物质虚拟为盛在水容器中的“”气体物质。那么,加水稀释,气体的体积扩大,压强减小,根据勒夏特列原理,平衡向气体体积增大的方向,即上列平衡的逆反应方向移动。由此,可以得出结论:溶液稀释时,平衡向溶质粒子数增加的方向移动。答案:逆因为稀释后,单位体积内溶质的...

1、当您付费下载文档后,您只拥有了使用权限,并不意味着购买了版权,文档只能用于自身使用,不得用于其他商业用途(如 [转卖]进行直接盈利或[编辑后售卖]进行间接盈利)。
2、本站所有内容均由合作方或网友上传,本站不对文档的完整性、权威性及其观点立场正确性做任何保证或承诺!文档内容仅供研究参考,付费前请自行鉴别。
3、如文档内容存在违规,或者侵犯商业秘密、侵犯著作权等,请点击“违规举报”。

碎片内容

(5月黄金档)高考化学 冲刺秘籍难点8 虚拟法

文章天下+ 关注
实名认证
内容提供者

各种文档应有尽有

确认删除?
VIP
微信客服
  • 扫码咨询
会员Q群
  • 会员专属群点击这里加入QQ群
客服邮箱
回到顶部