电脑桌面
添加小米粒文库到电脑桌面
安装后可以在桌面快捷访问

设备开箱进场验收记录(DOCX 110页)VIP免费

设备开箱进场验收记录(DOCX 110页)_第1页
1/153
设备开箱进场验收记录(DOCX 110页)_第2页
2/153
设备开箱进场验收记录(DOCX 110页)_第3页
3/153
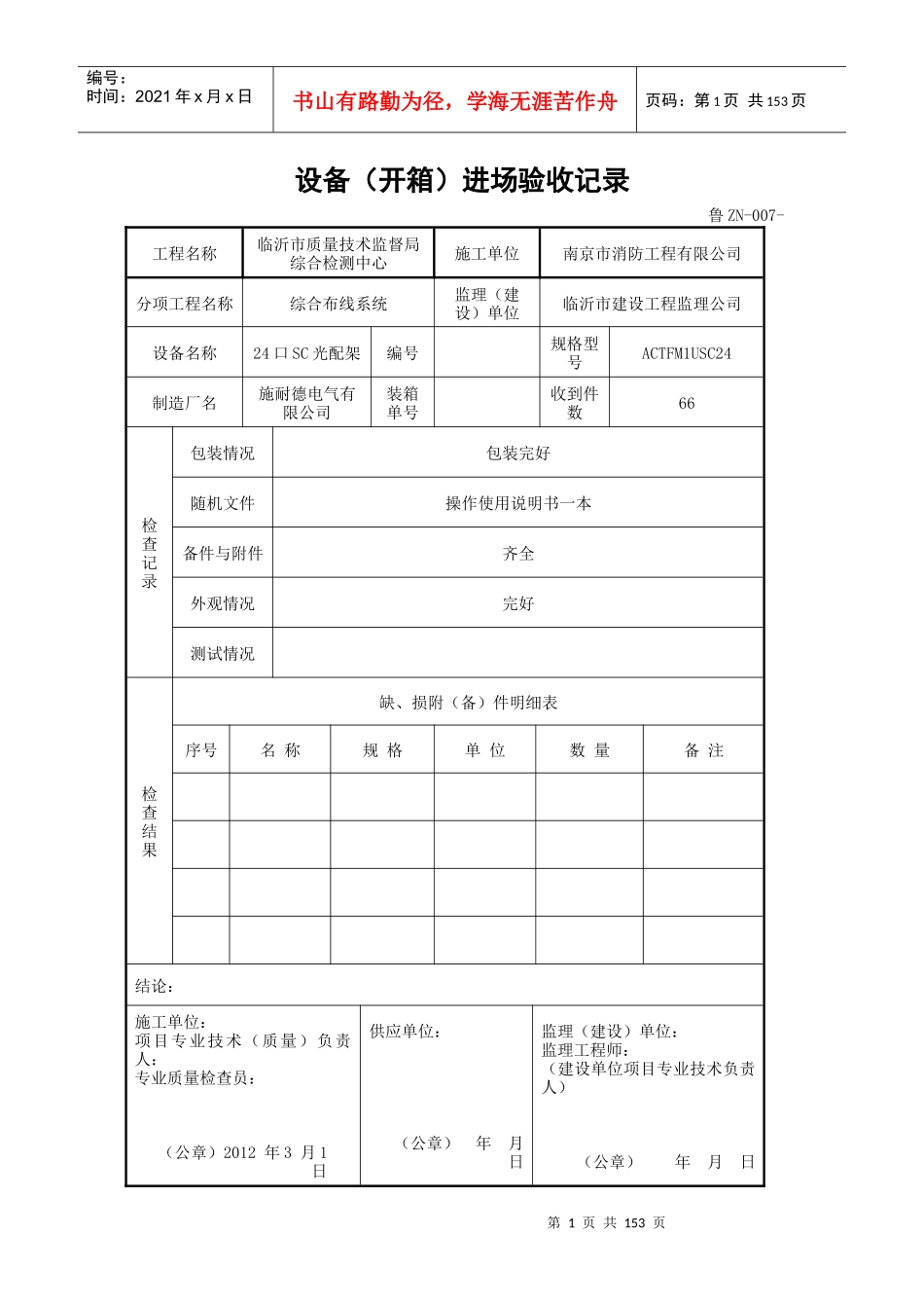
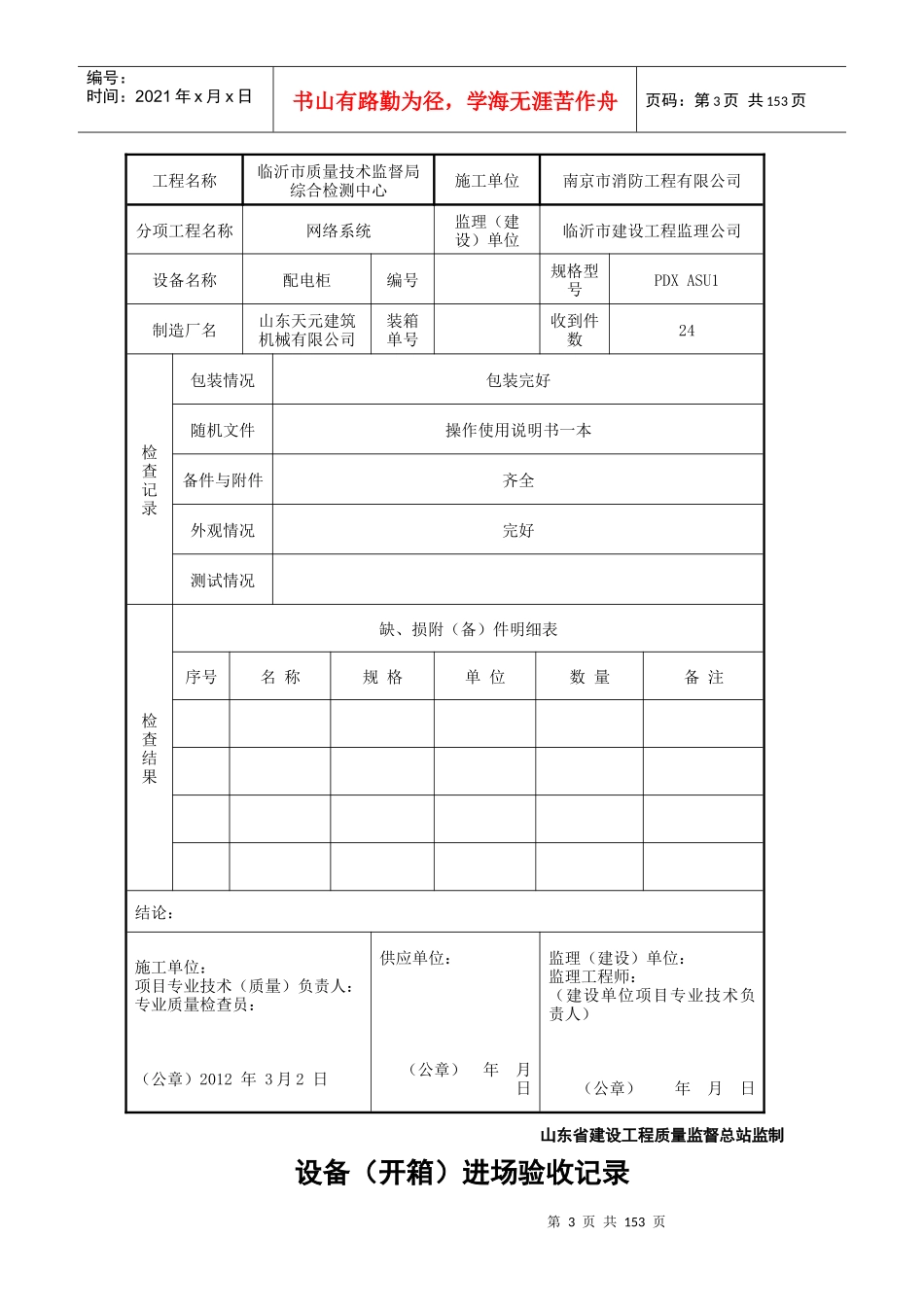
第1页共153页编号:时间:2021年x月x日书山有路勤为径,学海无涯苦作舟页码:第1页共153页设备(开箱)进场验收记录鲁ZN-007-工程名称临沂市质量技术监督局综合检测中心施工单位南京市消防工程有限公司分项工程名称综合布线系统监理(建设)单位临沂市建设工程监理公司设备名称24口SC光配架编号规格型号ACTFM1USC24制造厂名施耐德电气有限公司装箱单号收到件数66检查记录包装情况包装完好随机文件操作使用说明书一本备件与附件齐全外观情况完好测试情况检查结果缺、损附(备)件明细表序号名称规格单位数量备注结论:施工单位:项目专业技术(质量)负责人:专业质量检查员:(公章)2012年3月1日供应单位:(公章)年月日监理(建设)单位:监理工程师:(建设单位项目专业技术负责人)(公章)年月日第2页共153页第1页共153页编号:时间:2021年x月x日书山有路勤为径,学海无涯苦作舟页码:第2页共153页山东省建设工程质量监督总站监制设备(开箱)进场验收记录鲁ZN-007-第3页共153页第2页共153页编号:时间:2021年x月x日书山有路勤为径,学海无涯苦作舟页码:第3页共153页山东省建设工程质量监督总站监制设备(开箱)进场验收记录工程名称临沂市质量技术监督局综合检测中心施工单位南京市消防工程有限公司分项工程名称网络系统监理(建设)单位临沂市建设工程监理公司设备名称配电柜编号规格型号PDXASU1制造厂名山东天元建筑机械有限公司装箱单号收到件数24检查记录包装情况包装完好随机文件操作使用说明书一本备件与附件齐全外观情况完好测试情况检查结果缺、损附(备)件明细表序号名称规格单位数量备注结论:施工单位:项目专业技术(质量)负责人:专业质量检查员:(公章)2012年3月2日供应单位:(公章)年月日监理(建设)单位:监理工程师:(建设单位项目专业技术负责人)(公章)年月日第4页共153页第3页共153页编号:时间:2021年x月x日书山有路勤为径,学海无涯苦作舟页码:第4页共153页鲁ZN-007-山东省建设工程质量监督总站监制工程名称临沂市质量技术监督局综合检测中心施工单位南京市消防工程有限公司分项工程名称机房设备供电监理(建设)单位临沂市建设工程监理公司设备名称一位三级插座编号规格型号Q86ZS10A制造厂名德力西家居电气装箱单号收到件数159检查记录包装情况包装完好随机文件操作使用说明书一本备件与附件齐全外观情况完好测试情况检查结果缺、损附(备)件明细表序号名称规格单位数量备注结论:施工单位:项目专业技术(质量)负责人:专业质量检查员:(公章)2012年5月25日供应单位:(公章)年月日监理(建设)单位:监理工程师:(建设单位项目专业技术负责人)(公章)年月日第5页共153页第4页共153页编号:时间:2021年x月x日书山有路勤为径,学海无涯苦作舟页码:第5页共153页设备(开箱)进场验收记录鲁ZN-007-工程名称临沂市质量技术监督局综合检测中心施工单位南京市消防工程有限公司分项工程名称设备供电监理(建设)单位临沂市建设工程监理公司设备名称红黑电源隔离插座编号规格型号TDY制造厂名中国航天科技工集团装箱单号收到件数20检查记录包装情况包装完好随机文件操作使用说明书一本备件与附件齐全外观情况完好测试情况检查结果缺、损附(备)件明细表序号名称规格单位数量备注结论:施工单位:项目专业技术(质量)负责人:专业质量检查员:(公章)2012年5月31日供应单位:(公章)年月日监理(建设)单位:监理工程师:(建设单位项目专业技术负责人)(公章)年月日第6页共153页第5页共153页编号:时间:2021年x月x日书山有路勤为径,学海无涯苦作舟页码:第6页共153页山东省建设工程质量监督总站监制设备(开箱)进场验收记录鲁ZN-007-第7页共153页第6页共153页编号:时间:2021年x月x日书山有路勤为径,学海无涯苦作舟页码:第7页共153页山东省建设工程质量监督总站监制设备(开箱)进场验收记录工程名称临沂市质量技术监督局综合检测中心施工单位南京市消防工程有限公司分项工程名称综合布线监理(建设)单位临沂市建设工程监理公司设备名称六类非屏蔽模块编号规格型号VDIB17766USG-S制造厂名施耐德电气有限公司装箱单号...

1、当您付费下载文档后,您只拥有了使用权限,并不意味着购买了版权,文档只能用于自身使用,不得用于其他商业用途(如 [转卖]进行直接盈利或[编辑后售卖]进行间接盈利)。
2、本站所有内容均由合作方或网友上传,本站不对文档的完整性、权威性及其观点立场正确性做任何保证或承诺!文档内容仅供研究参考,付费前请自行鉴别。
3、如文档内容存在违规,或者侵犯商业秘密、侵犯著作权等,请点击“违规举报”。

碎片内容

设备开箱进场验收记录(DOCX 110页)

您可能关注的文档

确认删除?
VIP
微信客服
  • 扫码咨询
会员Q群
  • 会员专属群点击这里加入QQ群
客服邮箱
回到顶部