电脑桌面
添加小米粒文库到电脑桌面
安装后可以在桌面快捷访问

钢筋工程技术交底3VIP免费

钢筋工程技术交底3_第1页
1/21
钢筋工程技术交底3_第2页
2/21
钢筋工程技术交底3_第3页
3/21
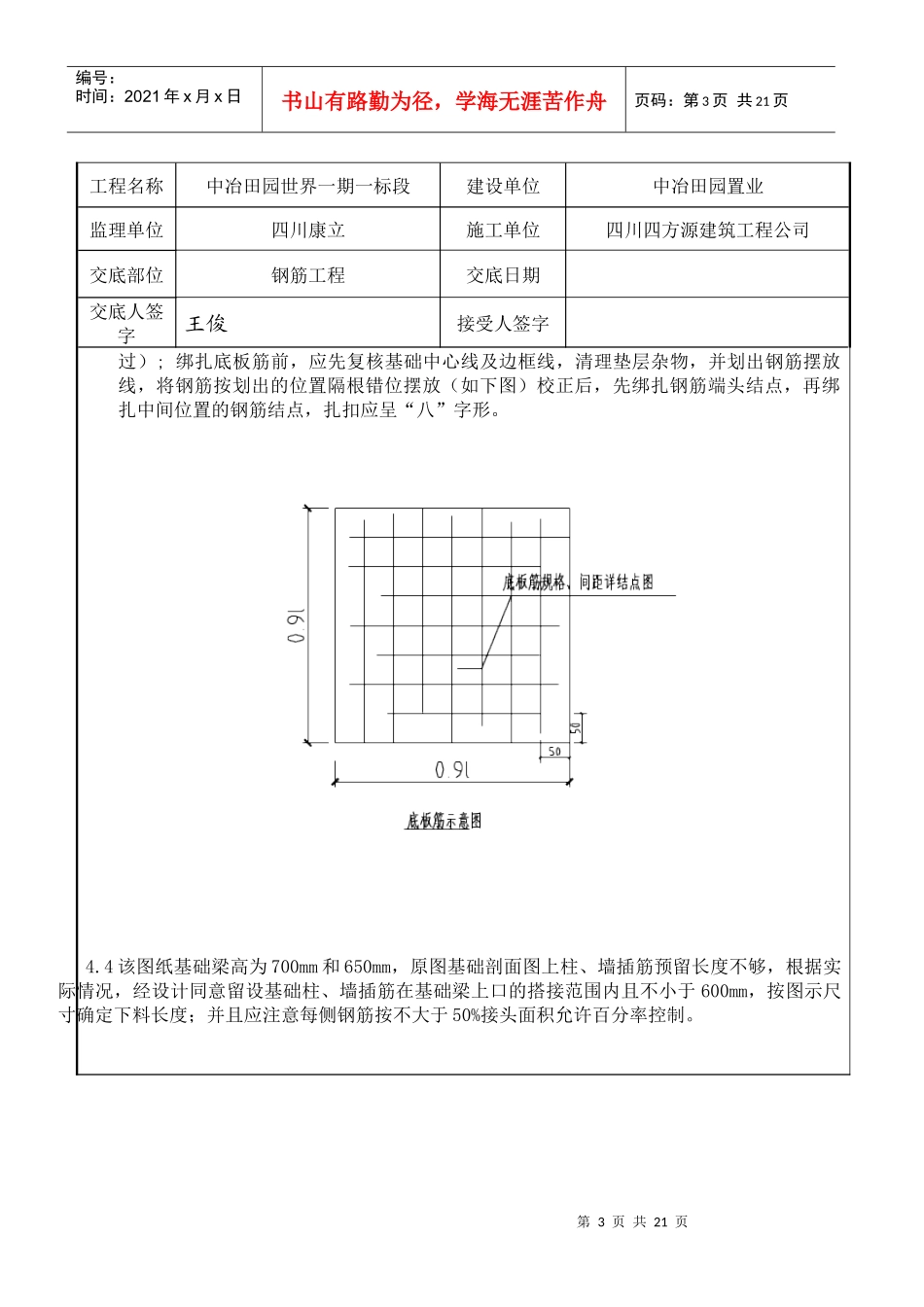
第1页共21页编号:时间:2021年x月x日书山有路勤为径,学海无涯苦作舟页码:第1页共21页工程名称中冶田园世界一期一标段建设单位中冶田园置业监理单位四川康立施工单位四川四方源建筑工程公司交底部位钢筋工程交底日期交底人签字王俊接受人签字交底内容:一、施工准备2.1人员准备2.1.1每个单元钢筋作业班组劳动力主体施工不应少于25人,基础施工不应少于35人。2.2机具准备2.2.1钢筋制作,焊接等机电工具根据本工程特点需配置数量详下表施工机具需用量表序号机具名称数量功率进场时间1切断机12.2KW2弯曲机12.2KW3卷杨机17.5KW4除锈机15矫直机12.3材料准备凡进场材料必须认真检查验证填写《工程物资进场验收记录》(QB/RJ—B—09—04)并检查产品合格证、铭牌、出厂检验报告。2.4现场准备2.4.1在紧邻钢筋加工车间处设置钢筋原材料及其半成品堆放场地;在堆放场地上砌300mm×240mm高砖垄,间距2m,作堆放进场钢筋及加工好的钢筋用。进场钢筋及其半成品根据不同规格、型号、级别分类堆码,标识明确,严禁随意堆放。2.5技术准备2.5.1.1图纸已经过详细审查,会审已通过。2.5.1.2根据设计图纸已准备相应的图集、施工标准及规范。2.5.1.3施工技术交底及作业指导书已完成。2.5.1.4钢筋原材料复试检验已合格。2.5.1.5施工钢筋配料表(附表)已完成审查通过。2.5.2钢筋工长根据图纸、规范、图集正确及时提出钢筋料表,经项目技术负责人审核签字后交作业班组照料表施工,并作详细技术交底。2.5.3施工质量记录应如实详细;主要收集整理以下几项:1)技术交底记录2)钢筋产品合格证,出厂检验报告3)钢筋机械性能复验报告4)施工过程中产生脆断焊接性能不良或力学性能显著不正常,应进行化学成份或其它专项第2页共21页第1页共21页编号:时间:2021年x月x日书山有路勤为径,学海无涯苦作舟页码:第2页共21页工程名称中冶田园世界一期一标段建设单位中冶田园置业监理单位四川康立施工单位四川四方源建筑工程公司交底部位钢筋工程交底日期交底人签字王俊接受人签字检验。5)钢筋隐蔽验收记录6)钢筋安装工程检验批质量验收记录7)特殊过程确认记录8)施工日志二、工艺流程3.1基础筋:清底→复验轴线→画出柱外框尺寸,划基础筋位置线→绑扎承台筋→放垫块、插柱筋、墙筋→绑扎基础梁、固定柱、墙钢筋3.2柱筋:搭接绑扎(焊接)竖向受力筋→画箍筋间距线→套柱箍筋→绑箍筋→绑扎垫块3.3梁筋:模内绑扎:穿主梁底筋→绑扎柱核芯箍筋→穿主梁上部筋→画主梁箍筋→绑扎主梁箍筋→穿主梁吊筋、放置垫块→穿次梁底筋→穿次梁上部筋→画次梁箍筋线→穿次梁箍筋→放置次梁垫块3.4板筋:清理模板→模板上画线→绑扎板受力筋→绑板负弯矩钢筋、放置板垫块3.5楼梯筋:划位置线→绑主筋→绑分布筋四、施工方法4.1原材料的标准要求4.1.1对进场钢筋按标准抽样做机械性能试验(参仁建司字[2004]26号《主要材料接收准则》4.1.2进场的钢筋和加工好的钢筋,根据钢筋的级别、规格分类堆放在砖砌成的高300mm间距2m的垄墙上,以避免积水浸泡和泥土的污染,严禁随意堆放,造成混堆现象。4.1.3钢筋的表面应保持清洁,带有颗粒状或片状老锈,经除锈后仍有麻点的钢筋,不得按原规格使用。4.2原材料及半成品的力学性能试验取样标准;4.2.1光园钢筋,Ⅱ、Ⅲ级钢筋同一牌号、炉号、规格每60t应作一批,不足60t时应按一批计算,冷轧扭筋同一牌号、规格每10t应作一批,不足10t时应按一批计算;力学性能检验时,应从每批接头中随机切取4个接头,其中2个做拉伸试验,2个做弯曲试验;冷轧扭筋不作冷弯试验。4.2.2光园钢筋、Ⅱ、Ⅲ级钢筋,冷轧扭筋及电弧焊、闪光对焊及电渣压力焊接头抽取试件长度为做拉伸试验长度为30cm;作冷弯试验长度为45cm。4.3对加工料表所列各型号钢筋,均应先做样件,经工长检查下料长度、弯曲成型的几何尺寸,确认无误后,方可批量加工。4.4根据节点图例及变更可知,当独立基础底长L≥2500mm配筋长L1=0.9L(经设计通第3页共21页第2页共21页编号:时间:2021年x月x日书山有路勤为径,学海无涯苦作舟页码:第3页共21页工程名称中冶田园世界一期一标段建设单位中冶田园置业监理单位四川康立施工单位四川四方源建...

1、当您付费下载文档后,您只拥有了使用权限,并不意味着购买了版权,文档只能用于自身使用,不得用于其他商业用途(如 [转卖]进行直接盈利或[编辑后售卖]进行间接盈利)。
2、本站所有内容均由合作方或网友上传,本站不对文档的完整性、权威性及其观点立场正确性做任何保证或承诺!文档内容仅供研究参考,付费前请自行鉴别。
3、如文档内容存在违规,或者侵犯商业秘密、侵犯著作权等,请点击“违规举报”。

碎片内容

钢筋工程技术交底3

确认删除?
VIP
微信客服
  • 扫码咨询
会员Q群
  • 会员专属群点击这里加入QQ群
客服邮箱
回到顶部