电脑桌面
添加小米粒文库到电脑桌面
安装后可以在桌面快捷访问

××××颗粒工艺验证方案VIP免费

××××颗粒工艺验证方案_第1页
1/28
××××颗粒工艺验证方案_第2页
2/28
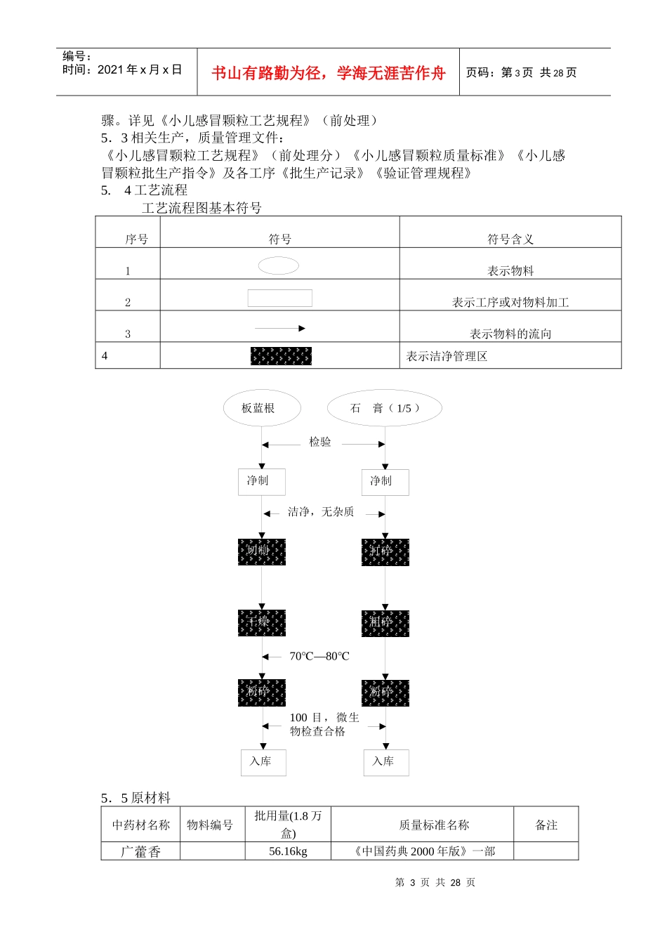
××××颗粒工艺验证方案_第3页
3/28
第1页共28页编号:时间:2021年x月x日书山有路勤为径,学海无涯苦作舟页码:第1页共28页××××颗粒工艺验证方案VA/J—0/00起草人:日期:年月日会签人:固体制剂车间:日期:年月日生产部:日期:年月日质量管理部:日期:年月日批准人:日期:年月日第2页共28页第1页共28页编号:时间:2021年x月x日书山有路勤为径,学海无涯苦作舟页码:第2页共28页××××颗粒工艺验证方案(前处理)1.适用范围本方案适用于公司中药提取车间小儿感冒颗粒(前处理)的工艺验证。2.责任:中药提取车间:负责工艺验证方案本车间验证的组织实施。生产部:负责工艺验证方案起草。质量管理部QA人员:负责协助验证方案的组织实施。质量管理部QC人员:负责按计划完成工艺验证方案中相关检验任务;确保检验结论正确可靠。QA验证管理员:负责验证工作的管理,协助工艺验证方案的起草,组织协调验证工作,并总结验证结果,起草验证报告。质量管理部经理:负责工艺验证方案及报告的审核。生产技术总监:负责工艺验证方案及报告的批准。验证小组:组长:××××副组长:××××成员:××××××××3.概述小儿感冒颗粒是我公司已生产多年的产品,在多年的生产过程中,此产品生产工艺系统是稳定可靠的。公司现有的厂房都已经验证合格。工艺用水已检验合格,主要生产设备,样品取样及检验方法,设备清洁方法均已经进行验证合格。在人员培训合格并已经取得上岗证的基础上,辅以工序生产及检验结果依据。4.验证目的本产品工艺验证方案的目的:为评价小儿感冒颗粒产品生产系统要素和生产过程中可能影响产品质量的各种生产工艺因素提供系统的验证计划。以保证实现在正常的生产条件下,按照现生产工艺能够生产出符合质量标准的小儿感冒颗粒,并确认生产过程的稳定性及生产系统的可靠性。在试生产的同时对小儿感冒颗粒(前处理)的生产工艺进行验证。进行生产工艺验证的产品批次为连续生产三批。5.验证内容5.1工艺处方:广藿香75g菊花75g连翘75g大青叶125g板蓝根75g地黄75g地骨皮75g白薇75g薄荷50g石膏125g5.2小儿感冒颗粒(前处理)生产工艺过程包括:中药材配料,粉碎等操作步第3页共28页第2页共28页100目,微生物检查合格板蓝根净制打碎粗碎粉碎70—80℃℃石膏(1/5)检验洁净,无杂质净制切制干燥粉碎入库入库编号:时间:2021年x月x日书山有路勤为径,学海无涯苦作舟页码:第3页共28页骤。详见《小儿感冒颗粒工艺规程》(前处理)5.3相关生产,质量管理文件:《小儿感冒颗粒工艺规程》(前处理分)《小儿感冒颗粒质量标准》《小儿感冒颗粒批生产指令》及各工序《批生产记录》《验证管理规程》5.4工艺流程工艺流程图基本符号序号符号符号含义1表示物料2表示工序或对物料加工3表示物料的流向4表示洁净管理区5.5原材料中药材名称物料编号批用量(1.8万盒)质量标准名称备注广藿香56.16kg《中国药典2000年版》一部第4页共28页第3页共28页编号:时间:2021年x月x日书山有路勤为径,学海无涯苦作舟页码:第4页共28页连翘56.16kg《中国药典2000年版》一部菊花56.16kg《中国药典2000年版》一部板蓝根56.16kg《中国药典2000年版》一部地黄56.16kg《中国药典2000年版》一部地骨皮56.16kg《中国药典2000年版》一部白薇56.16kg《中国药典2000年版》一部大青叶93.60kg《中国药典2000年版》一部石膏93.60kg《中国药典2000年版》一部薄荷37.44kg《中国药典2000年版》一部5.6主要生产设备设备名称设备型号材质数量生产能力所在岗位洗药机XY-720不锈钢1300~400kg/小时前处理烘箱CT-2钢,不锈1300~400kg/班干燥粉碎机HA-721钢,不锈130~40kg/小时粉碎粉碎振动筛粉机SZP-320钢,不锈120~30kg/小时粉碎5.7验证判断标准《小儿感冒颗粒工艺规程》(前处理)5.8验证方法及要求:操作依据:《小儿感冒颗粒工艺规程》、《小儿感冒颗粒原药材炮制SOP》、《小儿感冒颗粒称量配料SOP》、《粉碎过筛SOP》5.8.1在生产的同时,通过生产中连续三批小儿感冒颗粒药粉,结合实际生产对小儿感冒颗粒生产工艺中的(前处理)生产工艺技术参数进行验证。保证在生产时能生产出符合质量标准的小儿感冒颗粒产品,(配料、干燥、粉碎在洁净...

1、当您付费下载文档后,您只拥有了使用权限,并不意味着购买了版权,文档只能用于自身使用,不得用于其他商业用途(如 [转卖]进行直接盈利或[编辑后售卖]进行间接盈利)。
2、本站所有内容均由合作方或网友上传,本站不对文档的完整性、权威性及其观点立场正确性做任何保证或承诺!文档内容仅供研究参考,付费前请自行鉴别。
3、如文档内容存在违规,或者侵犯商业秘密、侵犯著作权等,请点击“违规举报”。

碎片内容

××××颗粒工艺验证方案

确认删除?
VIP
微信客服
  • 扫码咨询
会员Q群
  • 会员专属群点击这里加入QQ群
客服邮箱
回到顶部