电脑桌面
添加小米粒文库到电脑桌面
安装后可以在桌面快捷访问

某工程分户检验方案VIP免费

某工程分户检验方案_第1页
1/16
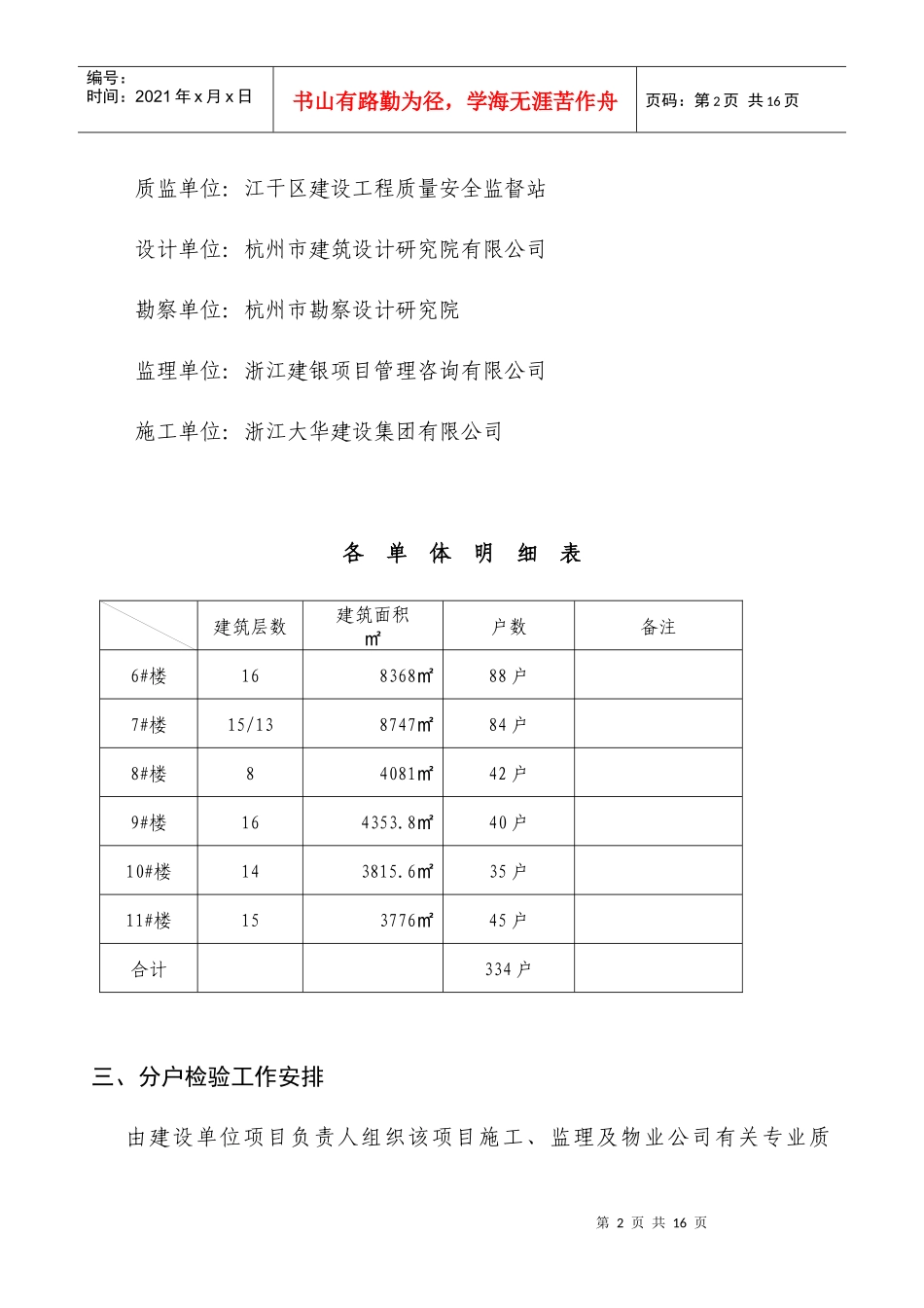
某工程分户检验方案_第2页
2/16
某工程分户检验方案_第3页
3/16
杭政储出(2007)40号地块Ⅱ标段工程分户检验方案编制人:审核人:批准人:第1页共16页编号:时间:2021年x月x日书山有路勤为径,学海无涯苦作舟页码:第1页共16页二○一○年七月一、编制依据1.1本工程施工图、图纸会审纪要、联系单;1.2本工程的施工组织设计;1.3建筑工程施工质量检验统一标准(GB50300-2001);1.4混凝土结构施工及检验规范(GB50204-2002);1.5建筑装饰装修质量验收规范(GB50210-2002);1.6屋面工程质量验收规范(GB50207-2002);1.7杭州市住宅工程质量分户检验管理暂行规定等政府文件法规。二、工程概况杭政储出(2007)40号地块Ⅱ标段工程位于江干区丁桥镇大农港路与勤丰路交叉口,由6幢8-16层住宅及一个一层广场地下室组成,总建筑面积为43410,结构型式为框架剪力墙结构。㎡建设单位:杭州新联置业有限公司第2页共16页第1页共16页编号:时间:2021年x月x日书山有路勤为径,学海无涯苦作舟页码:第2页共16页质监单位:江干区建设工程质量安全监督站设计单位:杭州市建筑设计研究院有限公司勘察单位:杭州市勘察设计研究院监理单位:浙江建银项目管理咨询有限公司施工单位:浙江大华建设集团有限公司各单体明细表建筑层数建筑面积㎡户数备注6#楼168368㎡88户7#楼15/138747㎡84户8#楼84081㎡42户9#楼164353.8㎡40户10#楼143815.6㎡35户11#楼153776㎡45户合计334户三、分户检验工作安排由建设单位项目负责人组织该项目施工、监理及物业公司有关专业质第3页共16页第2页共16页编号:时间:2021年x月x日书山有路勤为径,学海无涯苦作舟页码:第3页共16页量管理人员组成检验小组。2010年8月5日前施工单位应配合分户验收,在室内将预埋在建筑物内的水管位置、强弱电进户管线的位置和用于室内空间尺寸测量的控制点、线做出标识2010年8月5日--2010年9月5日检验墙面空鼓、开裂情况与室内净开间、净进深尺寸。2010年9月6日--2010年11月5日检验栏杆、门窗安装,地面空鼓开裂,层高尺寸,防水工程。2010年10月10日--2010年11月10日检验给排水、电器安装。四、分户检验方法4.1建筑层高推算值的确定层高以距离房间完成墙面500的交叉点、房间中心点作为测量控制点、㎜现场做好标识。建筑层高推算值=设计建筑层高结构楼板厚度–-(装饰地坪细石砼厚度+顶棚装饰厚度)。第4页共16页第3页共16页编号:时间:2021年x月x日书山有路勤为径,学海无涯苦作舟页码:第4页共16页楼面装饰层细石砼厚度按30计,顶棚装饰厚度㎜5毫米包括混合砂浆打底及找平,一道腻子及乳胶漆两度。4.2建筑开间、进深推算至的确定开间、进深以距离房间完成墙面500的作为测量控制点,现场做好标识㎜。建筑开间、进深推算值=建筑开间、进深轴线尺寸—砖墙厚度—两侧墙面粉刷厚度—两侧涂料、混合砂浆厚度。设计结构梁按相应施工图纸,一砖墙按200计,半砖墙按㎜100计,单侧㎜粉刷厚度按20计,单侧涂料厚度按㎜5计。㎜4.3分户检验组织:要求总包施工单位负责配置土建质检员2名、安装质检员1名,分包单位配置质检员1名,监理单位配置检查人员2名,会同建设、物业单位相关负责人共同参与分户检验各项工作。4.4建设单位是分户验收工作的第一责任人,具体职责包括:a)组织实施分户检验方案。b)与施工、监理、物业单位有关人员共同参加分户检查检验,并及时确定,签字盖章。c)负责按单位工程汇总每一户的分户检验情况,填写《住宅工程质量分户检第5页共16页第4页共16页编号:时间:2021年x月x日书山有路勤为径,学海无涯苦作舟页码:第5页共16页验汇总表》。d)住宅工程交付使用时,建设单位将《住宅工程质量分户检验合格标识》作为《住宅质量保证书》的附件一并出具给受买人。4.5技术准备熟悉审查图纸及分户验收方案。4.6工具准备电子测距仪、小锤、线坠、钢尺、盒尺、靠尺、塞尺、检测尺、水平仪、游标卡尺。4.7检查项目、内容、方法及数量、标准见附表:五、附检查用表第6页共16页第5页共16页编号:时间:2021年x月x日书山有路勤为径,学海无涯苦作舟页码:第6页共16页附件1住宅工程质量分户检验必检内容及检验标准室内检验项目检验内容检查方法及数量检验标准备注1、楼地面、墙面、天棚面层楼地面空...

1、当您付费下载文档后,您只拥有了使用权限,并不意味着购买了版权,文档只能用于自身使用,不得用于其他商业用途(如 [转卖]进行直接盈利或[编辑后售卖]进行间接盈利)。
2、本站所有内容均由合作方或网友上传,本站不对文档的完整性、权威性及其观点立场正确性做任何保证或承诺!文档内容仅供研究参考,付费前请自行鉴别。
3、如文档内容存在违规,或者侵犯商业秘密、侵犯著作权等,请点击“违规举报”。

碎片内容

某工程分户检验方案

中小学文库+ 关注
实名认证
内容提供者

精品资料应用尽有

确认删除?
VIP
微信客服
  • 扫码咨询
会员Q群
  • 会员专属群点击这里加入QQ群
客服邮箱
回到顶部